阿摩線上測驗
登入
首頁
>
電機機械
>
96年 - 96年升官等、96年關務人員升官等燈塔技術(關務)#37338
> 申論題
題組內容
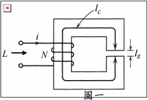
一、有一磁性裝置如圖一所示,有關資料為:N=500,lc=40cm,l
g
=1mm,A
c
= A
g
= 10cm
2
, µr = 3000,µ0 = 4π×10
-7
H / m,忽略氣隙邊緣效應。
⑵如沒有氣隙且 具有相同之電感值,求匝數 N。(10 分)
相關申論題
⑴求電感值
#106362
⑴求在半載,功因cosθ = 0.8落後下之效率
#106364
⑵求絕對最大效率
#106365
(3)將此變壓器接成 2200/2420V 之自耦變壓器,求其容量及在半載,功因cosθ = 0.8 落後下之效率
#106366
⑷三個此單相變壓器接成∆ − ∆接及 V-V 接之三相變壓器之容量各 為多少?(20 分)
#106367
三、⑴以一個兩相交流馬達為例,其兩相電樞繞組要如何放置且通以何種形式之交流電 流始可產生單一方向之同步旋轉磁場?
#106368
⑵有一工廠,其負載為:感應馬達:100kVA,PF=0.6 落後;同步馬達: 100kVA,P= 80kW,Q=可調,求此工廠用電可能之最佳及最差功率因數。
#106369
⑶有一部三相 Y-接隱極式(Non-salient pole)同步發電機具有下列資料:5kVA, P=4,60Hz,208V,Ra =0.0Ω,Xs= 10 Ω /phase。將其接至 60Hz 220V 之匯流排, 且送出功因為 PF=0.8 越前之額定功率,求磁化電壓及功率角(E f ∠δ )。(20 分)
#106370
四、⑴繪出感應馬達之單相等效電路,說明其與變壓器等效電路之異同。
#106371
⑵在從事感應馬達等效電路參數之估測時,為何需降低頻率做堵住測試?
#106372
相關試卷
114年 - 114 地方政府公務特種考試_三等_電力工程:電機機械#134760
114年 · #134760
114年 - 114 專技高考_電機工程技師:電機機械#133717
114年 · #133717
114年 - 114 關務升官等考試、交通事業郵政升資考試_薦任、員級晉高員級_電力工程、技術類(選試電機機械)—關務、郵政:電機機械#133262
114年 · #133262
114年 - 114 交通事業郵政升資考試_佐級晉員級_技術類(選試電機機械概要)—郵政:電機機械概要#133211
114年 · #133211
114年 - 114 高等考試_二級_電力工程:電機機械#131612
114年 · #131612
114年 - 114 高等考試_三級_電力工程:電機機械#128777
114年 · #128777
114年 - 114 關務特種考試_三等_電機工程(選試英文):電機機械#126668
114年 · #126668
113年 - 113-2 國營臺灣鐵路股份有限公司_從業人員甄試_第8階-助理工程師-機械 第8階-助理工程師-電機:電機機械#137140
113年 · #137140
113年 - 113 地方政府公務特種考試_三等_電力工程:電機機械#124526
113年 · #124526
113年 - 113 專技高考_電機工程技師:電機機械#123948
113年 · #123948