題組內容
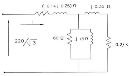
四、一 220 V、60 Hz、1120 轉/分(rpm)三相感應馬達之每相等效電路如下圖所示。在忽略旋轉損失及激磁阻抗情況下,計算(提示:扭矩=產生功率/實際轉速,產生功率為等效機械負載電阻 0.1(1 - s)/s 之功率,s:轉差率)
⑵滿載電流、功率因數、扭矩及效率
四、一 220 V、60 Hz、1120 轉/分(rpm)三相感應馬達之每相等效電路如下圖所示。在忽略旋轉損失及激磁阻抗情況下,計算(提示:扭矩=產生功率/實際轉速,產生功率為等效機械負載電阻 0.1(1 - s)/s 之功率,s:轉差率)
⑵滿載電流、功率因數、扭矩及效率