阿摩線上測驗
登入
首頁
>
電路學
>
107年 - 107 專技高考_電機工程技師:電路學#72990
> 申論題
題組內容
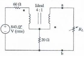
四、圖 4 中,變壓器為一理想變壓器,原線圈比副線圈匝數比為 4:1,負載 R
L
為一可變電阻,調整 R
L
電阻至最大平均輸送功率。
⑵試求最大平均功率值。(10 分)
相關申論題
一、圖 1 中,試求消耗在 4 歐姆(Ω)電阻之功率。(20 分)
#297289
二、圖 2 中,兩個電感 L1、L2各有起始電流(initial current)8 A 及 4 A,開 關維持關閉已一段很長時間,在 t = 0 時,開關打開,試求出 t≧0 時之 電流 i1(t)及 i3(t)值。(i1(t)及 i3(t)各 10 分,共 20 分)
#297290
三、圖 3 中,試利用 Δ 至 Y 之阻抗轉換,求出電流 I0、I1、I2、I3及 V1、V2 值。(I0、I1、I2、I3各 4 分,V1、V2各 2 分,共 20 分)
#297291
⑴試求 RL電阻。(10 分)
#297292
⑴試求出單相等效 Y-接電路圖及其負載阻抗。(10 分)
#297294
⑵試求出三個線電流。(10 分)
#297295
四、試求圖 3 電路中的輸出電壓 vo(t)。(25 分)
#569964
三、當連接至 120 V(rms)、60 Hz 的電源時,某負載在功率因數(pf)為 0.8 落後(lagging)下消耗 4 kW 的實功。假設將一部 1 kW 的太陽能發電機(只 產生實功)與該負載並聯。試求將功率因數(pf)提升至 0.9 落後所需的 電容值。(25 分)
#569963
二、若 v(0) = 0 V,試求圖 2 電路中 t > 0 時的 v(t)。(25 分)
#569962
(二)計算能消耗(汲取)最大功率的 R 值為多少?(8 分)此時的最大負載功率是多少?(7 分)
#569961
相關試卷
115年 - 115 身心障礙特種考試_三等_電子工程:電路學#138936
115年 · #138936
114年 - 114 地方政府公務特種考試_三等_電力工程、電子工程、電信工程:電路學#134770
114年 · #134770
114年 - 114 專技高考_電機工程技師:電路學#133707
114年 · #133707
114年 - 114 專技高考_電子工程技師:電路學#133700
114年 · #133700
114年 - 114 公務升官等考試_薦任_電力工程、電子工程、電信工程:電路學#133241
114年 · #133241
114年 - 114 高等考試_三級_電力工程、電子工程、電信工程:電路學#128784
114年 · #128784
113年 - 113-2 國營臺灣鐵路股份有限公司_從業人員甄試_第8階-助理工程師-電機:電路學#137142
113年 · #137142
113年 - 113 地方政府公務特種考試_三等_電力工程、電子工程:電路學#124508
113年 · #124508
113年 - 113 專技高考_電機工程技師:電路學#123962
113年 · #123962
113年 - 113 專技高考_電子工程技師:電路學#123933
113年 · #123933