阿摩線上測驗
登入
首頁
>
電子學
>
100年 - 100 專技高考_專利師:電子學#45490
> 申論題
申論題
試卷:100年 - 100 專技高考_專利師:電子學#45490
科目:電子學
年份:100年
排序:0
申論題資訊
試卷:
100年 - 100 專技高考_專利師:電子學#45490
科目:
電子學
年份:
100年
排序:
0
題組內容
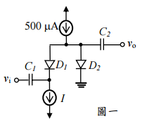
一、在圖一的電容耦合衰減電路(capacitor-coupled attenuator circuit)中,D
1
與D
2
二極體的 理想因子n=1,I為直流電流,其值可由 0 μA變化至 500 μA,C
1
與C
2
為大的耦合電容 (coupling capacitor),而vi為極小的輸入訊號,請分別求出當
申論題內容
⑵I=500 μA之vo/vi的值。(20 分)