阿摩線上測驗
登入
首頁
>
電子學
> 100年 - 100 專技高考_專利師:電子學#45490
100年 - 100 專技高考_專利師:電子學#45490
科目:
電子學 |
年份:
100年 |
選擇題數:
0 |
申論題數:
8
試卷資訊
所屬科目:
電子學
選擇題 (0)
申論題 (8)
⑴I=250 μA及
⑵I=500 μA之vo/vi的值。(20 分)
⑴電阻值R=?
⑵電晶體Q
2
的汲極電壓V
D2
=?(20 分)
三、圖三為一個差動放大器電路(differential amplifier circuit),其中使用共射極電流增 益(common-emitter current gain)β=100 及爾利電壓(Early voltage)V
A
=∞的雙載 子電晶體(BJT),試求整體的差動電壓增益(differential voltage gain)v
o
/v
sig
值? (20 分)
【已刪除】四、請求出圖四中的理想運算放大器(op amp)電路的電壓增益v
o
/v
I
=?(20 分)
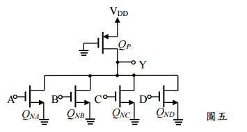
五、請說明圖五中的數位邏輯電路的 Y 與 A、B、C 及 D 的邏輯關係?(10 分)
六、試畫以四個二極體所構成之全波整流電路圖,並說明其工作原理。(10 分)