阿摩線上測驗
登入
首頁
>
輸配電學
>
102年 - 102年地方考四等_電力工程#34542
> 申論題
題組內容
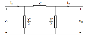
一、長程輸電線路的等效 π 型電路(Equivalent π circuit)如下圖所示,其與中程輸電線 路的標稱 π 型電路(Nominal π circuit)相似,且有 Z'= Z×F1,Y'/2 = (Y/2)×F2的關 係,F1 與 F2 稱為修正因數,試推求:
以及⑵F
2
(10 分)。雙曲線 函數 tanh(γl/2) = (cosh(γl)-1) / sinh(γl)。
相關申論題
⑴F1(10 分);
#88643
⑴等效序網路圖。(10 分)
#88645
⑵零序 I0、正序 I1與負序 I2電流,以 kA 表示。(10 分)
#88646
⑶線電流 Ia、Ib及 Ic,以 kA 表示。(10 分)
#88647
⑴新設的電力變壓器容量至少需多少 kVA?(10 分)
#88648
⑵在不考慮需量因數下,此鋼捲廠的功率因數?(5 分)
#88649
⑶欲改善其功率因數至 0.99 落後時,需增加的電容器容量 kVAR?(10 分)
#88650
⑴試列舉工業配電系統中 4 種中性點接地之方法,並簡要說明其特性。(15 分)
#88651
⑵就 600V 以下之低壓系統,當系統上有: Y 接法之發電機時;及 Y 接法變壓 器供電時的情況,請分別選用適當的接地方法,並說明選用的理由。(10 分)
#88652
(三)保護系統的轉換器一般為那兩種?其作用為何?(10 分)
#560986
相關試卷
114年 - 114 地方政府公務特種考試_四等_電力工程:輸配電學概要#134797
114年 · #134797
114年 - 114 普通考試_電力工程:輸配電學概要#128759
114年 · #128759
113年 - 113 地方政府公務特種考試_四等_電力工程:輸配電學概要#124495
113年 · #124495
113年 - 113 普通考試_電力工程:輸配電學概要#121395
113年 · #121395
112年 - 112 地方政府特種考試_四等_電力工程:輸配電學概要#118361
112年 · #118361
112年 - 112 普通考試_電力工程:輸配電學概要#115762
112年 · #115762
112年 - 112 鐵路特種考試_員級_電力工程:輸配電學概要#114947
112年 · #114947
111年 - 111 地方政府特種考試_四等_電力工程:輸配電學概要#112369
111年 · #112369
111年 - 111 中華郵政股份有限公司_職階人員資產營運及工程類科甄試_專業職一-電子工程:輸配電學概要#111690
111年 · #111690
111年 - 111 中華郵政股份有限公司_職階人員資產營運及工程類科甄試試題_專業職(一)/電力工程:輸配電學概要#111521
111年 · #111521