阿摩線上測驗
登入
首頁
>
電路學
>
109年 - 109 桃園國際機場股份有限公司_新進從業人員招募甄選_工程-電機-技術員:電路學#90618
> 申論題
題組內容
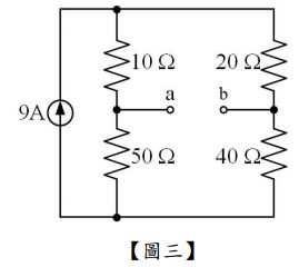
第三題: 有一電路圖如【圖三】所示,請回答由 a 與 b 端點間看入電路的下列問題:(註:未列 出計算過程者不予計分)
(二)請計算出戴維寧(Thevenin)等效電壓 V
th
。【10 分】
相關申論題
(一)請計算出戴維寧(Thevenin)等效電阻 Rth。【5 分】
#371200
(三)請計算出諾頓(Norton)等效電流 IN。【10 分】
#371202
(一)請計算出諧振頻率(resonant frequency)ωo為多少 rad/s?【7 分】
#371203
(二)請計算出品質因數(quality factor)QS。【6 分】
#371204
(三)請計算出電感電壓(inductor voltage)vL(t)。【6 分】
#371205
(四)請計算出迴路電流(loop current)i(t)。【6 分】
#371206
(一)電壓 V1、V2 、V3、V4 、VL 。【10 分】
#371194
(二)電流 I1、 I2 、 I3 、 I4 、I L 。【10 分】
#371195
(三)電阻 R1 及 RL 之消耗功率。【5 分】
#371196
(一)負載端的線電壓 。【10 分】
#371197
相關試卷
115年 - 115 身心障礙特種考試_三等_電子工程:電路學#138936
115年 · #138936
114年 - 114 地方政府公務特種考試_三等_電力工程、電子工程、電信工程:電路學#134770
114年 · #134770
114年 - 114 專技高考_電機工程技師:電路學#133707
114年 · #133707
114年 - 114 專技高考_電子工程技師:電路學#133700
114年 · #133700
114年 - 114 公務升官等考試_薦任_電力工程、電子工程、電信工程:電路學#133241
114年 · #133241
114年 - 114 高等考試_三級_電力工程、電子工程、電信工程:電路學#128784
114年 · #128784
113年 - 113-2 國營臺灣鐵路股份有限公司_從業人員甄試_第8階-助理工程師-電機:電路學#137142
113年 · #137142
113年 - 113 地方政府公務特種考試_三等_電力工程、電子工程:電路學#124508
113年 · #124508
113年 - 113 專技高考_電機工程技師:電路學#123962
113年 · #123962
113年 - 113 專技高考_電子工程技師:電路學#123933
113年 · #123933