阿摩線上測驗
登入
首頁
>
電子學
>
103年 - 103 一般警察特種考試_二等_刑事警察人員電子監察組:電子學#43460
> 申論題
申論題
試卷:103年 - 103 一般警察特種考試_二等_刑事警察人員電子監察組:電子學#43460
科目:電子學
年份:103年
排序:0
申論題資訊
試卷:
103年 - 103 一般警察特種考試_二等_刑事警察人員電子監察組:電子學#43460
科目:
電子學
年份:
103年
排序:
0
題組內容
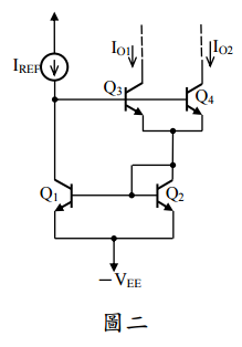
二、
申論題內容
(2) 若 I
REF
= 7 mA,請仿照圖二之作法設計出可以同時輸出 1 mA、2 mA 與 4 mA 之 電路。若β = 50,則該三組輸出電流之實際大小為何?(10 分)