題組內容
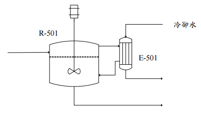
五、連續式攪拌反應槽(Continuous Stirred Tank Reactor, CSTR)R-501,如下圖所示, 正在進行放熱性之液相反應(liquid-phase exothermic reaction),放出之反應熱使部 分液體氣化,氣化之蒸氣進入冷凝器 E-501,冷凝後之冷凝液送回 R-501。反應器 在內容物之沸點(boiling point of the mixture in the CSTR)下操作,產生之蒸氣包含 反應物及產物,請設計控制系統,繪圖說明如何適當控制
