阿摩線上測驗 登入

申論題資訊

試卷:101年 - 101年三等關務特考自動控制#45159
科目:自動控制學
年份:101年
排序:0

題組內容

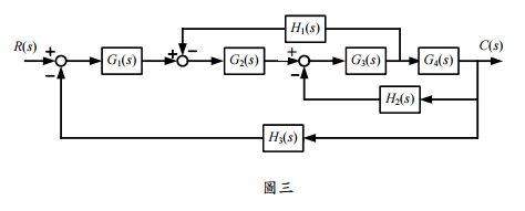
二、

申論題內容

⑵請問穩態誤差(steady-state error)之意義及應用於圖三之數學表示式。(10 分)

詳解 (共 1 筆)

詳解 提供者:hchungw

穩態誤差(steady-state error)是控制系統理論中的一個重要概念。以下是其基本解釋:

  1. 定義:穩態誤差是指系統輸出與期望輸出之間的差異,當系統響應已達到穩定狀態時。換句話說,當系統的輸出不再隨時間變化,該誤差即為穩態誤差。

  2. 意義:穩態誤差提供了系統性能的一個重要度量。對於許多應用來說,特別是跟隨或追踪系統,希望穩態誤差越小越好,這意味著系統輸出非常接近或等於期望輸出。

  3. 計算:對於典型的輸入信號(例如,步進、斜坡或正弦輸入),穩態誤差可以使用系統的轉移函數或狀態空間表示形式進行計算。

  4. 與系統類型相關:穩態誤差的大小和性質通常取決於控制系統的類型。例如,一個型一(Type 1)的系統對於一個步進輸入有零的穩態誤差,但對於一個斜坡輸入,它可能有一個固定的、非零的穩態誤差。

  5. 減少穩態誤差的方法:控制器設計、增加系統類型或系統增益都是常用的方法來減少穩態誤差。

總之,穩態誤差是評估控制系統性能的一個關鍵指標,尤其是在考慮到系統如何跟踪或響應特定的輸入信號時。