阿摩線上測驗
登入
首頁
>
升資考/士級晉佐級◆電工原理大意
>
98年 - 98 交通事業郵政升資考試_士級晉佐級_技術類:電工原理大意#38321
> 申論題
申論題
試卷:98年 - 98 交通事業郵政升資考試_士級晉佐級_技術類:電工原理大意#38321
科目:升資考/士級晉佐級◆電工原理大意
年份:98年
排序:0
申論題資訊
試卷:
98年 - 98 交通事業郵政升資考試_士級晉佐級_技術類:電工原理大意#38321
科目:
升資考/士級晉佐級◆電工原理大意
年份:
98年
排序:
0
題組內容
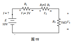
五、圖四所示串聯電路,求:
申論題內容
⑶電阻值R
1
、R
2
。(5 分)
詳解 (共 1 筆)
詳解
提供者:愛睏
3O,6O