阿摩線上測驗
登入
首頁
>
統測◆03電機與電子群電機類◆(二)電工機械、電子學實習、基本電學實習
> 102年 - 102 四技二專統測_電機與電子群電機類_專業科目(二):電工機械、電子學實習、基本電學實習#17967
102年 - 102 四技二專統測_電機與電子群電機類_專業科目(二):電工機械、電子學實習、基本電學實習#17967
科目:
統測◆03電機與電子群電機類◆(二)電工機械、電子學實習、基本電學實習 |
年份:
102年 |
選擇題數:
50 |
申論題數:
0
試卷資訊
所屬科目:
統測◆03電機與電子群電機類◆(二)電工機械、電子學實習、基本電學實習
選擇題 (50)
1. 關於三相感應電動機的敘述,下列何者正確? (A) 轉速越快,轉子電阻越大 (B) 轉速越慢,轉子頻率越小 (C) 轉子電抗與轉速無關 (D) 電動機的轉矩與轉速有關 ˉ
2. 一部 4P、220V、60Hz 的三相感應電動機,滿載時轉子頻率為 2.4Hz,則氣隙功率與 機械功率的比值為何? (A) 0.96 (B) 1.04 (C) 1.12 (D) 1.20
3. 一部 6P、200V、50Hz 的三相感應電動機,滿載時轉差率為 0.04、轉矩為 35 牛頓-公尺, 則電動機的滿載功率約為多少? (A) 3.5 kW (B) 7.0 kW (C) 4.2 kW (D) 8.4 kW
4. 分相式單相感應電動機的主繞組電流相量為 I M ,啟動繞組電流相量為 I A ,電源電壓相量 為 V ,則下列敘述何者正確? (A) I A 超前 I M 約 90 ° (B) I A 超前 V (C) I A 落後 V (D) I M 超前 I A 約 90 °
5.,則發電機每相感應電壓 為何?(cos37=0.8,sin37=0.6) (A)290V (B)260V (C)230V (D)200V
6.承上題,發電機的電壓調整率約為多少? (A)-9% (B)6% (C)-6% (D)9%
7.關於三相同步發電機的特性曲線,下列敘述何者正確? (A)負載特性曲線橫座標為激 磁電流,縱座標為電樞電流 (B)負載特性曲線橫座標為發電機端電壓,縱座標為激磁電 流 (C)激磁特性曲線橫座標為發電機端電壓,縱座標為激磁電流 (D)激磁特性曲線橫 座標為電樞電流,縱座標為激磁電流
8.一部三相同步電動機在正常激磁下工作,負載固定不變,將電動機的激磁電流調小, 則下列敘述何者錯誤? (A)電樞電流變大 (B)功率因數變大 (C)功率因數為滯後 (D)轉速不變
9.下列何種電動機可用開迴路控制方式來進行精密的定位控制? (A)步進電動機 (B) 直流伺服電動機 (C)蔽極式單相感應電動機 (D)單相推斥交流電動機
10.下列何者是磁通密度單位? (A)韋伯(Wb) (B)韋伯/公尺 (C)韋伯/平方公尺 (D)安培-公尺
11.下列何者不是直流發電機並聯運用的優點? (A)增加負載電壓 (B)運轉效率提升 (C)不受單機容量之限制 (D)提高供電可靠度
12.一部並激式直流發電機提供 300V、4.5kW 的負載,已知電樞電流 17A,電樞電阻 0.1Ω, 在不考慮電樞反應及電刷壓降下,下列敘述何者錯誤? (A)激磁電流 2A (B)激磁場電 阻 150Ω (C)負載電流 15A (D)電樞感應電動勢 305V
13.關於串激式直流電動機的特性,下列敘述何者正確? (A)轉矩與電樞電流成正比 (B)轉矩與電樞電流平方成正比 (C)激磁場磁通量與電樞電流平方成正比 (D)激磁場磁 通量與電樞電流成反比
14.一部 5kW、200V 串激式電動機,其電樞電阻 0.1Ω,激磁場電阻 0.2Ω,起動電阻 2Ω, 則額定電壓起動時的啟動電流為何? (A)87A (B)100A (C)113A (D)74A
15.關於直流電動機轉速控制的敘述,下列何者錯誤? (A)電樞電壓控制法是利用外加 的電源電壓來控制轉速,電樞端電壓越大,轉速越快 (B)串激式電動機的激磁場轉速控 制法,是在串激磁場繞組串聯變阻器以控制轉速 (C)電樞電阻控制法是在電樞電路中串 聯一可變電阻以調整轉速 (D)分激式電動機的激磁場轉速控制法,是在分激磁場串聯變 阻器以控制轉速
16.關於變壓器的敘述,下列何者正確? (A)變壓器可提高電壓,亦可提高電流,所以 變壓器可視為一功率放大器 (B)變壓器之銅損可由短路測試求得 (C)變壓器可改變輸 入電壓之頻率 (D)固定電源電壓下,變壓器之負載越大,鐵損越大
17.一部 220/55V 理想降壓自耦變壓器,二次側供電給 55V、2.2kW 的負載,則下列敘 述何者錯誤? (A)負載電流 40A (B)串聯繞組流過的電流 10A (C)共同繞組流過的電 流 60A (D)串聯繞組端的電壓 165V
18.圖(一)是 OPA 電路的輸出波形 Vo,示波器使用×1 的探棒,垂直與水平刻度分別為 2V/DIV、1ms/DIV,則輸入信號 Vi的峰值電壓為多少?
19.在測量放大器的輸入信號電壓或輸出電壓時,示波器的選擇開關通常應放置在何位 置? (A)Series (B)GND (C)AC (D)Trigger
20.如圖(二)的共射極放大電路,若射極旁路電容器開路,則電壓增益有何變化?
(A) 不變 (B)減小 (C)增加 (D)零
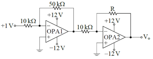
21.圖(三)之 OPA 為理想元件,甲同學使用直流電壓表測得輸出 Vo=+10V,乙同學 重作該電路時,在所有數值不變下,卻誤將 OPA2 的二輸入端接反,此時若以直流電壓 表測量輸出 Vo 是多少?
(A)+10V (B)+15V (C)-10V (D)可能是+12V 或-12V
22.一個 555 無穩態多諧震盪器,內部的上比較器電路第 5 腳參考電壓是(2/3)Vcc,通 常未使用時會接一個電容器,此電容器之功用是? (A)放大作用 (B)整流作用 (C)相 移作用 (D)避免雜訊
23.請問圖(四)是由運算放大器組成的哪一種振盪器電路?輸出 Vo 相移幾度?
(A)RC 相移振盪器電路、相移 0 (B)RC 相移振盪器電路、相移 90 (C)韋恩電橋振盪器電路、 相移 0 (D)韋恩電橋振盪器電路、相移 90
24.以下所示的四個輸出特性曲線,何者為 P 通道 E-MOSFET 的輸出特性曲線?
25.將信號產生器接於圖(五)的輸入端 Vi ,且示波器的 CH1 接至電路之輸入端 Vi ,CH2 接至電路的輸出端 Vo,調整輸入信號 Vi為 1kHz 正弦波。請問輸出與輸入波形之振幅及 相位關係為何?
(A)輸入與輸出波形同相位,Vo 振幅小於 Vi (B)輸入與輸出波形相位 相差 180 度,Vo 振幅小於 Vi (C)輸入與輸出波形同相位,Vo 振幅大於 Vi (D)輸入與輸 出波形相位相差 180 度,Vo 振幅大於 V
26.當火災發生時,關於滅火的敘述,以下何者有誤? (A)化學藥品及油類所引起的火 災,可使用二氧化碳、乾粉等滅火器或水予以撲救較為有效 (B)滅火時應優先將火場內 的電源先予截斷 (C)滅火最重要時刻是剛起火的數分鐘內 (D)一般物質的初期火災, 可以考慮用沙、土或水等加以覆蓋撲滅
27.就整流電路而言,半波整流、全波整流及橋式整流電路之比較,以下敘述何者錯誤? (A)此三者其二極體使用數依序分別為 1,2,4 個 (B)此三者其二極體逆向電壓峰值 PIV 依序分別為 Vm,Vm,2Vm(Vm為輸入電壓的峰值) (C)此三者其輸出時二極體導通數 依序分別為 1,1,2 個 (D)此三者其輸出電壓的平均值(直流值)依序分別為 Vm/, 2Vm/,2Vm/
28.若要判斷二極體的好壞,可以使用三用電表的何種檔位? (A)DCV 檔 (B)DCmA 檔 (C)歐姆檔 (D)ACV 檔
29.圖(六)所示電路中二極體為理想二極體,若輸入電壓 Vi為介於+12V 至-12V 之正 弦波,則其輸出電壓 Vo 的最大值與最小值分別為何?
(A)+30V,+6V (B)+18V, -6V (C) +6V,-18V (D)-6V,-30V
30.以三用電表判斷電晶體是 NPN 或 PNP 時,首先的步驟是將三用電表旋轉至 R×1K, 然後將測試棒接觸在三個接腳中的二個接腳,使三用電表的指針產生大偏轉,則這二個 接腳中必有一腳為以下何者? (A)基極 B (B)集極 C (C)射極 E (D)以上三者皆有可 能
31.圖(七)為達靈頓電路,若 β1 為電晶體 Q1 的 β 值(電流增益),β2為電晶體 Q2的 β 值,則其總電流增益(IE2/IB1)約為多少?
(A)(β1×β2)/(β1+β2) (B)(1+β2) /(1+β1) (C)β1+β2 (D)β1×β2
重新載圖
32.在電晶體輸出特性曲線中,電晶體工作於哪一個區域,集極電流 IC會明顯的受到 VCE 大小的影響?
(A)工作區 (B)截止區 (C)飽和區 (D)不一定(E)本題送分
33.圖(八)的射極回授偏壓電路,就其回授過程而言,以下敘述何者錯誤?
(A)當溫 度增加時,集極電流增加,射極電壓 VE也隨之增加 (B)當射極電壓 VE增加,且基極電 壓 VB固定不變,則基-射極電壓 VBE將減少 (C)當基-射極電壓 VBE減少,集極電流 也會減少 (D)就穩定性而言,射極回授偏壓電路與固定偏壓電路大致相等
34.使用 LCR 表測量電阻器、電感器及電容器,下列敘述何者正確? (A)測量電容器時, 先將測試棒兩端短路,再做歸零調整 (B)測量電感器時,先將測試棒兩端開路,再做歸 零調整 (C)測量電阻器時,先將測試棒兩端短路,再做歸零調整 (D)不需做歸零調整
35.如圖(九)所示電路,Vi輸入一方波電壓,由示波器所量測介於 Vi與 Vo間的電阻 R 電壓波形(Vi-Vo)為何?
36.如圖(十)所示電路,已知諧振頻率為 fr=455kHz,頻寬為 BW=10kHz,諧振阻抗 為Z=600Ω,則電路的 L 與 C 值為何?
(A)L=6.4μH,C=30nF (B)L=10μH,C=30nF (C)L=4.6μH,C=26.5nF (D)L=26.5μH,C=4.6nF
37.一部電腦消耗的平均功率為 250W,連續使用 8 小時,共消耗多少度電? (A)8 度 (B)6 度 (C)4 度 (D)2 度
38.若把 1P 的啟動器拿到 40W 日光燈使用,則會觀察到何種現象? (A)兩端會亮而中 間不亮,呈白霧狀 (B)中間亮而兩端不亮 (C)燈完全不亮 (D)可正常點燈
39.吹風機使用時間過長而自動停止,經過一段時間後又可以再使用,則其主要原因為 何? (A)電熱絲斷掉 (B)溫度開關動作 (C)馬達線圈燒毀 (D)變壓器不良
40.已知三相電源接線端為 R、S、T,三相感應電動機接線端為 U、V、W,已知電動機 正轉時的接法為 R-U,S-V,T-W,則下列何種接法仍使電動機維持正轉? (A)R -V,S-U,T-W (B)R-V,S-W,T-U (C)R-W,S-V,T-U (D)R-U,S -W,T-V
41.電磁開關(MS)之積熱電驛(Th-Ry)的功能為何? (A)過載電流保護 (B)限時 作動 (C)線路接地 (D)提高功率
42.關於 60/40,0.8mm 的銲錫,下列敘述何者正確? (A)含銅量 60% (B)含銀量 60% (C)含鉛量 60% (D)含錫量 60%
43.測量電熱器(H)所消耗功率,如圖(十一)所示,則下列敘述何者正確?
(A)甲是 電流表且內阻愈小愈好,乙是電壓表 (B)甲是電流表且內阻愈大愈好,乙是電壓表 (C) 甲是電壓表且內阻愈小愈好,乙是電流表 (D)甲是電壓表且內阻愈大愈好,乙是電流表
44.如圖(十二)所示電路,AB 兩端電壓值為何?
(A)2V (B)4V (C)6V (D)9V
45.如圖(十三)所示電路,其中 G 為檢測用電流計,則電流 I 之值為何?
(A)8mA (B)6mA (C)4mA (D)3mA
46.如圖(十四)所示電路,電阻 RL值為何時有最大功率?
(A)12Ω (B)20Ω (C)24Ω (D)4Ω
47.下列何者適合裝置於分路上潮濕的處所,例如浴室、廚房、路燈、電動遊樂設備等場 所,可防止人員感電傷害、能源及設備的損失? (A)無熔絲開關 (B)漏電斷路器 (C) 瓦時計 (D)鉤式電流表
48.交流電源 1Φ2W 插座,如圖(十五)所示,下列敘述何者正確?
(A)甲是火線,乙 是中性線,丙是地線 (B)甲是中性線,乙是火線,丙是地線 (C)甲是火線,乙是地線,選擇建功‧12‧尊榮一生 丙是中性線 (D)甲是地線,乙是火線,丙是中性線
49.接地的主要目的是 (A)防止感電事故 (B)提高功率 (C)防止地層下陷 (D)節能減 碳
50.由聚乙烯製成,具高抗酸、高抗鹼功能的絕緣膠帶是 (A)油布帶 (B)皮黑膠帶 (C) 橡皮膠帶 (D)PVC 絕緣膠帶
申論題 (0)
相關試卷
114年 - 114 身心障礙學生升學大專校院甄試試題_四技二專組(電機與電子群電機類、電機與電子群資電類):基本電學、基本電學實習、電子學實習#137230
114年 · #137230
114年 - 114 身心障礙學生升學大專校院甄試試題_四技二專組(電機與電子群電機類、電機與電子群資電類):基本電學、基本電學實習、 電子學、電子學實習#137214
114年 · #137214
114年 - 114 身心障礙學生升學大專校院甄試試題_四技二專組_電機與電子群電機類_專業科目(二):電工機械、電工機械實習#129034
114年 · #129034
114年 - 114 四技二專統測_電機與電子群資電類_專業科目(二):電工機械、電工機械實習#128986
114年 · #128986
113年 - 113 四技二專統測_電機與電子群資電類_專業科目(二):電工機械、電工機械實習#119580
113年 · #119580
112年 - 112 身心障礙學生升學大專校院甄試試題_四技二專組_電機與電子群電機類_專業科目(二):電工機械、電工機械實習#118648
112年 · #118648
112年 - 112 身心障礙學生升學大專校院甄試試題_四技二專組_電機與電子群資電類_專業科目(一):基本電學、基本電學實習、電子學、電子學實習#118645
112年 · #118645
112年 - 112 四技二專統測_電機與電子群電機類_專業科目(二):電工機械、電工機械實習#114334
112年 · #114334
111年 - 111 身心障礙學生升學大專校院甄試試題_四技二專組_電機與電子群電機類_專業科目(二):電工機械、電工機械實習#118905
111年 · #118905
111年 - 111 四技二專統測_電機與電子群電機類_專業科目(二):電工機械、電工機械實習#107699
111年 · #107699