阿摩線上測驗
登入
首頁
>
工程力學概要
> 102年 - 102 地方政府特種考試_四等_建築工程:工程力學概要#25826
102年 - 102 地方政府特種考試_四等_建築工程:工程力學概要#25826
科目:
工程力學概要 |
年份:
102年 |
選擇題數:
0 |
申論題數:
4
試卷資訊
所屬科目:
工程力學概要
選擇題 (0)
申論題 (4)
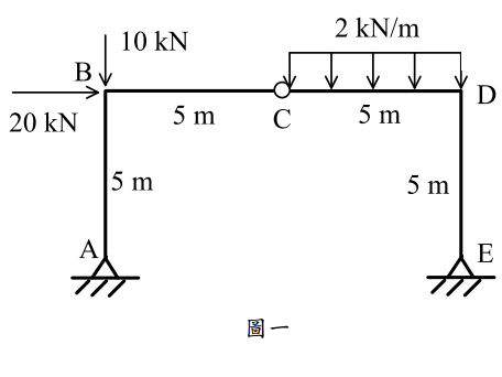
【已刪除】一、如圖一所示之結構,試求出 A 點及 E 點之反力。(25 分)
【已刪除】二、如圖二所示之桁架,各桿件都有相同之楊氏模數 E = 200 GPa、斷面積 A = 500 mm
2
。 今於 a 點施加一個 70 kN 之水平力,試求各桿件之軸力。請繪製該桁架並將桿件受 力寫在桿件旁,張力為正、壓力為負。(25 分)
【已刪除】三、試繪圖三所示梁結構之剪力圖與彎矩圖。(25 分)
【已刪除】四、如圖四之結構,ab、cd 及 ef 都為軸力桿件,三桿件以剛性結構(繪黑色部分)連結, 已知 ab、cd 及 ef 桿件長度分別為 10 m、5 m 及 10 m 且各桿件之楊氏模數 E 與其斷 面積 A 之乘積如下:(EA)
ab
= 10000 kN、(EA)
cd
= 10000 kN、(EA)
ef
= 30000 kN。今 施加一個水平力 12 kN 於該剛性結構上,若該剛性結構僅有向右平移,並無轉動。 試問施力點位置 y 為何?又此時每根軸力桿件之軸力為何?(25 分)
相關試卷
113年 - 112 臺灣菸酒股份有限公司_從業職員及從業評價職位人員甄試_從業職員_機械(中區):工程力學#137422
113年 · #137422
113年 - 113 臺灣菸酒股份有限公司_從業職員及從業評價職位人員甄試_從業職員_機械(南二區):工程力學#137381
113年 · #137381
112年 - 112 地方政府特種考試_四等_建築工程:工程力學概要#118375
112年 · #118375
112年 - 112 原住民族特種考試_四等_土木工程:工程力學概要#116538
112年 · #116538
112年 - 112 普通考試_土木工程、建築工程:工程力學概要#115704
112年 · #115704
112年 - 112 鐵路特種考試_員級_建築工程:工程力學概要#114936
112年 · #114936
112年 - 112 身心障礙特種考試_四等_土木工程:工程力學概要#113902
112年 · #113902
111年 - 111 地方政府特種考試_四等_建築工程:工程力學概要#112370
111年 · #112370
111年 - 111 原住民族特種考試_四等_土木工程:工程力學概要#110673
111年 · #110673
111年 - 111 普通考試_土木工程、建築工程:工程力學概要#109649
111年 · #109649