阿摩線上測驗
登入
首頁
>
工程力學(含靜力學、動力學與材料力學)
> 102年 - 102 高等考試_三級_機械工程:工程力學(包括靜力學、動力學與材料力學)#25834
102年 - 102 高等考試_三級_機械工程:工程力學(包括靜力學、動力學與材料力學)#25834
科目:
工程力學(含靜力學、動力學與材料力學) |
年份:
102年 |
選擇題數:
0 |
申論題數:
5
試卷資訊
所屬科目:
工程力學(含靜力學、動力學與材料力學)
選擇題 (0)
申論題 (5)
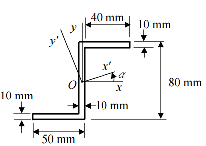
【已刪除】一、有一樑的截面如圖所示, 試求此截面之面積二次矩 I
x
、I
y
、I
xy
及極慣性矩 J
0
;(5 分) 試求此截面之主軸(principal axes)方向之角度α;(5 分) 試求此截面在不同座標x ′、 y ′之最大及最小面積二次矩 I
max
、I
min
;(5 分) 若此截面承受 M
x
彎矩,試以不對稱彎曲(unsymmetrical bending)之觀念判斷說 明此樑之撓曲變形特徵。(5 分)
【已刪除】二、如圖一所示重量為 1000 N 之物體置於靜摩擦係數為 0.3、動摩擦係數為 0.2 之水平 面上,假設拉力 F 隨時間之變動如圖二所示, 試繪出摩擦力隨時間之變動曲線;(10 分) 假設物體初始位置 x=0,且重力加速度為 10 m/s
2
,試繪出 x 隨時間之變動曲線。 (10 分)
【已刪除】三、如圖之套筒滑塊 C 質量為 1.2 kg,可在無摩擦之水平滑軌上自由移動,其下方分別 以彈簧常數為 k=400 N/m 之彈簧連接到三個固定點 A、D、B,彈簧之自由長度為 150 mm,試求滑塊 C 從圖示位置靜止釋放後,可達到之最高速度。(20 分)
【已刪除】四、如圖之馬達動力源由 A 端傳動之轉速為 192 rpm、功率為 300 kW,而由 B 齒輪及 C 齒輪分別傳出之功率為 120 kW 及 180 kW。假設軸為實心且均一直徑 d,剪力模數 G=75 GPa,容許剪應力為 50 MPa,A、C 兩端間之容許扭轉角為 0.02 rad,試求設 計應選用之軸直徑 d。(20 分)
【已刪除】五、如圖所示之簡支樑具有階梯之截面,其中 I
1
=I、I
2
=3I,中心點 C 承受一集中負載 P, 材料楊氏係數為 E,試求因 P 所產生端點之撓曲斜角及中心點 C 之撓曲位移。(20 分)
相關試卷
114年 - 114 專技高考_機械工程技師:工程力學(包括靜力學、動力學與材料力學)#133710
114年 · #133710
114年 - 114 公務升官等考試_薦任_機械工程:工程力學(包括靜力學、動力學與材料力學)#133242
114年 · #133242
114年 - 114 專技高考_專利師(選試專業英文及工程力學)、專利師(選試專業日文及工程力學):工程力學#130105
114年 · #130105
114年 - 114 關務特種考試_三等_機械工程(選試英文):工程力學(包括靜力學、動力學與材料力學)#126623
114年 · #126623
113年 - 113 臺灣菸酒股份有限公司_從業評價職位人員試題_鍋爐:工程力學#132351
113年 · #132351
113年 - 113 專技高考_機械工程技師:工程力學(包括靜力學、動力學與材料力學)#123897
113年 · #123897
113年 - 113 專技高考_造船工程技師:工程力學(包括靜力學、動力學與材料力學)#123895
113年 · #123895
113年 - 113 專技高考_專利師(選試專業英文及工程力學)、專利師(選試專業日文及工程力學):工程力學#122211
113年 · #122211
113年 - 113 關務特種考試_三等_機械工程(選試英文):工程力學(包括靜力學、動力學與材料力學)#119496
113年 · #119496
113年 - 113 臺灣港務股份有限公司_新進從業人員甄試_師級_機械:工程力學(包括靜力電、動力學與材料力學)#118827
113年 · #118827