所屬科目:工程力學(含靜力學、動力學與材料力學)
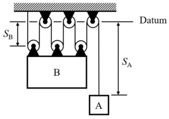
一、如圖所示,A、B 兩物塊之重量分別為 10 kg 與 120 kg,整個滑輪系統的 纜繩長度為固定,初始為靜止狀態。試求從靜止釋放後,當 B 物塊速度達到 0.5 m/s 時,A 物塊之速度與物塊 B 移動之距離各為何?(重力加 速度為 9.81 m/s2)(25 分)(註:滑輪與支承座之重量可忽略不計)
二、如圖所示,請繪製桿件受力之自由體圖,並試求支承 O 上之反力大小及方向(含角度)與繩索 AB 之張力?(25 分)
三、如圖所示,試求桁架中的 AB、BD、BE、DE 和 CE 桿件之受力,並說明為張力或壓力。(25 分)
(一)計算主應力 σ1、σ2,並繪製平面應力圖(含角度) 。(15 分)
(二)計算最大剪應力。 (10 分)