阿摩線上測驗
登入
首頁
>
A.電子概論、B.機械常識
> 103年 - 中油雇員招考 A.電子概論、B.機械常識#28467
103年 - 中油雇員招考 A.電子概論、B.機械常識#28467
科目:
A.電子概論、B.機械常識 |
年份:
103年 |
選擇題數:
62 |
申論題數:
0
試卷資訊
所屬科目:
A.電子概論、B.機械常識
選擇題 (62)
1.一般若要測量一公差爲±0.05mm的車床製階級零件,採用下列何種量具較爲適宜? (A)分厘卡 (B)鋼尺 (C)游標卡尺 (D)三次元測量儀
2.下列哪一種材料常用於製作螺絲起子等各式工具? (A)低碳鋼 (B)鑄鐵 (C)純鋁 (D)高碳鋼
3.虎鉗規格以下列何者表示之? (A)虎鉗重量 (B)鉗口寬度 (C)虎鉗材質 (D)虎鉗高度
4.在CNS規範中,公制三角螺紋的規格可分爲哪兩種? (A)粗牙與特細牙 (B)粗牙與特粗牙 (C)粗牙與細牙 (D)細牙與特細牙
8.使用精密車床做兩頂心間之車削工作,一般採用哪種工具牽引工件旋轉? (A)彈簧套筒 (B)三爪連動夾頭 (C)雞心夾頭 (D)四爪單動夾頭
9.假設輸入軸是等角速度運動,經由下列何者傳動之後,其輸出軸呈間歇運動? (A)歐丹聯結器 (B)日內瓦機構 (C)萬向接頭 (D)汽車減速機
10.操作車床加工時,不得使用下列何種防護具? (A)安全眼鏡 (B)手套 (C)安全鞋 (D)耳塞
11.一人向北行10 m,轉向東行5 m,再轉向南行5 m,其位移量爲多少m ? (A)5 (B)
(C)10 (D)15
12.下列哪種量規適用於大量且快速的精密內孔直徑量測? (A)游標尺 (B)分厘卡 (C)柱塞規 (D)環規
13.如【圖13】所示爲行星輪系,其中A爲旋臂,B和C各爲具有32和24齒的齒輪,假若輪B固定,旋臂依順 時方向旋轉150 rpm,則齒輪C之轉速及方向應爲多少?
(A)125rpm順時針 (B) 125 rpm 逆時針 (C) 350 rpm 順時針 (D) 75 rpm 逆時針
14. 一般機械零件圖所標示單位以下列何者爲主?
(A)μ m (B) mm (C) cm (D) m
15.在機械領域中,常可聽到俗稱“1條”的單位,下列何者爲其正確之大小? (A) 0.001 mm (B) 0.01 mm (C) 0.1 mm (D) 1 mm
16.在中華民國國家標準(CNS)碳鋼的規格中,S20C代表此材料爲下列何者? (A)低碳鋼 (B)中碳鋼 (C)高碳鋼 (D)鑄鐵
17.下列選項中,何者之硬度爲最低? (A)鑄鐵 (B)鑽石 (C)純鋁 (D)碳鋼
18.黃銅與青銅主要是各在銅中加入何種金屬元素? (A)鋅和錯 (B)鋅和錫 (C)錫和銘 (D)錫和錯
19.下列哪種金屬之導電性最高? (A)銀 (B)銅 (C)金 (D)鋁
20.電腦數値控制機台常用滾珠軸承作爲傳動機構元件,下列何者爲一般滾珠軸承常使用的潤滑劑? (A)黃油 (B)機油 (C)煤油 (D)太古油
21.—般而言,下列何者之傳動不易打滑,因此速比較爲準確? (A)皮帶輪傳動 (B)摩擦輪傳動 (C)凸輪傳動 (D)齒輪傳動
22.常用於傳遞腳踏車前輪與後輪動力者,是哪種傳動方式? (A)凸輪 (B)摩擦輪 (C)皮帶 (D)鍊條
23.下列何者爲電燈泡上所使用之鎖緊螺紋? (A)V型螺紋 (B)圓螺紋 (C)梯形螺紋 (A)方螺紋
24.有關管路之永久接頭,下列何者爲較佳之固定接合方式? (A)鉚接固定 (B)以螺紋連接固定 (C)膠帶黏貼固定 (D)熔接固定
25.有關吊車或堆高機的安全操作,下列何者錯誤? (A)未經指派訓練不得自行操作 (B)提吊物品之工作路徑應避開有工作者之上空 (C)不得於機具操作上方放置滅火器 (D)若遇停電應立即關閉電源
26.工作場所中若遇意外電擊,哪一器官被電流直接通過時,對工作者產生之危險性最高? (A)心臟 (B)肺部 (C)腳底 (D)耳部
27.有關CNS所採用的表面粗糖度是採用下列何者爲標準? (A)十點平均粗糙度 (B)五點平均粗糙度 (C)最大高度粗糙度 (D)中心線平均粗糙度
28.下列何種銼刀較適用於一般鉗工作業之修毛邊等精細加工? (A)粗方銼 (B)圓銼刀 (C)三角挫 (D)單切齒細平挫
29.並聯的兩條拉伸彈簧,其彈簧常數分別爲10 kg/cm及30 kg/cm,若承受160 kg之荷重,則其總撓曲量5爲多少? (A)4 mm (B)4 cm (C)8 mm (D)8 cm
30.下列哪樣刀具可以用來製造外螺紋? (A)螺絲攻 (B)螺絲鏌 (C)鉸刀 (D)鑽頭
31 .請問哪種齒輪可用於兩軸既不平行也不相交之傳動? (A)蝸桿蝸輪 (B)螺旋傘齒輪 (C)內齒輪 (D)人字齒輪
32.如【圖32】所示之齒輪系,其中輪A齒數爲12T、輪B爲30 T、輪C爲36 T ’以及輪D爲15 T,假設輸出輪 B的轉速爲300 rpm,則輸入輪A之轉速爲多少rpm ?
(A)1000 (B)1800 (C) 2000 (D) 3000
33.兩配合件間的微小間隙,其尺寸可用下列哪種工具測量? (A)厚薄規 (B)環規 (C)節距規 (D)正弦規
34.鉸刀前端一般都有做倒角設計,其主要目的爲何? (A)爲了鉸刀美觀 (B)增加切削速度 (C)導引鉸刀進入孔內 (D)保護鉸刀刀刃
35.車床車削圓桿工件,已知圓桿直徑爲60 mm,切削速度爲22.6 m/min,則工件轉速爲多少rpm ? (A)100 (B)120 (C)130 (D)140
36.假若軸徑爲
,孔徑爲
,配合時最大餘隙爲多少mm ? (A) 0.007 (B) 0.009 (C) 0.02 (D) 0.025
37.雙線蝸桿與60齒之蝸輪嚙合運轉’若蝸桿轉速爲600 rpm,則蝸輪轉速爲多少rpm ? (A)5 (B)10 (C)20 (D)30
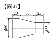
38.如【圖38】所示之工件’其錐度値爲:
(A) 1/4 (B) 2/5 (C) 4/5 (D) 1/2
39.兩相嚙合之正齒輪對,其節圓相切之點稱爲: (A)切點 (B)交點 (C)節點 (D)漸開線起始點
40.假設公制分釐卡螺距爲1 mm,套筒刻度分成100等分,則最小讀値應爲多少mm? (A) 0.5 (B) 0.1 (C) 0.01 (D) 0.001
41.某週期性的正弦波信號,在2秒內完成10週變化,則其頻率爲多少? (A) 1Hz (B) 5 Hz (C) 10 Hz (D) 20 Hz
42+請問正弦波之波峰因素(Crest Factor ’ C F)爲何?
43.自由電子存在於半導體中的哪一個能帶? (A)價電帶 (B)能隙 (C)傳導帶 (D)禁止帶
44.在P型與N型半導體接合時,接合面形成的空乏區,其作用爲何? (A)抑制漂移電流 (B)增加漂移電流 (C)增加擴散電流 (D)抑制擴散電流
45.有關稽納二極體崩潰的敘述,下列何者正確? (A)稽納崩潰之崩潰電壓屬於正溫度係數 (B)稽納崩潰摻雜的雜質濃度比累增崩潰摻雜濃度低 (C)稽納二極體接順向偏壓可造成崩潰 (D)摻雜濃度高則崩潰電壓較低
46.發光二極體中,哪一顏色的能隙最低? (A)紅色 (B)黃色 (C)綠色 (D)藍色
47.使用四顆二極體組成的橋式整流電路中,輸入爲有效値10V,60Hz正弦波信號,則每個二極體所承受的逆向峰 値電壓(piv)爲多少? (A) 10V (B) 10√ 2V (C) 20 V (D) 20√ 2V
48.如【圖48】所示,二極體爲理想,則輸出Vo波形範圍爲何?
(A)-5V〜5 V
(B)0V〜5 V
(C)0 V〜10 V
(D)-10 V〜0 V
49.下列哪種電晶體放大組態,具有最高的輸入阻抗及最低的輸出阻抗?
(A)共射極(CE)放大 (B)共基極(CB)放大 (C)共集極(CC)放大 (D)共閘極(CG)放大
50.如【圖50】所Tjt,電晶體/3 =100,Vbe=0.7 V,則其Vce=?
(A)10.5 V (B) 11.6 V (C) 2.2 V . (D) 0V
51.如【圖51】所示,電晶體β=100,rπ= lkΩ,其電壓增益Av=Vo/Vi爲何?
(A)-250 (B)-200 (C) +200 (D) +0.4
52.在場效應電晶體中,欲使N通道JFET的導通條件爲何?
53.如【圖53】所示爲倍壓電路,若Vi = 5Ssinωt,二極體視爲理想,試問輸出電壓Vo爲多少?
(A)5 V (B)7.07 V (C)10V (D) 14.14 V
54.有關場效應電晶體之敘述,下列何者錯誤?
(A)場效應電晶體爲單一載子形成電流
(B)場效應電晶體爲電場V
GS
控制電流I
D
的元件
(C)場效應電晶體從閘極看入的輸入阻抗較電晶體從基極看入的輸入阻抗高
(D)接面場效應電晶體(JFET)要產生I
D
電流必須閘源極電壓
55.有關理想運算放大器的特性,下列何者錯誤? (A)輸入阻抗無限大 (B)開迴路電壓增益無限大 (C)輸入抵補電壓無限大 (D)轉動率(Slew Rate,SR)無限大
56.如【圖56】所示,OPA爲理想’若輸入電壓Vi等於3V ’則輸出電壓Vo爲何?
(A) 4V (B) 6V (C) 9V (D) 12V
57.溫度每上升1°C,矽二極體兩端的順向偏壓會如何變化? (A)上升約1 mV (B)下降約1 mV (C)下降約2.5 mV (D)上升約2.5 mV
58.若電晶體偏壓電路中’基極電流I
B
=10μA,集極電流Ic=lm A ’射極電流I
E
=1.01mA,則共射極電流增益13爲何? (A)99 (B)100 (C)101 (D)0.9
59.電晶體放大電路中,哪些元件會影響到高頻響應? (A)電晶體偏壓電路中的射極旁路電容 (B)電晶體的極際電容 (C)放大電路接至輸出負載的交連電容 (D)輸入信號連接至放大器的交連電容
60有關多級放大電路,下列敘述何者錯誤?
(A)若每一級的電K增益大於1,串接級數越多,輸出頻寬越寬
(B)若每一級的電壓增益大於1,串接級數越多,總增益越大
(C)若總增益等於OdB,代表輸出信號振幅等於輸入信號
(D)第一級放大若使用差動放大器,可以增加輸入阻抗與抗雜訊能力
61.如【圖61】所示,電晶體β=10,V
BE
及V
CE(sat)
忽略不計,LED之發光電壓Vf=2 V,試求R
B
及Rc適當電阻値?
(A) Rc=250 Ω,Rb=250 Ω
(B) Rc=2.5kΩ,RB=1.5kΩ
(C) Rc=150 Ω,Rb=2.5 kΩ
(D) Rc=150Ω,Rb=1.5 kΩ
62.某系統具有三級串接放大器,第一級電壓增益爲5倍,第二級電壓增益爲10 dB,第三級電壓增益爲20倍,則 其總電壓增益爲多少dB ? (A) 30 dB (B) 50 dB (C) 400 dB (D) 1000 dB
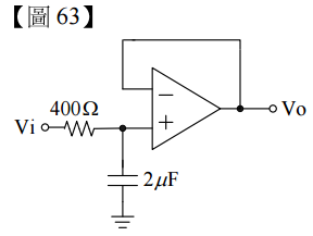
63.如【圖63】所示爲OPA —階低通濾波器,OPA爲理想,欲使輸出Vo與輸入Vi相位差45度, 則Vi的頻率約爲多少?
(A) 200 Hz (B) 625 Hz (C) 800 Hz (D) 1250 Hz
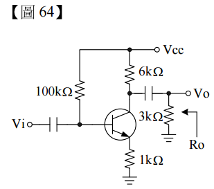
64.如【圖64】所示,電晶體之β =50,r
π
= lkΩ,試求電壓增益
與輸出阻抗Ro爲多少?
(A) Av=-50,Ro=3kΩ
(B) Av二—100,Ro=2kΩ
(C) Av=-2,Ro=3kΩ
(D) Av=-2,Ro=2kΩ
65.如【圖65】所示,JFET之I
DSS
= 4 mA,Vp=-4 V,電路偏壓於夾止區,下列敘述何者正確?
(A) Rs=2kΩ (B)Rs=6kΩ (C) Rd=6 kΩ (D) RD=8kΩ
申論題 (0)
相關試卷
112年 - [無官方正解]112 台灣糖業股份有限公司_新進工員甄試_儀電:A.電子概論#137702
112年 · #137702
105年 - 中油僱員招考 A.電子概論、B.機械常識#73075
105年 · #73075