所屬科目:A.電子概論、B.機械常識
4.如【圖 4】所示,若 LED 順向電壓為 2 V,內阻為 100 Ω,則流過 LED 的電流為多少? (A)15 mA (B) 20 mA (C)25 mA (D)40 mA
5.如【圖 5】所示,欲使稽納(Zener)二極體正常工作,其 RL最小值為: (A) 0 Ω (B) 10 Ω (C)30 Ω (D)50 Ω
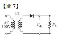
7.如【圖 7】之電路,二極體為理想,則輸出平均值電壓 Vdc為多少?(A)Vdc = 31.8V (B) Vdc = 63.6V (C)Vdc = 141.4V (D)Vdc = 90V
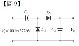
9.如【圖 9】所示為倍壓器電路,若 D1、D2為理想二極體,則輸出電壓 Vo為多少? (A) 141 V (B) -141 V (C)200 V (D)-200 V
10.如【圖 10】所示電路中,若 Vi =10sin t(伏特),二極體為理想的,則下列敘述何者正確? (A)當ωt = π / 2 時;Vo =15V (B)當ω t = -π / 2 時;Vo = -5V (C)當ω t = π / 6 時;Vo = 0V (D)當ω t = π - π / 6 時;Vo = 0V
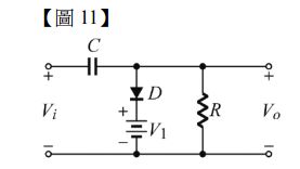
11.如【圖 11】所示電路,V1 = 2V,Vi 為+5V~-5V 的方波,則 Vo為何? (A) +5V ~ -5V 的方波 (B) +2V ~ -8V 的方波(C)+12V ~ +2V 的方波 (D)0V ~ -10V 的方波
13.如【圖 13】為電晶體偏壓電路,其中 RB及 RC為可調電阻,在實驗一中,若固定 RB,則欲使電晶體進入飽和區工作, 則 RC應變大或變小?在實驗二中,若電晶體為順向主動區動作且固定 RC,欲得到較大 IC電流,則 RB應變大或變小? (A)實驗一的 RC變大,實驗二的 RB變小 (B)實驗一的 RC變大,實驗二的 RB變大 (C)實驗一的 RC變小,實驗二的 RB變大 (D)實驗一的 RC變小,實驗二的 RB變小
14.如【圖 14】之電晶體 β=200,順偏時 VBE=0.7V,求集極對地的電壓 VC≒? (A) 3.2 V (B) 5 V (C)8.2 V (D)10.7 V
15.如【圖 15】所示之電路,若β=100,則 IB與 VE約為多少? (A) IB = 20μA,VE = 0V (B) IB = 20μA,VE = 2V (C)IB = 10μA,VE = −1V (D)IB = 10μA,VE = 1V
16.如【圖 16】所示電路,電晶體 α=0.995 且 VBE=0.7 V,求其直流偏壓電壓 VCB為多少? (A) 26V (B) 14V (C)6.8V (D)0.7V
18.如【圖 18】所示,若電晶體 rπ = 2kΩ,β= 100,則 約為多少? (A) 50 (B) 1 (C)0.9 (D)0.5
34.如【圖 34】所示之結構,B 點受水平向左 90 kN 的拉力,C 點連接水平方向的索線,並繞過無摩擦的滑輪再連 接於彈簧常數 K=80 kN/cm 的彈簧;若不考慮 AB 桿件的自重,則系統欲求得平衡,應將 B 點向左拉動多少 cm? (A) 6.225 (B) 8.755 (C)10.125 (D)12.415
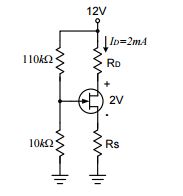
46.如【圖 46】所示電路,工作點設置於 VGS = −2V,VDS = 2V,ID = 2mA,則 Rs 與 RD分別為多少? (A) Rs = 1.5kΩ,RD = 3.5kΩ (B) Rs = 1.5kΩ,RD = 5kΩ (C)Rs = 0.5kΩ,RD = 4.5kΩ (D)Rs = 0.5kΩ,RD = 6kΩ
47.如【圖 47】所示電路為 N 通道空乏型 MOSFET 的偏壓電路,設 VDD=+24V,RD=2kΩ,RG=10MΩ,MOSFET 的 IDSS = 9mA,Vp = − 4.5V,則直流偏壓值 ID與 VDS為何? (A) ID = 9mA,VDS = 6V (B) ID = 2mA,VDS = 20V (C)ID = 9mA,VDS = 18V (D)ID = 0A,VDS = 24V
48.如【圖 48】所示電路,忽略 rd,若 gm = 4mA/V,Rs = 1kΩ ,則 Av=Vo/Vi 為多少? (A) 0.5 (B) 0.8 (C)0.9 (D)1
50.如【圖 50】所示,若 Vi=10sinωt 伏特,且 OPA 之正、負飽和輸出電壓為±10V,則輸出電壓 Vo 範圍為何? (A) 0V (B) −10V~+10V (C)0~+10V (D)−10V~0V
51.如【圖 51】所示電路,Vi 為一對稱三角波,則 Vo 的波形為何? (A)方波 (B)三角波 (C)脈波 (D)正弦波