阿摩線上測驗
登入
首頁
>
鋼筋混凝土學與設計
> 103年 - 103 地方政府特種考試_三等_土木工程:鋼筋混凝土學與設計#31188
103年 - 103 地方政府特種考試_三等_土木工程:鋼筋混凝土學與設計#31188
科目:
鋼筋混凝土學與設計 |
年份:
103年 |
選擇題數:
0 |
申論題數:
4
試卷資訊
所屬科目:
鋼筋混凝土學與設計
選擇題 (0)
申論題 (4)
一、有一懸臂矩形梁,其寬度 b=30 cm,深度 h=60 cm,跨度 3 m,其承受均佈靜載重 (已含自重)3.0 tf/m,自由端承載集中活載重 6
tf
。若拉力側鋼筋採雙排排列,構 材最外受壓纖維至縱向受拉鋼筋斷面重心之距離為 50 cm,構材最外受壓纖維至最 外層縱向受拉鋼筋重心之距離為 53.5 cm,混凝土強度為
f ' c
=315 kgf/cm
2
,鋼筋材料 為 f
y
=4,200 kgf/cm
2
,且鋼筋保護層及上下層間距均依規範最小值之規定。試依規範 規定,此懸臂梁端部所需縱向受拉鋼筋面積 A
s
為何?(25 分)
二、T 形梁截面尺寸為梁腹寬 bw=35 cm,有效翼緣寬 b=90 cm,翼緣厚 hf =10 cm,深 度 h=70 cm。假設梁腹下端有縱向受拉鋼筋 8 根 D32(直徑 db=3.22 cm,截面積 ab =8.143 cm
2
)採雙排排列,箍筋為 D10(直徑 db=0.953 cm,截面積 αb=0.713 cm
2
), 鋼筋保護層及上下層間距均依規範最小值之規定,混凝土強度為
f 'c
=315 kgf/cm
2
, 鋼筋材料為 fy=4,200 kgf/cm
2
。試求此截面可承受彎矩設計強度
φ
Mn為何?(25 分)
【已刪除】三、有一簡支梁為矩形截面,其寬度b=35 cm,深度h=65 cm,混凝土強度為
f
'
c
=315 kgf/cm2, 箍筋為 D10(直徑 db=0.953 cm,截面積 ab=0.713 cm2),材料為
f
yt
=2,800 kgf/cm
2
, 縱向受拉鋼筋為 D32(直徑 d
b
=3.22 cm,截面積 αb=8.143 cm
2
),鋼筋保護層及上 下層間距均依規範最小值之規定,承受圖示之均佈設計靜載重 w
d
=4.0 tf/m(含梁自 重)及中央處集中活載重 P
L
,試根據圖示剪力鋼筋之配置,求解此梁依剪力強度所 能承受之最大設計集中活載重 P
L
。(25 分)
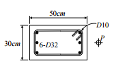
【已刪除】四、有一柱為矩形截面,寬度 b=30 cm,深度 h=50 cm,混凝土強度為 f
'
c=315 kgf/cm
2
, 箍筋為 D10(直徑 d
b
=0.953 cm,截面積 αb=0.713 cm
2
),縱向受拉鋼筋為 6-D32 (直徑 d
b
=3.22 cm,截面積 α
b
=8.143 cm
2
,材料為
f
y
=4,200 kgf/cm
2
),鋼筋保護層 及淨間距均符合規範最小值之規定,已知承受靜載重:軸壓
P
d
=50
tf
,彎矩 M
d
=15 tf-m;活載重:軸壓 P
=40
tf
,彎矩 M
=5
tf-m
。檢核此柱在考量靜載重及活 載重之設計載重作用下,依規範規定是否安全?(25 分)
相關試卷
114年 - 114 地方政府公務、離島地區公務特種考試_三等_土木工程:鋼筋混凝土學與設計#134753
114年 · #134753
114年 - 114 高等考試_三級_土木工程:鋼筋混凝土學與設計#128726
114年 · #128726
113年 - 113-2 國營臺灣鐵路股份有限公司_從業人員甄試試題_第9階-技術員-土木工程:鋼筋混凝土學與設計概要#137156
113年 · #137156
113年 - 113 國營臺灣鐵路股份有限公司_從業人員甄試_第8階-助理工程師-土木工程:鋼筋混凝土學與設計#137104
113年 · #137104
113年 - 113-2 國營臺灣鐵路股份有限公司_從業人員甄試_第8階-助理工程師-土木工程:鋼筋混凝土學與設計#137090
113年 · #137090
113年 - 113-2 國營臺灣鐵路股份有限公司_從業人員甄試_第 9 階-技術員-土木工程:鋼筋混凝土學與設計概要#135450
113年 · #135450
113年 - 113 地方政府公務、離島地區公務特種考試_三等_土木工程:鋼筋混凝土學與設計#124342
113年 · #124342
113年 - 113 高等考試_三級_土木工程:鋼筋混凝土學與設計#121483
113年 · #121483
113年 - 113 國營臺灣鐵路股份有限公司_從業人員甄試_第 9 階-技術員-土木工程:鋼筋混凝土學與設計概要#119089
113年 · #119089
112年 - 112 地方政府特種考試_三等_土木工程:鋼筋混凝土學與設計#118382
112年 · #118382