阿摩線上測驗
登入
首頁
>
初等/五等/佐級◆電子學大意
> 104年 - 104 國家安全情報特種考試_五等_電子組:電子學大意#36416
104年 - 104 國家安全情報特種考試_五等_電子組:電子學大意#36416
科目:
初等/五等/佐級◆電子學大意 |
年份:
104年 |
選擇題數:
40 |
申論題數:
0
試卷資訊
所屬科目:
初等/五等/佐級◆電子學大意
選擇題 (40)
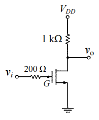
1對於 CMOS(Complementary MOS,又稱互補 MOS)反相器電路,V
DD
爲汲極偏壓,下列敘述何者正確? (A)直流功率耗損較交流功率耗損大 (B) 交流功率耗損大並與 V
DD
成正比 (C)交流功率耗損大並與 V
DD
平方成正比 (D) 交流功率耗損大並與V
DD
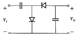
無關
2CMOS 可作爲反相器,其主要特性爲: (A)消耗功率小 (B)只包含一種導電型態的MOSFET (C)輸出由電晶體的源極端接出 (D)雜訊免除性最快
3一般金氧半場效電晶體(MOSFET)是以何種效應控制汲、源極間之電流? (A)光電 (B)電場 (C)崩潰 (D)磁場
4當 BJT 電晶體應用於小訊號放大,此時電晶體應工作於何區域? (A)截止區 (B)主動區 (C)飽和區 (D)崩潰區
5在 P 型半導體中的主要載子是: (A)電洞 (B)電子 (C)質子 (D)離子
6擴散電容(Diffusion Capacitance)主要存在於當 pn 接面: (A)逆偏 (B)順偏 (C)開路 (D)短路
7轉阻放大器之輸入與輸出阻抗特性之敘述,下列何者錯誤? 輸入應爲低阻抗 (A)輸入應爲低阻抗 (B)輸出應爲高阻抗 (C)輸入阻抗與電流放大器之輸入特性相似 (D)輸出阻抗與共汲極放大器之輸出特性相似
8圖示爲理想運算放大器之電路,R
1
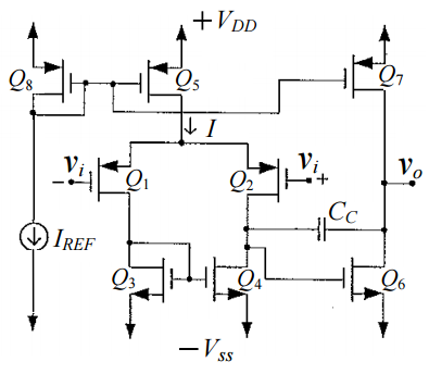
= 1 kΩ、R
2
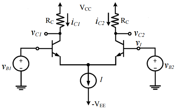
= 20 kΩ、R
L
= 10 kΩ,則其電壓增益 AV =VO/VI? (A) -20 (B) -2 (C) 10 (D) 21
9圖示爲理想運算放大器之電路,R
1
= 1 kΩ、R
2
= 25 kΩ、R
L
= 10 kΩ,則其輸入阻抗 R
i
爲若干 Ω? (A)1 k (B)10 k (C)25 k (D)∞
10下圖爲一個使用 CMOS 傳輸閘組成之邏輯電路,請問輸出 Y 爲何?
(A)
(B)
(C)
(D)
11如圖所示之整流電路,U1 為理想運算放大器。假設二極體導通電壓為 0.7 V,電阻 R
1
=1 kΩ、R
2
=2 kΩ。當 v1=5 V 時,對於二極體 D
1
、D
2
的導通情形,下列敘述何者正確? (A)D
1
導通、D
2
不導通 (B)D
1
、D
2
都導通 (C)D
1
、D
2
都不導通 (D)D
1
不導通、D
2
導通
12 關於 P-N 接面二極體之小訊號導通電阻之敘述,下列何者錯誤? (A)導通電流越大電阻越小 (B)若接面濃度固定,P-N 接面面積越大電阻越小 (C)若電流固定,溫度越高電阻越大 (D)導通電阻與逆向飽和電流成正比
13如圖所示之電路,二極體為理想。v
a
= 100sinωt V,v
b
= 100sin(ωt-180°) V,求其平均輸出電壓 V
o
爲何?
(A)22.51 V (B)47.74 V (C)63.66 V (D)367.46 V
14圖中理想二極體電路輸入正弦波訊號 vi 的峰值為V
m
,請問在幾週期後輸出電壓 vo 的峰值可達 2V
m
? (假設初始狀態各電容電壓降均為零) (A)四分之一週期 (B)二分之一週期 (C)四分之三週期 (D)一週期
15下圖電路是何種電路? (A)積分器 (B)峰值檢波器 (C)對數放大器 (D)指數放大器
16分析下列之電路,若 D1 與 D2 之面積皆相同,若 vi 與 vo 為交流小訊號,C1 與 C2 之電容值為無限大, 則 vo / vi =?
(A)1/10 (B)1/5 (C)5 (D)10
17如圖所示之電路,輸入電壓 vi 為一交流弦波,有效值為 11 V,頻率為 60 Hz,二極體導通之壓降為0.7 V,則其輸出之漣波值約為何? (A)0.25 V (B)2.25 V (C)4.25 V (D)6.25 V
18雙極性接面電晶體(BJT)中,下列那種電路組態其輸入阻抗最大? (A)共基極組態 (B)共射極組態 (C)共集極組態 (D)基-射極組態
19如圖為一共源(CS)放大器的簡圖(其偏壓電路未示)。若電晶體的轉導參數為 g
m
,輸出電阻為 r
o
,則此放大器的電壓增益為何? (A)-gmR
D
(B)-gm(R
D
// r
o
) (C)-r
o
/ R
D
(D)-R
D
/ ro
20關於 BJT 電晶體之敘述,下列何者正確? (A)爾利效應(Early Effect)爲基極有效寬度調變所造成 (B)爾利效應(Early Effect)越大,則相同之集極電流條件下,輸出阻抗越小 (C)PNP 電晶體工作於主動區(Forward Active Region)時,射極電壓較集極電壓爲低 (D)NPN 電晶體工作於主動區(Forward Active Region)時,流入基極之電流主要爲電子載子電流
21如圖為一共汲(CD)放大器的簡圖(其偏壓電路未示)。若電晶體的轉導參數為 g
m
,輸出電阻為r
o→
∞,則此放大器的輸出電阻 R
o
為何?
(A)Rs (B)R
s
/(1+g
m
R
s
) (C) 0 (D)∞
22下圖電路爲一個音頻放大器,若欲設計此電路,使得其低 3 分貝頻率 (Lower 3 dB Frequency)爲15 Hz,則電路中 C
1
應使用多大之電容?
(A)0.22 µ F (B)0.47 µ F (C)0.59 µ F (D)0.75 µ F
23如圖所示之電路,假設 MOS 電晶體操作在飽和區,λ= 0,I
D
= 1 mA, C
GS
= 50 fF,C
GD
= 10 fF,C
DB
= 50 fF,採用米勒(Miller)趨近法,求位於 G 端之極點頻率爲何? (A)1.97 GHz (B)2.97 GHz (C)3.97 GHz (D)4.97 GHz
24如圖所示 MOSFET 電路,電晶體 M 是增強型(enhancement type)n 通道 MOSFET。已知 V
DD
= 3 V、 |V
tn
|= 0.6 V、k'n(W/L) = 1.0 mA / V
2
、I
D
= 0.08 mA、忽略輸出電阻 r
o
,則此電晶體 工作的區域為: (A)崩潰區(breakdown region) (B)三極區(triode region) (C)截止區(cut-off region) (D)飽和區(saturation region)
25圖示電路,若 V
CC
= +12 V,且電晶體之 β >>1,欲電晶體在主動區(Active Region)工作,則電壓V
B
之最大値約爲若干伏特?
(A)1 (B)2 (C)3 (D)4
26 如圖所示之電路,假設電晶體操作在順向主動區,忽略爾利( Early)與所有其他電容效應,假 使此電路之轉折(corner)頻率爲 130 Hz,β = 100,求此電路中電晶體之轉導(transconductance) 約爲何? (A)60 mA/V (B)70 mA/V (C)80 mA/V (D)90 mA/V
27圖示電路主要作用爲:
(A)電壓緩衝器(Voltage Buffer) (B)電壓放大 (C)箝位 (Clamping) (D)濾波器
28圖示電路,若電晶體的 µnCox(W/L) = 100 mA/V
2
、輸出阻抗 r
o
= 10 kΩ,R
D
= 10 kΩ,I = 0.125 mA, 則電壓增益 A
v
爲若干? (A)5 (B)10 (C)25 (D)50
29一個 MOS 疊接放大器(Cascode Amplifier)是由下列那一種組合所構成? (A)CS-CG (B)CG-CD (C)CS-CD (D)CD-CG-CS
30下列關於 Chebyshev 低通濾波器的描述,何者錯誤? (A)爲一全極點濾波器 (B)帶通中最大值與最小值的總數小於其階數 (C)所有傳輸零點頻率全部都在無限大 (D)在相同參數下,Chebyshev 濾波器具有較Butterworth 濾波器大的止帶衰減量
31量測一內部補償的運算放大器,其直流增益為 7×10
4
,增益下降 20 dB 的頻率為 1 kHz,求其 3 dB 頻 率的近似值為何? (A)10 Hz (B)100 Hz (C)1 kHz (D)10 kHz
32有一差動放大器,共模互斥比 CMRR = 1000,差模增益 A
d
= 200,若兩輸入端訊號電壓分別爲 100 μV及 50 μV,則輸出電壓 Vo 約爲多少? (A)6 mV (B)8 mV (C)10 mV (D)12 mV
33一個兩級串接理想放大器電路,若電壓增益依序爲 20 及 25,電流增益依序爲 10 及 100,則下列敘 述何者錯誤?(log
10
2
0.301) (A)總電壓增益値爲500 (B)總電壓增益分貝値約爲54 dB (C)總功率增益値爲500000 (D)總功率增益分貝値約爲114 dB
34分析下列之電路,若 MOSFET 操作在飽和區且轉導值 gm 為 1 mA/V;BJT 操作在順向主動區(forwardactive region)且轉導值 g
m
為 10 mA/V,β = 100。忽略元件之輸出阻抗 ro,試求 |Vo /Vi| =? (A)10 (B)50 (C)100 (D)1000
35某可串接放大器如下圖所示,若其電壓增益分別爲 A
V1
= 100 和 A
V2
= 10000,試求總電壓增益爲 多少 dB? (A)60 dB (B)120 dB (C)10100 dB (D)1000000 dB
36圖示 CMOS 運算放大器電路,其中電容 CC 主要作用為何? (A)濾波(Filter) (B)頻率補償(Frequency Compensation) (C)耦合(Coupling) (D)旁路(Bypass)
37如圖所示電路,其中 R
1
C
1
< R
2
C
2
,下列何者是 Av = Vo/Vi 的頻率響應圖?
(A)
(B)
(C)
(D)
38如圖之差動對電路,電晶體之 β = 100,r
o
→∞,RC = 4 kΩ,I = 2 mA,V
CC
= -V
EE
= 10 V,取 V
BE(on)
= 0.7 V,V
CE(sat)
= 0.3 V,V
T
= 25 mV,當 v
B1
= v
B2
= 0 時,v
C1
(v
C2
)之值約為何? (A)0 (B)2 (C)6 (D)10
39圖示電路,Q1 與 Q2 具相同特性,若 R
D
= 4 kΩ,V
DD
= 10 V,I = 2 mA,則電壓 V
o
應爲若干伏特? (A)2 (B)5 (C)6 (D)10
40如圖所示之理想運算放大器電路,下列敘述何者正確?
(A)vo 之波形爲方波 (B)vo 之波形爲三角波 (C)vo 之波形爲正弦波 (D)vo 之波形爲直流
申論題 (0)