阿摩線上測驗
登入
首頁
>
基本電學(概要)
> 104年 - 104 關務特種考試_四等_電機工程:基本電學#42824
104年 - 104 關務特種考試_四等_電機工程:基本電學#42824
科目:
基本電學(概要) |
年份:
104年 |
選擇題數:
0 |
申論題數:
10
試卷資訊
所屬科目:
基本電學(概要)
選擇題 (0)
申論題 (10)
【已刪除】一、如圖一之電路,⑴求出 a, b 兩端之諾頓等效電路。(15 分)⑵利用此等效電路求 a, b 兩端之電流值 I
ab
。(5 分)
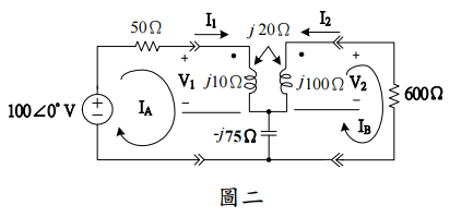
【已刪除】二、如圖二之電路,求出 I
A
,I
B
,V
1
,V
2
,以及由電源端看到的輸入阻抗 Z
IN
。(20 分)
⑴如圖三(a)與圖三(b),寫出兩電阻可能的範圍值。(5 分)
⑵試由左而右,寫出下列各電阻數的色碼: R
A
= 380 Ω ± 20% , R
B
= 10 Ω ± 5% 。 (5 分)
⑶已知鋁的電導係數 ρ = 2.826 ×10
−8
(Ω-m),試求面積為 1 平方毫米,長度為 1 公里 的電阻及電導。(3 分)
⑴ I
A
,I
B
,與 I
C
。(9 分)
⑵ I
AB
,I
BC
,與 I
CA
。(9 分)
⑶ V
AB
,V
BC
,與 V
CA
。(9 分)
⑷饋送到負載的全部平均功率。(5 分) VP ∠120° VP ∠ − 120° 圖四
【已刪除】五、如圖五之電路,試求出 t = 0(關閉)後的 v
c
(t ) 。(15 分)
相關試卷
114年 - 114 關務特種考試_四等_電機工程(選試英文):基本電學#126651
114年 · #126651
113年 - 113 關務特種考試_四等_電機工程(選試英文)、電機工程(選試日文):基本電學#119481
113年 · #119481
112年 - 112 地方政府特種考試_四等_電力工程、電子工程、電信工程:基本電學#118330
112年 · #118330
112年 - 112 普通考試_電力工程、電子工程、電信工程:基本電學#115756
112年 · #115756
112年 - 112 關務特種考試_四等_電機工程:基本電學#113949
112年 · #113949
111年 - 111 地方政府特種考試_四等_電力工程、電子工程、電信工程:基本電學#112594
111年 · #112594
111年 - 111 中華郵政股份有限公司_職階人員資產營運及工程類科甄試試題_專業職(一)/電力工程:基本電學#111525
111年 · #111525
111年 - 111 普通考試_電力工程、電子工程、電信工程:基本電學#109349
111年 · #109349
111年 - 111 關務特種考試_四等_電機工程:基本電學#107497
111年 · #107497
111年 - 111 身心障礙特種考試_四等_電子工程:基本電學#107486
111年 · #107486