所屬科目:港務局◆基本電學
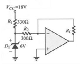
1.試求下圖所示電路中,R1、R2、RL以及 D1上之電流值。
2.就下圖電路,求每一元件的複功率及電源的功率因數。
3.下圖電路內的電阻 R 為可變電阻,若 R 的可變範圍為 0 至 1000Ω,則求 R 的最大吸收功率。
(3)當t = 時(其中 T 為週期),e=?