所屬科目:港務局◆基本電學
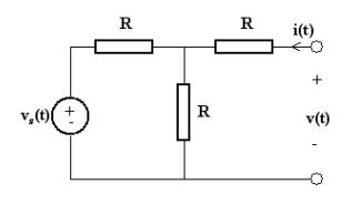
(1)請計算出下圖 a 與 a’間之等效電阻 Req。
(2)請計算且繪出下圖之諾頓等效電路。
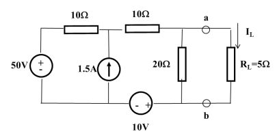
2.如下電路圖所示,請計算出負載端的電流值 IL。
(1)如下電路圖,請計算出 Vo之電壓值。
(2)如下電路圖,請計算出 Vo之電壓值。
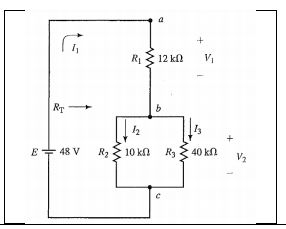
4.計算如下圖所示直流電路,求其電壓 Vab、Vbc 及電流 I2、I3。
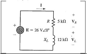
5.計算如下圖所示交流電路,求其總阻抗 ZT、電流 I、電壓 VR、VL 及功率因數各多少?