所屬科目:統測◆04電機與電子群資電類◆(二)數位邏輯、數位邏輯實習、電子學實習、計算機概論
5. 如圖(一)所示之邏輯電路,則輸出F的邏輯函數為何? (A) A⊕B (B) A F (C) B (D) 1
6. 令d代表不睬條件(Don't Care),化簡F(X,Y,Z,W)=(1,3,6,7,11,15 ) +d(0, 2,4,5)之結果為 何? (A) + Z W (B) +(C) X + Z W (D) X +
7. 一布林代數F(A,B,C,D)= (0,2,5,7,8, 10,13,15) ,下列何者為其化簡之結果? (A) F= AD + (B) F= BD + (C) F= AC + (D) F= BD +
8. 一全減器其被減數為 X,減數為 Y,前級借位為 Bi,差以 D 表示,借位輸出為 Bo,下列 何者為此全減器的真值表? (A) (B) (C)(D)
9. 圖 ( 二 ) 所示為一位元比較器的邏輯電路,其輸入為 A與B,輸出為 X、Y與Z,則下列 敘述何者錯誤? (A) X=1代表A>B (B) Y =1代表A=B (C) Z=1代表A<B (D) 對任一組輸入而言,輸出X、Y與 Z同時可以有一個以上為1
10. 如圖(三)所示,若Din=0,CLK 輸入1 kHz脈波,求輸出Q 之值為何? (A) 1 kHz之脈波 (B) 0.5 kHz之脈波 (C) 0 (D) 1
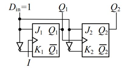
11. 如圖(四)所示電路,若Q2和Q1之初值均為0,當I輸入5個脈波後,Q2和Q1之輸出值為何? (A) Q2=0、Q1=0 (B) Q2=0、Q1=1 (C) Q2=1、Q1=0 (D) Q2=1、Q1=1
12. 若以兩個JK正反器來設計一個模4(mod 4)上數二進制同步計數器,其中QA為低位元, QB為高位元,如圖(五)所示電路,則KA、KB應如何連接? (A) KA =1、KB = QA (B) KA =0、KB =1 (C) KA =1、KB =(D) KA =0、KB =0
17. 如圖(六)所示電路,若要使LED 發亮,則A、B 之輸入值為何? (A) A=0、B=0 (B) A=0、B=1 (C) A=1、B=0 (D) A=1、B=1
18. 如圖(七)所示電路,經量測結果如表(一)所示,請判斷哪一個編號之邏輯閘故障? (A) U1 (B) U2 (C) U3 (D) U4
20. 如圖( 九 ) 所示半加器電路,若輸入A=1、B=1,則下列LED1、LED2之顯示狀態何者正確? (A) LED1熄、LED2熄 (B) LED1亮、LED2熄 (C) LED1熄、LED2亮 (D) LED1亮、LED2亮
21. 8對3優先編碼器之真值表如表(二)所示,則下列敘述何者錯誤? (A) 輸入I7具有最高優先權 (B) 輸入I0具有最低優先權 (C) I7 I6 I5 I4 I3 I2 I1 I0=00101110時輸出Y2Y1Y0=101 (D)Y2=I7+I5+I3+I1
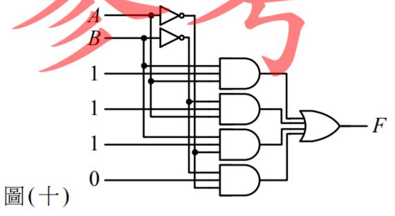
22. 某生進行實驗時接了如圖(十)所示之電路,輸入變數為A 與B,輸出變數為F,則此電路 實現之邏輯函數F為: (A) F=A⊕B (B) F=A+B (C) F= (D) F=
23. 如圖(十一)所示係由NOR閘所組成的RS閂鎖器(Latch ),則其真值表最有可能為下列何者? (A) (B) (C) (D)
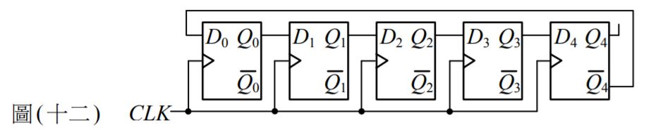
24. 如圖(十二)所示之計數器,若起始值Q4Q3Q2Q1Q0=00000,則經過幾次的時脈觸發會回 到此起始值? (A) 4 (B) 6 (C) 8 (D) 10
25. 如圖(十三)所示電路,假設QCQBQA初值為000,下列何者為正確之QCQBQA計數順序? (A) 000 → 010 → 100 → 110 → 111 → 101 → 011 → 001 (B) 000 → 100 → 010 → 110 → 111 → 101 → 011 → 001 (C) 000 → 010 → 001 → 011 → 100 → 101 → 110 → 111 (D) 000 → 001 → 010 → 011 → 100 → 101 →110 → 111
29. 有一二極體電路如圖 ( 十四 ) 所示,若施加一正弦波信號於輸入端點 vi,則下列敘述何者 錯誤? (A) 該電路為偏壓型截波電路(Clipping Circuit) (B) 截波電路可用來將輸入的交流電壓信號之部份波形截除 (C) 該電路中電阻R 值之大小會影響輸出波形失真 (D)箝位電路(Clamping Circuit)可用來將輸入的交流電壓信號定位到所要的直流電壓準位上
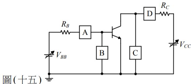
30. 實作圖(十五)之電路以繪製輸出特性曲線,A、B、C、D為量測儀表,繪製成如圖(十六) 所示的3條曲線,請選出錯誤的描述 。 (A) 若曲線1、2、3各自對應的是在工作溫度T1 ,T2 ,T3所量得的結果,則T1<T2<T3 (B) 儀表A與D可以是電流表 (C) 儀表B與C可以是示波器或電壓表 (D) 此電路架構為共射極組態
31. 有關圖(十七)的電路設計,下列敘述何者正確? (A) 屬於射極回授偏壓的設計 (B) 電容CE對交流信號是短路,因此屬於共基極的設計 (C) 電容CC對交流信號是短路,因此屬於集極回授偏壓的設計 (D) 屬於共集極的設計
49. 下列何種創用CC(Creative Commons)授權條款,採用如圖(十八)之授權標誌? (A) 姓名標示─相同方式分享(B) 姓名標示─禁止改作 (C) 姓名標示─禁止改作─相同方式分享 (D) 姓名標示─非商業性