所屬科目:統測◆04電機與電子群資電類◆(二)數位邏輯、數位邏輯實習、電子學實習、計算機概論
1. 如圖(一)所示之邏輯電路,若A=0且B=1,則下列何者正確? (A) WXYZ=0001 (B) WXYZ=0011 (C) WXYZ=0101 (D) WXYZ=0111
3. 如圖(二)所示之邏輯電路,若A=1、B=0,當輸出達到穩態時,下列何者正確? (A) C=0、D=0 (B) C=0、D=1 (C) C=1、D=0 (D) C=1、D=1
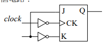
6. 如圖(三)所示之邏輯電路,等效於下列哪一個電路? (A) 正緣觸發D型正反器 (B) 負緣觸發T型正反器 (C) 正緣觸發T型正反器 (D) 負緣觸發D型正反器
8. 如圖(四)所示之邏輯電路,其相當於下列哪一個邏輯閘之功能? (A) 一個NAND閘 (B) 一個NOR閘 (C) 一個XOR閘 (D) 一個XNOR閘
10. 布林代數Y=f(A,B,C )其真值表如圖(五),下列何者是圖(五)和之積(Product of Sum) 的最簡式?
11. 下列布林代數表示式之真值表,何者與另外三者不同? (A) + AB (B) A+AB (C) (D) (A+B)(A+)
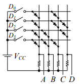
12. 圖(六)為一個4對4線的二極體矩陣編碼器,其輸出分別為A、B、C、D,且D0 , D1 , D2 , D3 導通時為邏輯1,其等效之布林代數下列何者正確? (A) A=D0+D1+D2+D3 (B) B=D2D3 (C) C=D2 (D) D=D1D3
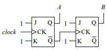
13. 圖(七)是兩個正緣觸發之JK正反器所結合之循序邏輯電路,若AB 狀態的初始值為00, 則下列何者為此電路之正確序向狀態圖?
15. 一個四輸入的NOR閘與下列哪一個電路的邏輯等效? (A) (B) (C) (D)
16. 數位邏輯實驗時,若以一般紅色LED顯示TTL IC 74LS04輸出邏輯狀態,則此IC輸出端 out與 LED 電路的接法,下列圖示何者最佳? (A) (B) (C) (D)
17. 圖(八)為一個D型正反器,下列敘述何者錯誤? (A) 腳位D為正準位觸發 (B) 腳位 為負緣觸發 (C) 腳位CK為正緣觸發 (D) 腳位 在正常操作時不可同時為 0
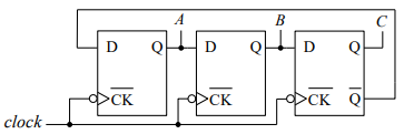
19. 如圖(九)所示邏輯電路,若時脈信號clock 為36kHz方波且初始條件 A=1、B =0、C=1, 則 A 輸出端頻率為多少? (A) 18 kHz (B) 12 kHz (C) 9 kHz (D) 6 kHz
21. 如圖(十)所示T型正反器,在沒有傳輸延遲的情況下,輸入 clock 及輸出output 之波形 關係,下列何者正確? (A) (B) (C) (D)
22. 一般LED七段顯示器以英文字母a、b、c、d、e、f、g表示其七段顯示的位置,則圖(十一) 在"* "記號段位所代表的英文字母為下列哪一組? (A) a , d , g (B) a , c , e (C) b , d , f (D) b , e , g
24. 實現如圖(十二)的電路時,在時脈信號clock輸入後,七段顯示器只出現1、3、5、7、9 等數字,其可能的原因為何? (A) 7490的QA腳與7447的A腳沒連接 (B) 7447的B腳與GND 短路 (C) 七段顯示器燒燬 (D) 7490設計成除以3的電路
25. 使用4對1線多工器來實現布林函數Y=f(A,B,C)= ,則下列 電路的接法何者正確? (A) (B) (C) (D)
27. 下列選項的圖中RL為負載,何者為正確的全波整流電路? (A) (B) (C) (D)
28. 雙極性接面電晶體(BJT)的接腳分別為集極,則下列敘述何者 正確? (A) 放大器電路實驗中若要將NPN型電晶體改換為PNP型電晶體,只需將NPN型電晶體 的C、E接腳對調即可 (B) 電晶體的電流放大率以 β 或hFE表示,且hFE =IC /IE (C) 判定電晶體為PNP型或NPN型,可用三用電表之歐姆檔進行量測 (D) 以摻雜濃度而言,C>B>E
30. 如圖 ( 十三 ) 所示,示波器顯示兩個相同頻率的電壓波形 A 與 B,則兩者間的相位關係 敘述何者正確? (A) A波形落後B波形135度 (B) A波形落後B波形45度 (C) A波形超前B波形135度 (D) A波形超前B波形45度
33. 如圖(十四)為一個施密特觸發器(Schmitt Trigger),其中R1:R2=2:1,若運算放大器 OPA 的輸出之最正與最負電壓分別為 + 9 V 及 – 9 V,則此電路的遲滯(Hysteresis)電壓 為何? (A) 2V (B) 4V (C) 6V (D) 10V
35. 一個NPN電晶體的偏壓電路如圖(十五)所示,已知VCC =10V,RE =0.5 kΩ,且流經R1 之電流大於10mA。當電晶體工作於順向主動區,且其電流增益 β=200時,IC =2.0mA。 若該電晶體用另一顆 β=150的NPN電晶體取代時,IC約為何? (A) 1.0mA (B) 1.5mA (C) 2.0mA (D) 2.5mA