阿摩線上測驗
登入
首頁
>
技檢◆儀表電子-乙級
> 105年 - 11500 儀表電子 乙級 工作項目 05:電工學 1-100#38808
105年 - 11500 儀表電子 乙級 工作項目 05:電工學 1-100#38808
科目:
技檢◆儀表電子-乙級 |
年份:
105年 |
選擇題數:
100 |
申論題數:
0
試卷資訊
所屬科目:
技檢◆儀表電子-乙級
選擇題 (100)
1. 在一純電感性電路,若v(t)=150cos ωt V ,則其電流 i(t)為何?
2. 在三相平衡 Y 負載電路中,下列敘述何者錯誤?(A)線電壓與相電壓之相角差為 30°(B)線電流為相電流的 √3倍(C)每相之相電壓差 120°(D)線電壓為相電壓之 倍。
3. 設有一平衡三相 Δ 連接電路,其每相阻抗為 3+j4Ω,線電壓為 380V,其相電壓及線電流各為若干?(A)38 0V、76√3 A(B)380√3 V、76A(C)380V、76/√3 A(D)380/√3 V、76A。
4. 如下圖電路所示,當電橋平衡時,則 R
X
為多少?
(A)2Ω(B)3Ω(C)4Ω(D)5Ω。
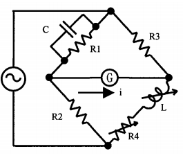
5. 如下圖電路所示,電流 i 應為多少?
(A)1.33∠90°A(B)1.33∠-90°A(C)2.66∠90°A(D)2.66∠-90°A。
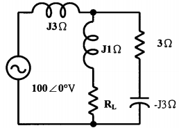
6. 如下圖電路所示,欲使電源輸送至純電阻負載 R
L
的功率最大,則純電阻負載 R 之值應為多少?
(A)3Ω(B)4 Ω(C)5Ω(D)6Ω。
7. 變壓器之磁滯損失與渦流損失會隨著頻率的昇高而如何變化?(A)減小(B)不變(C)增加(D)增加後再減小。
8. 有一 l0μF 的電容器接上 50V 的電源,若以 2A 的穩定電流充電時,須經多少時間可充電完畢?(A)2.5μs(B)0. 25μs(C)2.5ms(D)0.25ms。
9. 法拉第定律中通過線圈之磁通量的變化率若成線性增加,則線圈兩端電壓將有何種變化?(A)非線性減少(B) 線性減少(C)線性增加(D)非線性增加。
10. 將交流電源接上兩個元件組成的負載上,若電源電流較電壓滯後 90°則兩元件可能為何種組合?(A)電阻器與 電容器(B)電阻器與電感器(C)電感器與電容器(D)兩個電容器。
11. 在電感性負載電路,並聯上電容器,將提高功率因數及產生下列何種變化?(A)可減少線路之功率消耗(B)增 加線路之功率消耗(C)使負載端電壓降低(D)增加線路電流。
12. 如下圖電路所示,若電阻器 R
3
通過之電流為 3A,則其電阻值應為多少?
(A)7Ω(B)8Ω(C)9Ω(D)10Ω。
13. 有一電器在 10 秒內共做 30 焦耳的功,則該電器的電功率(power)為多少?(A)3 瓦特(B)4 瓦特(C)30 瓦特(D)4 0 瓦特。
14. 變壓器做短路試驗時,瓦特計上的讀數為何?(A)鐵損(B)銅損(C)磁滯損(D)渦流損。
15. 三種不同波形電源的電壓平均值皆為 100 伏特,A 為方波、B 為正弦波、C 為三角波,分別加入電熱器來燒 開水,則將水燒到沸點,由快而慢的順序為何?(A)A、B、C(B)B、C、A(C)C、A、B(D)C、B、A。
16. 加直流 120V 之電壓於一線圈,測得電流為 15A,若改為交流 100V 之電壓時電流為 l0A,則此線圈之阻抗為 何?(A)R=8Ω、X
L
=6Ω(B)R=6Ω、X
L
=8Ω(C)R=8Ω、X
L
=8Ω(D)R=6Ω、X
L
=6Ω。
17. 如下圖電路所示,設安培計內阻均可忽略不計,若安培計讀數分別為 A
1
=24A,A
2
=8A,則 R 之值為何?
(A)l0Ω(B)l5Ω(C)20Ω(D)30Ω。
18. 如下圖電路所示,在 60Hz 時其等效輸入阻抗Z
in
為 50+j100Ω,當頻率提昇為 120Hz 時,則等效輸入阻抗 變為何?
(A)50+j200Ω(B)100+j100Ω(C)125+j125Ω(D)200+j50Ω。
19. 某電阻器被測量後,繪出其“電流-電壓”線性關係如下圖所示,則該電阻器之電阻值為何?
(A)10Ω(B)20 Ω(C)30Ω(D)40Ω。
20. 某 1kΩ 電阻器,其長度為10
-2
m ,截面積為2x10
-6
m
2
,則其電阻係數為何?(A)0.lΩm(B)0.2Ωm(C)1Ωm (D)2Ωm。
21. 一個 5μF 電容器充電到 100V 時,則其所儲存的的電能為多少?(A)25μJ(B)250μJ(C)2.5mJ(D)25mJ。
22. 某 10mH 電感器在 25μs 期間所通過的電流從 20mA 增到 100mA,則其兩端變動的端電壓為多少?(A)8V(B)1 6V(C)32V(D)40V。
23. 如下圖電路所示,若 I 在 100μs 內由 5mA 增到 l0mA,且變壓器之互感為 100mH,求此時之輸出電壓(V ) 為多少?
(A)2V(B)5V(C)10V(D)20V。
24. 如下圖電路所示,輸出電壓(V
o
)為何?
(A)3V(B)5V(C)10V(D)15V。
25. 如下圖電路所示,輸出電壓(V
o
)為何?
(A)4V(B)6V(C)8V(D)12V。
26. 如下圖電路所示,試求開關 ON 之後 1 秒鐘時,V
R
電壓為何?
(A)12.21V(B)24.79V(C)36.79V(D)63.21V。
27. 如下圖電路所示,若達穩態時之總電流 I 為何?
(A)2.4A(B)3A(C)4A(D)4.25A。
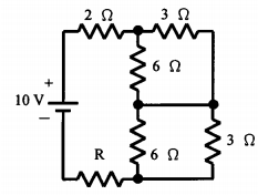
28. 在 RLC 並聯電路產生諧振時,下列何種敘述正確?(A)總電流最大(B)總導納最大(C)總電壓與總電流異相(D)電 感抗等於電容抗。
29. 在 RLC 串聯電路中,若 R=20Ω、L=0.2H、C=20μF,則其諧振頻率為何?(A)50Hz(B)60Hz(C)70Hz(D)80Hz。
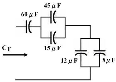
30. 某蓄電池用 5 安培電流充電時,其端電壓為 13 伏特,若改用 3 安培電流充電時,其端電壓為 12.4 伏特,則 該蓄電池之內阻應為多少?(A)0.06Ω(B)0.6Ω(C)0.03Ω(D)0.3Ω。
31. 某電路之電壓為 20∠15°伏特,電流為 5∠-15°安培,則其平均功率為多少?(A)50 √3W(B)50W(C)25√3 W(D)25 W。
32. 變壓器鐵損之大小與負載電流之關係為何?(A)成正比(B)成固定值(C)成反比(D)無關。
33. 檢修電熱器時,若剪短電熱線後僅剩原長的 80%,則該電熱器之電功率變為原來的幾倍?(A)0.64 倍(B)0.8 倍 (C)1.2 倍(D)1.25 倍。
34. 某電機於使用前,測得其線圈電阻為 3Ω,使用後測得其電阻為 3.6Ω,若室溫為 20℃,則此電機於使用後, 線圈溫度升高約為多少℃?(銅的 α
20
=0.00393)(A)51℃(B)61℃(C)71℃(D)81℃。
35. 三只電阻並聯,其值各為 1R、2R、3R,加電壓後此三只電阻上之電流比為何?(A)1:2:3(B)6:3:2(C)9:4: 1(D)3:2:1。
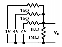
36. 有一線圈其電感量為 0.1 亨利,若線圈上之電流為 10sin(377t-60°)A,則跨於此線圈之弦式電壓值為何?(A)37 7sin377t V(B)377sin(377t-60°)V(C)377sin(377t+30°)V(D)377sin(377t+90°)V。
37. 當功率因數為 1 時,則電壓與電流之相位差為?(A)0°(B)30°(C)45°(D)90°。
38. 某電池原蓄有 100 庫侖之電量,在 10 分鐘內充電至 700 庫侖,則其平均充電電流為多少?(A)4 安培(B)3 安培 (C)2 安培(D)1 安培。
39. 帶有電荷之球導體,其球內的電位應為下列何者?(A)等於球表面之電位(B)大於球表面之電位(C)小於球表面 之電位(D)等於零。
40. 自感量為 0.3 亨利之線圈,若在 0.01 秒內將其電流由 10A 降至 6A,則其感應電動勢之值應為多少?(A)60 伏 特(B)120 伏特(C)180 伏特(D)240 伏特。
41. 1 歐姆和 2 歐姆兩電阻器額定功率均為 0.5W,串聯後每一個電阻器的功率損耗皆不超過其額定值,則最大 能加多少伏特的電壓?(A)0.5 伏特(B)1 伏特(C)1.5 伏特(D)3 伏特。
42. R
1
與 R
2
串聯後接上電源,各消耗 50W 及 75W,若 R
2
=3Ω,則 R
1
應為多少?(A)2Ω(B)5Ω(C)6Ω(D)8Ω。
43. 如下圖電路所示,任意兩端點所測得的電阻均為 2Ω,則 R 之值應為多少?
(A)2Ω(B)3Ω(C)4Ω(D)5Ω。
44. 如下圖電路所示,A、B 兩端間之等效電阻R
AB
應為多少?
(A)2.4Ω(B)2.5Ω(C)3.6Ω(D)3.7Ω。
45. 如下圖電路所示,右圖為左圖之等效電路,則E
TH
與R
TH
各為多少?
(A)R
TH
=4Ω、E
TH
=30V(B) R
TH
= 4Ω、E
TH
=l8V(C)R
TH
=2Ω、 E
TH
=18V(D) R
TH
=2Ω、E
TH
=30V。
46. 有一 3Ω 的電阻器和一阻抗為 4Ω 的電感器,當聯接為並聯時,其電路之功率因數為多少?(A)0.43(B)0.57(C)0. 7(D)0.8。
47. 設 V=80+j60 伏特、I=4-j3 安培之電路,則其視在功率為多少?(A)150 伏安(B)250 伏安(C)500 伏安(D)800 伏安。
48. RLC 串聯電路中 R=l0Ω、X =l0Ω、X =20Ω,跨接於 100V 之交流電源,若電源頻率連續提高,則電路 電流之變化為何?(A)連續變大(B)連續變小(C)先變大,後變小(D)先變小,後變大。
49. 將 10sin100tV 的電壓加在 0.01H 純電感器的兩端,則下列何者為正確?(A)視在功率為 50W(B)平均功率為 50 W(C)無效功率為 50W(D)功率因數為 0。
50. 將兩相同電容量耐壓分別為 25V 與 50V 的電容串接,則串接後整體的耐壓為何?(A)25V(B)50V(C)75V(D)100V。
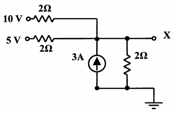
51. 如下圖所示,由 AB 兩端看入之電阻為多少歐姆?(A)33/4(B)3+3√3 (C)3+2√3 (D)30/4。
52. 如下圖所示,X 點之電壓為多少伏特?
(A)7(B)8(C)9(D)10。
53. 如下圖所示,AB 兩點之短路電流為多少安培?
A)3/4(B)3(C)11/4(D)4。
54. 如下圖所示,AB 兩點間另接一電阻 R
L
,則 R
L
為多少歐姆時可以達到最大功率轉移?
(A)1/4(B)1/2(C)3/4(D)1。
55. 將三個電容串聯後,則下列敘述何者正確?(A)總電容量為三者之和(B)三個電容上的電壓必相同(C)三個電容 的阻抗必相同(D)三個電容所流過的電荷必相同。
56. 一交流電源之視在功率 S=500VA,虛功率 Q=300VAR,則其有效功率 P 為若干?(A)200W(B)400W(C)800W (D)1500W。
57. 如下圖所示電路,下列何式正確?
(A)(0.2+0.5)V
1
+0.5V
2
=-1
(B) (0.2+0.5)V
1
+0.25V
2
=1
(C)-0.5V
1
+(0.5+0.25)V
2
+=-2
(D)0.5V
1
+(0.2+0.25)V
2
=2 。
58. LC 諧振電路在諧振時,其角頻率 ω、電感量 L、電容量 C 之間的關係為何?
59. 如下圖所示電路,A 點與 B 點間的總電阻為何?
(A)10Ω(B)12Ω(C)14Ω(D)18Ω。
60. 如下圖所示電路,電阻 R
L
為若干時可得最大功率值?(A)3Ω(B)4Ω(C)5Ω(D)7Ω。
61. 如下圖所示為一並聯諧振電路,在諧振時其品質因數 Q 之值為何?
62. 一個高 Q 值的諧振電路,Q 表品質因數、BW 表頻帶寬、f 表諧振頻率,則此三者之間的關係為下列何者? (A)f
O
=BW/Q(B)f
O
=BW Q(C)f
O
=BW+Q(D)f
O
=BW-Q。
63. 如下圖所示電路,其V
AB
=?(A)3V(B)2V(C)1V(D)0V。
64. 如下圖所示電路,由 A、B 兩端往左看入之戴維寧等效電壓V
TH
及等效電阻R
TH
之值分別為何?
(A)15V、5 Ω(B)20V、10Ω(C)20V、15Ω(D)30V、15Ω。
65. 如下圖所示電路,下列敘述何者為錯誤?(A)電容器兩端電壓 V
C
落後電流 i(B)電阻兩端電壓即為 V
O
,且與 電流 V
i
之相位相同(C)V
i
為 V
C
與 V
O
之向量和(D)V
O
相位落後於 V
i
。
66. 兩平行板之間距為 0.1cm,加上 10V 電壓時其電場強度為:(A)10V/m(B)100V/m(C)1000V/m(D)10000V/m。
67. 如下圖所示電路,其V
xy
=?(A)-7V(B)7V(C)-3V(D)3V。
68. 如下圖所示電路,R 為若干時可得最大功率?(A)4Ω(B)6Ω(C)8Ω(D)10Ω。
69. 如下圖所示電路,已知 C1=2F 其上原充有 3 庫侖電量,C2=3F 其上原充有 2 庫侖電量,將開關 S 接通 ON 之後,在達成平衡時 C1 兩端之電壓為何?(A)3V(B)2V(C)1V(D)0V。
70. 如下圖所示電路,其 i=?(A)-2A(B)-1A(C)0A(D)1A。
71. 如下圖所示之兩等效的電路,則V
TH
與R
TH
各為何?(A)6V、10Ω(B)24V、11Ω(C)24V、10Ω(D)54V、10Ω。
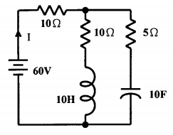
72. 將一個 100μF/200V 的電容器接到 100V 電源上,保持充電電流為 1mA,則此電容器充滿電所需的時間為: (A)10sec(B)5sec(C)2sec(D)1sec。
73. 如下圖所示電路,設電容器原有電壓為-5V,在 t=0 時開關 S 閉合 ON,則 1 秒後電容器之電壓為何?
(A)6.36V(B)10V(C)12V(D)15V。
74. 如下圖所示電路,若以一理想之交流安培表測得 I
R
=4A、I
L
=9A、I
C
=6A,則 I 之大小為何?(A)5A(B)6A (C)15A(D)19A。
75. 如下圖所示電路,I=?(A)0.5∠90°A(B)1∠-90°A(C)1∠90°A(D)0.5∠-90°A。
76. 有一電阻在 25℃時為 10Ω,75℃時為 10.1Ω,則此電阻在 25℃時之溫度係數為若干?(A)0.002(B)0.001(C)0.00 02(D)0.0001。
77. 有一電容器以 10μA 之固定電流對其充電,經 1 分鐘後其兩端電壓升高 60V,則此電容器之電容量為若干? (A)0.1μF(B)1μF(C)10μF(D)100μF。
78. 如圖所示電路,其 Va=?(A)0.12V(B)0.24V(C)0.36V(D)0.48V。
79. 已知一電路之 V(t)=154sin(377t+10°)V,而其 i(t)=1.54cos(377t-50°)A,則此電路之功率因數為何?(A)cos30°(B)c os40°(C)cos50°(D)cos60°。
80. 如下圖所示電路,當電橋達到平衡時,下列敘述何者有誤?
(A)i=0 (B)L=R
1
R
4
C (C)L=R
2
R
3
C (D)R
4
=R
1
R
2
/R
3
。
81. 在電阻串聯電路中,下列何者敘述不正確?(A)流經各電阻元件的電流相等(B)電阻較大者,所產生的電壓降 較小(C)電阻較大者,所消耗的電功率較大(D)其總電阻值為將所有電阻元件的電阻值相加。
82. 在電阻並聯電路中,下列何者敘述正確?(A)流經各電阻元件的電流相等(B)電阻較大者,所產生的電壓降較 小(C)電阻較大者,所消耗的電功率較小(D)其總電阻值為將所有電阻元件的電阻值相加。
83. 有關戴維寧等效電路與諾頓等效電路,下列何者敘述不正確?(A)戴維寧等效電路是以一個電壓源與一個等 效電阻串聯取代(B)諾頓等效電路是以一個電流源與一個等效電阻並聯取代(C)戴維寧等效電路的等效電阻等 於諾頓等效電路的等效電阻(D)求戴維寧等效電路的等效電阻時需將電流源短路。
84. 有關電容器的特性,下列何者敘述不正確?(A)電容器的兩片金屬片距離愈近則電容量越大(B)電容器並聯, 則電容量增加(C)數個電容器串聯時,其總電容量減少(D)若電容器標示 103,表示電容量為 0.1μF。
85. 有關電感器的特性,下列何者敘述正確?(A)理想的電感器當加上電壓的瞬間其流經的電流由大變小(B)兩電 感器串連時若考慮互感時其總電感量為 L
1
+L
2
+2M(M 為互感)(C)電感器所儲存的能量與電感值平方成正比(D) 15 電感值與其所繞的線圈數平方成正比。
86. 有關電荷、電流與庫倫的觀念,下列何者敘述正確?(A)依據庫倫定律,兩電荷間相互吸斥力大小與兩帶電 體的電量乘積成反比(B)依據庫倫定律,兩電荷間相互吸斥力大小與兩帶電體的距離成反比(C)80 庫倫的電荷 通過一點需 16 秒,則流經此點的電流為 5 安培(D)庫倫為電荷的單位,一庫倫帶有 6.24x10 個電子的電荷。
87. 一電阻對溫度係數為線性的材料在 20℃時電阻為 20Ω,溫度 60℃時電阻為 40Ω,則下列何者敘述正確?(A) 此材料的溫度係數為 0.02℃ (B)此材料為負溫度係數材料(C)溫度 48℃時電阻為 32Ω(D)若電阻為 48Ω 時,則 溫度為 76℃。
88. 如下圖電路所示,則 Vi 電壓值為多少?(A)8V(B)11V(C)14V(D)17V。
89. 如下圖電路所示,電阻 R 的色碼為棕黑橙銀,則下列何者敘述正確?(A)R 的電阻值最大值為 10.1KΩ(B)I 的 最大值為 1.0mA(C)I 的最小值為 0.75mA(D)I 的最大值與最小值相差 0.25mA。
90. 如下圖電路所示,電源提供 80W 功率,則 R 的電阻值為多少?(A)2Ω(B)4Ω(C)6Ω(D)8Ω。
91. 如下圖電路所示,R3 的功率為 144W,則下列何者敘述正確?
(A)R2 的電阻值為 100Ω(B)流經 R1 的電流為 0. 5A(C)流經 R3 的電流為 1.0A(D)R2 的功率為 72W。
92. 如下圖所示電容串並聯電路,求等效電容值 C 為多少?
(A)10μF(B)12μF(C)15μF(D)18μF。
93. 如下圖所示電感串並聯電路,求等效電感值 L
T
為多少(假設電感之間無互感)?
(A)15H(B)18H(C)21H(D)24H。
94. 如下圖所示電路,求電流 I 值為多少?
(A)0.1A(B)-0.1A(C)0.2A(D)-0.2A。
95. 如下圖所示為跨在 5μF 電容兩端的電壓波形,求 6-8 ms 的電流值為多少?
(A)-60mA(B)-20mA(C)20mA(D)60mA。
96. 如下圖所示為流經 5mH 電感的電流波形,則下列何者敘述正確?
(A)0-1ms 的電壓值為 75mV(B)1-2ms 的電壓 值為-50mV(C)2-3ms 的電壓值為 25mV(D)3-4ms 的電壓值為-25mV。
97. 如下圖(a)所示電路,其諾頓等效電路如圖(b)所示,求諾頓電流 I 值為多少?
(A)1.2mA(B)1.5mA(C)1.8mA(D)2 mA。
98. 如下圖電感串並聯電路所示,若等效電感值 L
T
為 2mH,則 L 值為多少(假設電感之間無互感)?
(A)2mH(B)4m H(C)6mH(D)8mH。
99. 如下圖電容串並聯電路所示,若等效電容值 C
T
為 1μF,則 C 值為多少?(A)0.25μF(B)0.50μF(C)0.75μF(D)1 μF。
100. 如下圖電路所示,是屬於相依電源的哪一種類型?
(A)電壓控制電壓源(B)電壓控制電流源(C)電流控制電壓源 (D)電流控制電流源。
申論題 (0)
相關試卷
114年 - 11500 儀表電子 乙級 工作項目 10:裝配與測試知識 1-35(2025/11/04 更新)#133310
114年 · #133310
114年 - 11500 儀表電子 乙級 工作項目 09:儀表電學 101-147(2025/11/04 更新)#133309
114年 · #133309
114年 - 11500 儀表電子 乙級 工作項目 09:儀表電學 51-100(2025/11/04 更新)#133308
114年 · #133308
114年 - 11500 儀表電子 乙級 工作項目 09:儀表電學 1-50(2025/11/04 更新)#133307
114年 · #133307
114年 - 11500 儀表電子 乙級 工作項目 08:微電腦概論與應用 51-74(2025/11/04 更新)#133306
114年 · #133306
114年 - 11500 儀表電子 乙級 工作項目 08:微電腦概論與應用 1-50(2025/11/04 更新)#133305
114年 · #133305
114年 - 11500 儀表電子 乙級 工作項目 07:數位系統 101-150(2025/11/04 更新)#133304
114年 · #133304
114年 - 11500 儀表電子 乙級 工作項目 07:數位系統 51-100(2025/11/04 更新)#133303
114年 · #133303
114年 - 11500 儀表電子 乙級 工作項目 07:數位系統 1-50(2025/11/04 更新)#133302
114年 · #133302
114年 - 11500 儀表電子 乙級 工作項目 06:電子學 151-181(2025/11/04 更新)#133301
114年 · #133301