阿摩線上測驗
登入
首頁
>
技檢◆儀表電子-乙級
> 105年 - 11500 儀表電子 乙級 工作項目 06:電子學 101-181#38833
105年 - 11500 儀表電子 乙級 工作項目 06:電子學 101-181#38833
科目:
技檢◆儀表電子-乙級 |
年份:
105年 |
選擇題數:
81 |
申論題數:
0
試卷資訊
所屬科目:
技檢◆儀表電子-乙級
選擇題 (81)
101. 在類比/數位的轉換中若欲增加信號的解析度,則下列的做法何者正確?(A)增高取樣頻率(B)增加數位的位元 數(C)提高輸入電壓(D)提高轉換器的速度。
102. 關於空乏型 N 通道 MOSFET 的敘述,下列何者敘述錯誤?(A)可當空乏型使用,亦可當增強型使用(B) 為 負電壓(C)主要載體為電洞(D) V
GS
=0V 時,通道會導通。
103. 放大電路的輸入電壓為 1mV,輸出電壓為 10V,則此放大電路的電壓增益為多少 dB?(A)20(B)40(C)60(D)80。
104. 積體電路的設計常以主動元件代替電阻負載,其原因為何?(A)主動元件的動態電阻較小(B)可使電路的頻率 響應更寬(C)電阻負載的體積較大(D)可增加輸入阻抗。
105. 電晶體的 r
π
=2.5kΩ、g
m
=40 mA/V,則其 β 值為多少?(A)16(B)32(C)100(D)200。
106. 在 IC 的製程中 MOSFET 和 BJT 電晶體比較,下列那一個條件非 MOSFET 所具有的優點?(A)輸入阻抗高(B) 體積小(C)消耗功率低(D)電壓放大倍數高。
107. MOSFET 若欲作線性放大器使用時,需工作於何種區域?(A)順向主動區(B)飽和區(C)非飽和區(D)截止區。
108. 欲得到差動放大器的輸入直流偏移電壓,可將輸出直流偏移電壓除以何者?(A)g
m
(B)CMRR(C)A
cm
(D)A
d
。
109. 下列元件何者具有負電阻區之特性?(A)蕭基二極體(B)光二極體(C)透納二極體(D)稽納二極體。
110. 哈特萊振盪器,電容量從 l00pF 調整到 400pF,且振盪線圈的電感量為 900μH,則其振盪的頻率範圍為何? (A)265kHz 至 530kHz(B)265kHz 至 1060kHz(C)133kHz 至 530kHz(D)133kHz 至 1060kHz。
111. 下列何種電路可提供一連串的脈波輸出?(A)無穩態電路(B)單穩態電路(C)雙穩態電路(D)樞密特觸發電路。
112. N 型半導體中少數載體係下列何者?(A)離子(B)質子(C)電洞(D)電子。
113. 電晶體之 β=50,測得基極電流 I
B
=0.5mA、集極電流 I
C
=10mA,則此電晶體工作於何區?(A)工作區(B)飽和區(C)截止區(D)游離區。
114. 下列何者為達靈頓電晶體的特性?(A)輸入阻抗低、輸出阻抗高(B)輸出阻抗低、電流增益小於 1(C)輸入阻抗 高、電壓增益大於 1(D)電壓增益小於 1、電流增益大於 1。
115. IC 內的電晶體製造時,何者的雜質濃度最高?(A)集極(B)基極(C)射極(D)基底。
116. 關於電晶體的漏電電流敘述,下列何者正確?
(A)I
CEO
=β I
CBO
(B)I
CBO
=β I
CEO
(C)ICBO =α I
CBO
(D)I
CBO
= α I
CEO
。
117. 在 IC 的製造時常以電晶體取代負載電阻,下列何者不是其取代的原因?(A)使 IC 的體積減小(B)使輸入阻抗 增加(C)使小訊號電壓放大倍數增加(D)使輸出阻抗增加。
118. BJT 差動放大器的輸出電壓若欲維持±1%的誤差,則輸入電壓最大需保持在多少電壓範圍之內?(A)±13mV(B) ±18mV(C)±26mV(D)±36MV。
119. 橋式整流電路中二極體的逆向破壞電壓,需為外加電壓最大值的幾倍?(A)1 倍(B)2 倍(C)3 倍(D)4 倍。
120. 下列何種放大器的失真度最嚴重?(A)A 類(B)AB 類(C)B 類(D)C 類。
121. 電晶體放大電路的敘述,下列何者錯誤?(A)電流增益最大的是共基極(B)電壓增益最小的是共集極(C)輸入阻 抗最大的是共集極(D)輸入阻抗最小的是共基極。
122. 電晶體開關電路中的各種時間延遲,以何者的延遲最大?(A)上昇時間(B)延遲時間(C)下降時間(D)儲存時間。
123. 作為運算放大器的輸入級的電路,為下列何者?(A)箝位電路(B)差動放大電路(C)史密特觸發電路(D)取樣電路。
124. 下列何者不是推挽式放大器的特性?(A)具有抵銷偶次諧波失真的作用(B)具有抵銷電源漣波的作用(C)可工作 在 C 類放大(D)輸出功率為兩個主動元件輸出之和。
125. 下列何種放大器將產生交叉失真?(A)A 類(B)AB 類(C)B 類(D)C 類。
126. 帶通濾波器的中心頻率為 fr,品質因素為 Q 則其頻帶寬度 BW 為下列何者?(A)fr/Q(B)fr/Q (C)fr/Q (D)fr/Q 。
127. 負回授放大器的回授率為 0.2,而未回授前的增益為 100,則此負回授放大器的增益為何?(A)4.76(B)5.26(C)10 (D)20。
128. 放大器加入負回授的作用為何?(A)增加穩定度(B)提高增益(C)產生振盪(D)增加功率。
129. 放大器之輸入阻抗將因負回授而有何變化?(A)必然增大(B)必然減小(C)視回授型態而定(D)不受影響。
130. 使電晶體負回授放大器的輸入電阻及輸出電阻皆減少的回授電路,為下列何者?(A)電壓串聯(B)電壓並聯(C) 電流串聯(D)電流並聯。
131. 正反器係由下列何種電路所組成?(A)無穩態多諧振盪器(B)單穩態多諧振盪器(C)雙穩態多諧振盪器(D)間歇振 盪器。
132. 計算負載上的功率消耗,需採用何種交流電壓值?(A)最大值(B)平均值(C)有效值(D)瞬間值。
133. SCR 觸發導通的瞬間,須在電路中加入何種元件來抑制過大的 di/dt?(A)電感器(B)電阻器(C)電容器(D)二極體。
134. 電感性直流負載的控制電路中,需在負載兩端並聯何種元件來消除負載所產生的反電勢?(A)電感器(B)電阻 器(C)電容器(D)二極體。
135. 稽納二極體的穩壓電路中,若 V
I
為 40V~60V,R
L
為 500Ω~1000Ω,則稽納二極體在何種情況下功率消耗最 大?(A)V
I
=60V、R
L
=500Ω(B)V
I
=60V、R
L
=1000Ω(C)V
I
=40V、R
L
=500Ω(D)V
I
=40V、R
L
=1000Ω。
136. 電晶體放大器的 h 參數表示為:V
i
=h
i
Ii +h
r
V
o
,I
o
=h
f
I
i
+h
o
V
o
,而其 R
L
=-V
o
/I
o
,此電路之電流增益 A
f
=-I
o
/I
i
為 何?
(A)-h
f
/(1+R
L
h
o
)(B)-h
f
/(1-R
L
h
o
)(C)h
f
/(1+R
L
h
o
)(D)h
f
/(1-R
L
h
o
)。
137. 稽納二極體的稽納崩潰敘述,下列何者錯誤?(A)大多發生在高摻雜的二極體(B)崩潰電壓一般小於 5V(C)若發 生崩潰現象則不能使用(D)崩潰現象係由於高電場所造成。
138. 下列何種電晶體放大器的電壓增益和電流增益皆大於 1?(A)共射極(B)共集極(C)共基極(D)達靈頓。
139. 關於 N 通道 MOSFET 的敘述下列何者錯誤?(A)增強型做放大器使用時V
GS
加正電壓(B)空乏型閘極開路時, 在源極及汲極間加上電壓,將不導通(C)空乏型與增強型皆採用 P 型基底(D)空乏型的V
GS
臨界電壓為負值。
140. 下列敘述何者錯誤?(A)MOSFET 係雙載子元件(B)MOSFET 在 IC 的製程較 BJT 電晶體簡單(C)在 IC 的製造時 常以電晶體取代負載電阻(D)MOSFET 係電壓控制元件。
複選題
複選題:
141. 下列元件中,何者是靠電流來驅動?(A)CMOS(B)BJT 電晶體(C)LED(D)矽控整流器。
複選題
142. 下列哪些是 MOSFET 的分類用語?(A)n-MOS(B)p-MOS(C)BJT-MOS(D)CMOS。
複選題
143. 於一無線電波,如其波長為 λ,頻率為 f,速度為 c,則三者的關係為下列何者?(A)λ=f.c(B)c=f.λ(C)f= c / λ(D)c=f / λ。
複選題
144. 電晶體之 I
C
=2mA,I
E
=2.02mA,下列各值何者正確?(A)I
B
=2mA(B)β
dc
= 100(C)β
dc
= 1000(D)I
B
=0.02mA 。
複選題
145. 電晶體當作電子開關時,它是工作於那些操作區?(A)截止區(B)線性區(C)飽和區(D)動作區。
複選題
146. CMOS 的敘述,下列何者正確?(A)由 n-MOS 與 p-MOS 組成(B)為互補型 MOS(C)可當開關使用(D)是由電流控 制。
複選題
147. 對於霍爾效應的說明,以下何者正確?(A)判斷半導體型態材料(B)可由霍爾電壓(VH)求載子濃度(C)可由霍爾電 壓(VH)求電流(D)測試時,是半導體材料置放於磁場中。
複選題
148. 一個理想運算放大器的特性,下列何者正確?(A)CMRR=0(B)輸出阻抗=0(C)電壓增益=∞(D)輸入阻抗=∞。
複選題
149. 下列元素何者帶有 5 價電子?(A)碳(C )(B)銻(Sb)(C)砷(As)(D)磷(P)。
複選題
150. 下列元素,何者是受體(Acceptor)?(A)硼(B)(B)鎵(Ga)(C)鉛(Pb )(D)銦(In)。
複選題
151. 對於本質半導體的敘述,下列何者正確?(A)是指不摻雜任何物質的半導體材料(B)導電性較佳(C)電子和電洞 是成對的出現,也就是電子數目會等於電洞的數目(D)材料的特性如同絕緣體。
複選題
152. 有關達靈頓(Darlington)電路的敘述,下列何者正確?(A)使用兩個以上電晶體組成(B)輸入阻抗很高(C)可用 NP N 及 PNP 電晶體混合組成(D)電流增益小於 1。
複選題
153. 以下穩壓 IC 的輸出電壓,下列何者正確?(A)7905 輸出–5V(B)7805 輸出+5V(C)8705 輸出+5V(D)7812 輸出+12 V。
複選題
154. 將二階濾波器轉移函數表示成
,如要由此轉移函數達成高通濾波器( High-Pass Filt er,HP ),下列敘述何者正確?(A)n1=n2=0,n0≠0(B)n0= n1=0,n2≠0(C)當 n2=1 時,其高頻增益為 1(D)n0= n2=0,n 1≠0。
複選題
155. 如下圖所示,為 CE 放大器,有關電壓增益
,下列何者正確?
(A)R
C
電阻值變小,A
V
會變小(B)C
E
移走, A
V
不變(C)R
E1
電阻值變小,A
V
會變大(D)C
E
移走,A
V
會變小。
複選題
156. 電源的頻率愈高時,下列單一元件的特性描述,何者正確?(A)電容的容抗值愈大(B)電容的容抗值愈小(C)電 感的感抗值愈大(D)電感的感抗值愈小。
複選題
157. 對 dBm 之定義,為 1 毫瓦的功率消耗在,下列條件下何者正確?(A)600Ω 電阻(B)
(C)參考電壓為 0.775V (D)
。
複選題
158. 下列有關電晶體功率放大器之敘述,何者正確?(A)失真最小,效率最低的是 A 類放大器(B)B 類放大器將工 作點定於轉換曲線的截止點上(C)B 類推挽式放大器需考慮交叉失真的問題(D)A 類放大器在靜態時不會消耗 功率。
複選題
159. A、B、C、AB 類放大器的特性,下列敘述何者正確?(A)依失真而言,C 類最大(B)依失真而言,A 類最小(C) 依效率而言,A 類最高(D)B 類推挽式放大器通常會有交叉失真。
複選題
160. 一個理想二極體,串接有負載電組,下列敘述何者正確?(A)順向時視為短路(B)逆向時切入電壓為零(C)逆向 電阻無限大(D)導通時,電組的輸出電壓(Vo)等於輸入電壓。
複選題
161. 由二極體及電容所組成的 N 倍倍壓電路,下列敘述何者正確?(A)輸出電壓為輸入電壓峰值的 N 倍(B)一般使 用 N 個二極體,N 個電容(C)一般使用 N+1 個二極體,N-1 個電容(D)一般使用 N-1 個二極體,N+1 個電容。
複選題
162. 輸入弦波於整流電路,則下列何者正確?(A)半波整流之輸出頻率與輸入交流頻率相同(B)半波整流之輸出直 36 流電壓為(2/π)V
m
(C)全波整流之輸出頻率為輸入交流頻率的 1/2(D)全波整流之輸出直流電壓為(2/π)V
m
。
複選題
163. 關於橋式整流電路的敘述,下列何者正確?(A)二極體之峰值反向電壓(PIV)為 V
m
(B)二極體數目為 4 個(C)二極 體之峰值反向電壓(PIV)為 2V
m
(D)二極體數目為 2 個。
複選題
164. 關於輸入弦波的全波整流電路中,下列敘述何者正確?(A)電源頻率為 50 Hz 時,則其整流後之漣波頻率為 5 0 Hz(B)電源頻率為 60 Hz 時,則其整流後之漣波頻率為 120 Hz(C)峰值輸入電壓為 150V 時,其輸出直流電壓 約為 95V(D)峰值輸入電壓為 120V 時,其輸出直流電壓約為 55V。
複選題
165. 關於半波整流電路的敘述,當峰值電流為 I
m
,下列何者正確?(A)電流有效值為 0.707I
m
(B)電流有效值為 I
m
/2 (C)電流平均值等於 I
m
/π(D)電流平均值等於 I
m
/2。
複選題
166. 理想電源的敘述,下列何者正確?(A)理想電壓源串聯內阻為零(B)理想電流源並聯內阻為無限大(C)理想電壓 源串聯內阻為無限大(D)理想電流源並聯內阻為零。
複選題
167. 關於半波整流電路的敘述,下列何者正確?(A)輸出的直流電壓為輸入電壓峰值的 0.318 倍(B)輸出的電壓峰值 為輸入交流電壓有效值的 1.414 倍(C)輸出的電壓峰值為輸入交流電壓有效值的 0. 707 倍(D)輸出的直流電壓為 輸入電壓峰值的 1.414 倍。
複選題
168. 對於耦合電路的特性說明,下列何者正確?(A)RC 耦合之頻率響應最好,使用最廣泛(B)變壓器耦合之頻率響 應最差(C)直接耦合於高頻段之頻率響應較差(D)電感耦合之頻率響應最好,使用最廣泛。
複選題
169. 直接耦合電路又稱直流放大器,它的特性敘述,下列何者正確?(A)無耦合電容器(B)電路不穩定(C)可以作交 流放大(D)無高、低頻失真。
複選題
170. 一半波整流電路,若輸入交流電壓有效值為 400 伏特,RL的阻值為 4kΩ,下列何者正確?(A)直流輸出電壓 Vdc=80V(B)直流輸出電壓 Vdc=180V(C)整流二極體之峰值反向電壓(PIV)=56.56V(D)整流二極體之峰值反向電壓 (PIV)=565.6V。
複選題
171. 如下圖所示電路,電晶體的 β=10,V
BE
=0.7V,若 V
C
=10V 下列何者正確?
(A)R
B
=193kΩ(B)V
CE
=10 V(C)I
C
=1mA (D)I
C
=1A。
複選題
172. 積體電路的特徵,下列何者正確?(A)體積小(B)價格便宜(C)重量重(D)功率消耗低。
複選題
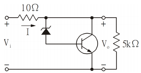
173. 如下圖所示,電晶體的導通電壓 V
BE
=0.6V,稽納(Zener)二極體的崩潰電壓為 6.4V,當 V
i
=12V 時,下列何者 正確?
(A)I=2A(B)I=0.5A(C)V
o
=7V(D)V
o
=6.4V。
複選題
174. 一負載 R
L
=5 kΩ 與稽納二極體並聯的穩壓電路,其 V
Z
=5V 當輸入電壓 V
in
使稽納二極體進入崩潰區,則 R
L
端的輸出電壓 V
L
及輸出電流 I
L
,下列何者正確?(A)V
L
VL
=0V(B)V
L
=5V(C)I
L
=1A(D)I
L
=1mA。
複選題
175. 比較 MOSFET 與 BJT 的特性,下列哪些正確?(A)MOSFET 的輸入電阻大(B)MOSFET 為電流控制(C)MOSFET 較適合大容量電晶體的製程(D)單一細胞體(Cell)比較,MOSFET 之體積較小。
複選題
176. 有關於負回授電路的特性說明,下列何者正確?(A)Aβ>0(B)若 Aβ=-1,則電路開始振盪(C)頻寬變小(D)電壓 37 放大率(Av)變大。
複選題
177. 關於串級放大電路特性的敘述,下列哪些正確?(A)RC 耦合方式最廣被應用(B)耦合電容及射極旁路電容均可 視為開路(C)可使電路增益提高(D)可使頻寬增大。
複選題
178. 對於串級放大電路的特性,下列述敘何者正確?(A)總電壓增益為各級增益的積(B)若有 n 級放大器,每級之 放大倍數均為 A
v
,則總放大倍數為(A
v
)
n
(C)若有 n 級放大器,每級之放大倍數均為 A
v
,則總放大倍數為 nA
v
(D)放大器之功率增益 A
pT
= A
vT
.A
iT
,其中的 A
vT
為電壓增益,A
iT
為電流增益。
複選題
179. 關於電晶體放大電路的敘述,下列何者正確?(A)共集(CC)有最高的輸入電阻(R
i
)(B)共集(CC)有最低的輸入電 阻(R
i
)(C)共基(CB) 有最低的電流增益(A
i
)(D)共基(CB) 有最高的電流增益(A
i
)。
複選題
180. 關於電晶體特性的敘述,下列何者正確?(A)溫度每升高 1℃,V
BE
升高 2.5mV(B)溫度每升高 1℃,V
BE
降低 2. 5mV(C)溫度每升高 10℃,逆向飽和電流 I
CO
的值增加一倍(D)溫度每升高 1℃,逆向飽和電流 I
CO
的值增加一倍。
複選題
181. 有一個三級串級電路,已知 A
v1
=-50,A
v2
=1,A
v3
=-100,且 A
i1
=30,A
i2
=50,A
i3
=80,下列何者正確?(A)總 功率增益為 6×10
8
(B)總電壓增益為 5×10
3
(C)總電壓增益為 150 (D)總電壓增益為 60 ㏒ 5 dB。
申論題 (0)
相關試卷
114年 - 11500 儀表電子 乙級 工作項目 10:裝配與測試知識 1-35(2025/11/04 更新)#133310
114年 · #133310
114年 - 11500 儀表電子 乙級 工作項目 09:儀表電學 101-147(2025/11/04 更新)#133309
114年 · #133309
114年 - 11500 儀表電子 乙級 工作項目 09:儀表電學 51-100(2025/11/04 更新)#133308
114年 · #133308
114年 - 11500 儀表電子 乙級 工作項目 09:儀表電學 1-50(2025/11/04 更新)#133307
114年 · #133307
114年 - 11500 儀表電子 乙級 工作項目 08:微電腦概論與應用 51-74(2025/11/04 更新)#133306
114年 · #133306
114年 - 11500 儀表電子 乙級 工作項目 08:微電腦概論與應用 1-50(2025/11/04 更新)#133305
114年 · #133305
114年 - 11500 儀表電子 乙級 工作項目 07:數位系統 101-150(2025/11/04 更新)#133304
114年 · #133304
114年 - 11500 儀表電子 乙級 工作項目 07:數位系統 51-100(2025/11/04 更新)#133303
114年 · #133303
114年 - 11500 儀表電子 乙級 工作項目 07:數位系統 1-50(2025/11/04 更新)#133302
114年 · #133302
114年 - 11500 儀表電子 乙級 工作項目 06:電子學 151-181(2025/11/04 更新)#133301
114年 · #133301