阿摩線上測驗
登入
首頁
>
技檢◆儀表電子-乙級
> 105年 - 11500 儀表電子 乙級 工作項目 07:數位系統 101-151#39039
105年 - 11500 儀表電子 乙級 工作項目 07:數位系統 101-151#39039
科目:
技檢◆儀表電子-乙級 |
年份:
105年 |
選擇題數:
51 |
申論題數:
0
試卷資訊
所屬科目:
技檢◆儀表電子-乙級
選擇題 (51)
101. 對 CMOS 的敘述,下列何者錯誤?(A)交換速度極快(B)雜訊免疫較大(C)輸入阻抗極高(D)損耗功率低。
102. 半加器的輸入端為 A、B,和輸出為 S,進位輸出為 C,則下列選項中何者錯誤?(A)S=
(B)C=AB (C)只能做 1 個位元相加(D)S=A⊙B。
103. 利用 4 位元二進位加法器做 BCD 碼加法運算時,若結果超過 9,應加多少調整?(A)10(B)16(C)6(D)5。
104. 半加器用基本 AND、OR、NOT 閘來組成,最少需要幾個閘?(A)5(B)6(C)7(D)8。
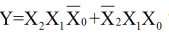
105. 下圖中 S1=0,S0=1,則 F=?
(A)A+B(B)A⊕B(C)AB(D)
。
106. 一對八的解多工器,最少需要多少條選擇線?(A)2(B)3(C)4(D)16。
107. 將 1MHz 方波訊號轉換成 125kHz 的方波,至少需要多少個 JK 正反器?(A)4(B)3(C)2(D)1。
108. 七位元的漣波計數器,可計數的最多模數(modulus)為多少個?(A)256(B)128(C)64(D)8。
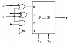
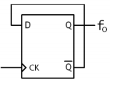
109. 下圖 Clock 頻率為 f,則輸出頻率為何?
(A)f/4(B)f/3(C)f/2(D)f。
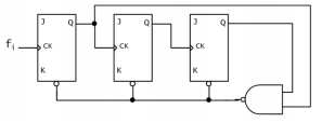
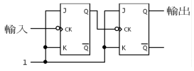
110. 下圖電路 J k 端均接高電位,是何種計數器?
(A)除以 8 的同步計數器(B)除以 5 的同步計數器(C)除以 8 的非同 步計數器(D)除以 5 的非同步計數器。
111. 除以 100 的計數器至少需要幾個正反器?(A)6(B)7(C)8(D)10。
112. 下圖電路相當於何種正反器?
(A)R-S(B)J-K(C)T(D)D。
113. 下圖所示之電路,輸入 20kHz 之訊號,則輸出頻率為何?(A)20kHz(B)10kHz(C)40kHz(D)5kHz。
114. 5 個正反器組成的環形計數器(Ring counter),其除頻模數為多少?(A)32(B)16(C)10(D)5。
115. 6 個正反器組成的強森計數器最多有幾種狀態?(A)6(B)12(C)36(D)64。 複選題:
複選題
116. 將 (78)10以不同的進制系統表示法表示,下列何者正確?(A)(1001100)2(B)(303)5(C)(114)8(D)(4E) 16。
複選題
117. 將 (–64)10分別以 8 位元的符數-大小表示法、1 的補數(1 S)表示法及 2 的補數(2 S)表示法表示,下列何者正 確?(A)帶號-大小表示法為(11000000)(B)1 的補數表示法為(10111111)(C)2 的補數表示法為(11100000)(D)2 的補數 表示法為(11000010)。
複選題
118. 有關 4 位元格雷碼(Gray Code) 與 2 進制碼的轉換,下列哪些為正確的轉換?(A)格雷碼 0011 轉換為 2 進制碼 0 010(B)格雷碼 0100 轉換為 2 進制碼 0111(C)2 進制碼 1001 轉換為格雷碼 1111(D)2 進制碼 1101 轉換為格雷碼 00 11。
複選題
119. 下列哪些文字、數字與符號的「美國資訊標準交換碼(ASCII 碼)」的編碼是正確的?(A)「A」為(65)
16
(B)「9」 為 (39)
16
(C)「$」為(36)
10
(D)「=」為(61)
10
。
複選題
120. (692)10若以 BCD 碼表示,則下列何者敘述正確 ?(A)需用 12 位元來表示(B)百位數 6 的 BCD 碼為 (1000)2(C)十位 數 9 的 BCD 碼為 (1001)2(D)個位數 2 的 BCD 碼為 (0010)2 。
複選題
121. 下列哪些邏輯閘被稱為萬用邏輯閘(Universal Gates)(A)反及閘(NAND)(B)互斥或閘(XOR)(C)反或閘(NOR)(D)反閘 (NOT)。
複選題
122. 下列哪些 1 位元的邏輯閘運算結果正確?(A)1+1=1(B)1‧1=1(C)1⊕1=1(D)1⊙1=1。
複選題
123. 下列哪些積項之和(Sum of Product:SOP)與和項之積(Product of Sum:POS)的關係式為正確(註: 3 個變數名稱 為 X,Y,Z)?(A)
(B)
(C)
(D)
。
複選題
124. 有一企劃案,由經理(A)、課長(B)與 2 位組員(C 與 D) 進行表決,1 表同意、0 表不同意;經理同意可得 5 分、 課長同意可得 3 分,組員同意可得 2 分,若不同意得 0 分,符合(a)或(b)結果視為通過此企劃案:(a)得分 8 分以上,(b) 得分 7 分以下且有 3 人同意,則下列哪些表決結果通過此企劃案?(A)ABCD=1010(B)ABCD=0111 (C)ABCD=1100(D)ABCD=1001。
複選題
125. 如下圖為一組合邏輯電路,若要輸出 F 為 1,則 B、C 與 D 的輸入訊號為何 ?
(A)B=0,C=0,D=0(B)B=0,C= 1,D=0(C)B=1,C=0,D=0(D)B=1,C=1,D=0。
複選題
126. 已知布林函數 F(A,B,C,D)=Σ(1,3,7,11)與 項 d(A,B,C,D)=Σ(0,2,5,15) 可簡化為 下列哪些結果?(A)
(B)
(C)
(D)
。
複選題
127. 以 4 個 JK 正反器設計的強森(Johnson) 計數器,若在最大的計數模式下,則會有哪些輸出狀態?(A)1000(B)101 1(C)1111(D)1010。 44
複選題
128. 有一不規則計數器,共有 4 個不同的狀態(如下圖),由變數 x 控制不同的計數順序,則下列哪些敘述正確? (A)需用 2 個正反器設計此計數器電路(B)當 x=0 時,計數順序為 00→01→10→11→00..(C)當 x=1 時,計數順序 為 00→01→10→11→00..(D)當計數到 01 時,不管 x=0 或 1,下一狀態均為 10。
複選題
129. 下列哪些 TTL 計數器 IC 可直接用來作為上下數的計數器?(A)74190(B)74390(C)74192(D)74193。
複選題
130. TTL IC 7490 具有哪些計數模式?(A)計數模式 5(B)計數模式 8(C)計數模式 10(D)計數模式 16。
複選題
131. TTL IC 7492 具有哪些計數模式?(A)計數模式 4(B)計數模式 6(C)計數模式 8(D)計數模式 12。
複選題
132. TTL IC 7493 具有哪些計數模式?(A)計數模式 4(B)計數模式 8(C)計數模式 12(D)計數模式 16。
複選題
133. TTL IC 7473 與 7476 JK 正反器的比較,下列哪些敘述正確 ?(A)7476 具有 CLEAR(清除) 與 PRESET(重置) 功能 (B)7473的CLOCK時脈為負緣觸發(C)7476的CLOCK時脈為正緣觸發(D)7476 具有 CLEAR(清除) 與 PREEST(重 置)為高電位觸發。
複選題
134. 下列 IC 哪些是共陰極七節(段)顯示器的驅動 IC ?(A)TTL 7447(B)TTL7448(C)CD 4510(D)CD 4511。
複選題
135. 下列哪些 74 系列 TTL (Transistor-Transistor-Logic) IC 邏輯閘的編號正確?(A)7400:NAND 閘(B)7486:XOR 閘(C) 7427:NOR 閘(D)7432:AND 閘。
複選題
136. 下列哪些 TTL IC 可用 1 個來設計成 3x8 的解碼器 ?(A)74138(B)74139(C)7442(D)7483。
複選題
137. 下列哪些 TTL (Transistor-Transistor-Logic)邏輯族 74 系列的產品代碼或特性敘述正確?(A)為商業用途,其工作 溫度範圍為 0℃至 100℃(B)L:表低功率 TTL(C)S:表肖特基(Schottky) TTL(D)H:表高速 TTL。
複選題
138. 下列哪些軟體被歸類為「數位系統設計」應用軟體?(A)Maxplus II(B)Quartus II(C)Verilog HDL(D)Visio。
複選題
139. 下列哪些數位系統所用的術語,其英文全名與縮寫為正確?(A)CPLD:Complex Programmable Logic Device(B)FP GA:Field Programmable Gate Array(C)ASIC:Application Specific Information Code (D)PSOC:Programmable System-on-Chip。
複選題
140. 下列哪些副檔名是為 Quartus 的檔案類型?(A)*.gdf(B)*.vhd(C)*.asm(D)*.sp。
複選題
141. 三個輸入反互斥或閘的輸入為下列哪些時,其輸出信號為 1?(A)000(B)001(C)010(D)011。
複選題
142. 下列哪些邏輯運算式是為狄摩根定律(
)?(A)
(B)
(C) X+XY=X(D) X(Y+Z)=XY+XZ。
複選題
143. 如下圖為片段可執行的 VHDL 程式設計,其 3 個輸入變數分別為 X2、X1與 X0,輸出變數為 Y,則下列哪些 敘述正確?(A)當 X
2
X
1
X
0
=011 時,Y=1(B)當 X
2
X
1
X
0
=110 時,Y=1(C)
(D)
。
複選題
144. 若 1 位元全加器的輸入分別為 A(被加數)、B(加數)、Ci(進位輸入)與輸出 S(和),則下列哪些邏輯運算式正確? (A)
(B)
(C)
(D)
。
複選題
145. 若 1 位元全加器的輸入分別為 A(被加數)、B(加數)、Ci(進位輸入)與輸出 C(進位輸出),則下列哪些邏輯運算 45 式正確?(A)
(B)
(C)
(D)
。
複選題
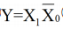
146. 以 4 個 JK 正反器設計的強森(Johnson)計數器,可設計為下列哪些計數模式?(A)模式 8(B)模式 7(C)模式 4(D)模 式 16。
複選題
147. 以 4 個 JK 正反器設計的環形(Ring) 計數器,若在最大的計數模式下,則會有哪些輸出狀態?(A)1000(B)0010(C) 0101(D)1010。
複選題
148. 下列哪些邏輯運算式具有及閘(AND)的等效功能?(A)AB(B)
(C)
(D)
。
複選題
149. 下列哪些規格與數量的解多工器可達成 1x8 解多工器的功能? (解多工器的輸入與選擇線不可有任何邏輯閘) (A)5 個 1×2 解多工器(B)2 個 1×4 解多工器及 1 個 1×2 解多工器(C)1 個 1×4 解多工器及 2 個 1×2 解多工器(D)3 個 1×4 解多工器。
複選題
150. 圖(a)~(d)為邏輯閘的符號圖,則下列哪些敘述正確?(A)圖(a)為 AND 閘(B)圖(b)為 OR 閘(C)圖(c)為 XOR 閘(D)圖 (d)為 NOR 閘。
複選題
151. 下列哪些晶片可燒錄 HDL 程式?(A)TMS320(B)EPM9320LC84(C)XC2V6000(D)MPC89E58。
申論題 (0)
相關試卷
114年 - 11500 儀表電子 乙級 工作項目 10:裝配與測試知識 1-35(2025/11/04 更新)#133310
114年 · #133310
114年 - 11500 儀表電子 乙級 工作項目 09:儀表電學 101-147(2025/11/04 更新)#133309
114年 · #133309
114年 - 11500 儀表電子 乙級 工作項目 09:儀表電學 51-100(2025/11/04 更新)#133308
114年 · #133308
114年 - 11500 儀表電子 乙級 工作項目 09:儀表電學 1-50(2025/11/04 更新)#133307
114年 · #133307
114年 - 11500 儀表電子 乙級 工作項目 08:微電腦概論與應用 51-74(2025/11/04 更新)#133306
114年 · #133306
114年 - 11500 儀表電子 乙級 工作項目 08:微電腦概論與應用 1-50(2025/11/04 更新)#133305
114年 · #133305
114年 - 11500 儀表電子 乙級 工作項目 07:數位系統 101-150(2025/11/04 更新)#133304
114年 · #133304
114年 - 11500 儀表電子 乙級 工作項目 07:數位系統 51-100(2025/11/04 更新)#133303
114年 · #133303
114年 - 11500 儀表電子 乙級 工作項目 07:數位系統 1-50(2025/11/04 更新)#133302
114年 · #133302
114年 - 11500 儀表電子 乙級 工作項目 06:電子學 151-181(2025/11/04 更新)#133301
114年 · #133301