阿摩線上測驗
登入
首頁
>
技檢◆儀表電子-乙級
> 105年 - 11500 儀表電子 乙級 工作項目 07:數位系統1-100#38797
105年 - 11500 儀表電子 乙級 工作項目 07:數位系統1-100#38797
科目:
技檢◆儀表電子-乙級 |
年份:
105年 |
選擇題數:
100 |
申論題數:
0
試卷資訊
所屬科目:
技檢◆儀表電子-乙級
選擇題 (100)
1. 如下圖電路所示,電路中以布林(Boolean)代數式表示應為何?(A)C=A⊕B(B)C=A˙B(C)C=A+B(D)C=A⊙ B。
2. 27256-15 的 EPROM 表示其存取時間為何?(A)1.5ms(B)15ns(C)150ms(D)150ns。
3. EPROM 27128,其容量為何?(A)128kbytes(B)64kbytes(C)32kbytes(D)16kbytes。
4. 如下圖電路所示為何?
(A)單穩態多諧振盪器(B)非穩態多諧振盪器(C)樞密特觸發器(D)正反器。
5. 類比開關(analog switch)加上一解碼器(decoder),不可以做成下列那一種數位電路?(A)多工器(B)移位暫存器(C) 解多工器(D)資料選擇器。
6. 一個 8 位元移位暫存器加上一個反相器,即可組成一個 8 位元詹森計數器(Johnson counter),其計數狀態有幾 個?(A)4(B)8(C)9(D)16。
7. 邏輯閘在其輸入信號頻率增高時,其功率消耗將有何種變化?(A)增加(B)減少(C)不變(D)不一定。
8. 若 f(W,X,Y,Z)=Σ(2,3,5,7,10),請找出下列何者為錯誤的布林式?(A)
(B)
(C)
(D)
。
9. 有一個 5 個變數的布林函數,其函數可包含的最小項有多少個?(A)10(B)32(C)65536(D)2 。
10. JK 正反器的 Q 輸出,若欲由 0 變化成 1,則其 J、K 的輸入組合需為何?(A)J=0、K=x(B)J=1、K=x(C)J=x、 K=1(D)J=x、K=0。(其中 x 表示不理會條件)
11. 互斥或閘不能執行下列那一種工作?(A)資料比較(B)資料多工(C)二進位加法(D)同位元的檢查。
12. 有一個控制輸入及一個資料輸入的邏輯電路,當控制輸入為 0 時,輸出資料和輸入資料相同,當控制輸入 為 1 時,輸出資料為輸入資料的補數,則此邏輯電路為何?(A)AND 閘(B)OR 閘(C)NAND 閘(D)XOR 閘。
13. 一個 OR 閘最少需用幾個 NAND 閘來構成?(A)2 個(B)3 個(C)4 個(D)5 個。
14. 下列何種型式的類比/數位轉換器(A/D converter)之轉換時間(conversion time)最快?(A)雙斜率型(B)計數型(C) 38 逐步漸進型(D)並聯比較型。
15. 一個已簡化過狀態(state)的狀態圖(state diagram)共含有 20 個狀態,最少要使用幾個正反器來設計此電路?(A) 3 個(B)4 個(C)5 個(D)6 個。
16. 有一個 20 級的二進位漣波計數器(binary ripple counter),設每級工作延遲時間為 25ns,試問此計數器最高之 工作頻率為何?(A)40MHz(B)20MHz(C)5MHz(D)2MHz。
17. 下列元件中,哪一個的內部資料不會因停電而消失?(A)DRAM(B)SRAM(C)CMOS RAM(D)EEPROM。
18. 二進位數 0101010101 轉換成十進位數,等於多少?(A)5(B)314(C)341(D)11111。
19. 十進位數 123 轉換成十六進位數,等於多少?(A)7A(B)7B(C)7C(D)7D。
20. A+BC=(A+B)(A+C)是下列那一種定律?(A)結合律(B)分配律(C)交換律(D)第摩根定理。
21.
是下列那一種定律?(A)結合律(B)分配律(C)交換律(D)吸收律。
22. 在 2 的補數運算時,下列何者有可能產生下限溢位(underflow)?(A)負數減負數(B)負數減正數(C)正數減負數(D) 正數減正數。
23.
假如 則其積之和(SOP)為何?(A)Σ(0,2,3,7)(B)Σ(1,4,5,6,)(C)Σ(2,3,5,7)(D)Σ(3,4,6,7)。
24. TTL 和 CMOS 相比較,TTL 的特徵為何?(A)速度快、功率消耗小(B)速度慢、功率消耗大(C)速度快、功率消 耗大(D)速度慢、功率消耗小。
25. 標準 TTL 的輸出低位電流 I
OL
為多少?(A)16mA(B)1.6mA(C)400μA(D)40μA。
26. 數個 JK 正反器,可以組成下列哪一種電路?(A)解碼器(B)解多工器(C)環形計數器(D)單擊電路。
27. 組成移位暫存器最常用的是那一種的正反器?(A)D 型正反器(B)RS 型正反器(C)JK 型正反器(D)T 型正反器。
28. 若
則下列何者為其正確的和之積(POS)數字形式?(A)Π(1,2,6,9)(B)Π(1,2,1 3,14)(C)Π(6,9,12,13)(D)Π(6,9,13,14)。
29. 下述布林(Boolean)代數式中,哪一個是不同的函數?(A) F=AC+BC(B)
(C)F=AC+ABC (D)
。
30. 一個 8 線至 1 線的多工器,其選擇線需要幾條?(A)8 條(B)4 條(C)3 條(D)2 條。
31.
,此布林代數式所表示的邏輯電路是下列那一種?(A)多工器(B)解多工器 (C)解碼器(D)計數器。
32. 可以由使用者燒錄的記憶器,經燒錄後不可再改變其內容的,名稱為何?(A)PROM(B)EPROM(C)mask ROM(D) EEPROM。
33. 在 TTL 積體電路中,含樞密特電路的反相器和普通的反相器,其最大差別為?(A)輸出電壓不同(B)電源電壓 不同(C)扇入數不同(D)臨限(threshold)電壓值不同。
34. 標準 TTL 系列之輸出最多能驅動幾個同系列 IC 之輸入?(A)8 個(B)9 個(C)10 個(D)12 個。
35. TTL 邏輯族的 74 系列其電源電壓範圍為何?(A)4.6V~5.4V(B)4.65V~5.35V(C)4.7V~5.3V(D)4.75V~5.25V。
36. 下列各種邏輯族均以+5V 當作電源電壓時,何者的雜訊邊際(noise margin)為最小?(A)4000 系列(B)74LS 系列(C) 74HC 系列(D)74ACT 系列。
37. 設函數 f(A,B,C,D)=Σ(0,1,2,3,6,7,8,9,12,13,14,15)則下列何者為其最簡式?(A)
(B)
(C)
(D)
。
38. 全加法器的輸入為 A、B 且進位輸入為 C,若和輸出為 S,則 S 的邏輯函數為何?(A)AB+CA+CB(B)AB+C(A ⊕B)(C)A⊕B⊕C(D)AB⊕BC。
39. 用 2 的補數法表示-115 應為下列何者?(A)10001100(B)10001101(C)10110011(D)10110100。
40. 十六進位數 3FC 轉換成十進位數,等於多少?(A)1019(B)1020(C)1035(D)1036。
41. 全加法器的輸入為 A、B 且進位輸入為 Ci,則進位輸出 Co 之邏輯函數=?(A)
(B)
(C)
(D)
。
42. 將 0.875 轉換成二進制應等於?(A)0.1010(B)0.1011(C)0.1100(D)0.1110。
43. 以 3 組正反器所構成之詹森計數器(Johnson counter),其最大模數為?(A)5(B)6(C)7(D)8。 39
44. 設有五個輸入變數的布林函數式 f(A,B,C,D,E),若要使用多工器來實現此函數時,則最佳選擇為選用?(A)4 對一(B)8 對一(C)16 對一(D)32 對一。
45. 下列何者可僅使用一個邏輯閘來作為一位元的比較器?(A)NAND(B)NOR(C)AND(D)XNOR。
46. 有兩級 JK 正反器,第一級正反器的輸出 Q1 與
分別接至第二級正反器的輸入 J2 與 K2,又其第二級正 反器的輸出 Q2 與
分別接至第一級正反器的輸入 K1 與 J1,試問此電路共可產生幾種不同的狀態?(A)4 (B)3(C)2(D)1。
47. 使用漣波計數器設計除頻電路,現有 10MHz 的振盪信號,試問最少應用幾級正反器方可將信號除頻至 1Hz 以下?(A)22(B)23(C)24(D)25。
48. 若要將信號除頻 1000 倍以上,則使用下列哪一種計數器組成的除頻電路,其使用的正反器個數最少?(A)B CD 計數器(B)漣波計數器(C)環形計數器(D)強森計數器。
49. 將 24 位元的無號數除以非零的 16 位元無號數,則其商與餘數各為幾位元?(A)24,8(B)24,16(C)16,8(D)8,1 6。
50. 下列布林代數何者有錯誤?(A)
(B)
(C)
(D)
。
51. 有一布林代數 F(A,B,C,D)=Σ(4,6,7,12,14,15),化簡後為何?(A)
(B)
(C)
(D)BC+BD 。
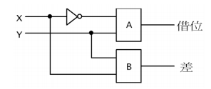
52. 如下圖邏輯電路所示,以和之積(product of sum)形式表示,其輸出 F 為何?
(A)
(B)
(C)
(D)
。
53. 下列敘述何者錯誤?(A)將多個輸入信號選擇一個送至輸出的是多工器(B)將多個輸入信號選擇一個送至輸出 的是解多工器(C)解多工器可當解碼器使用(D)編碼器為解碼器之相反功能。
54. 下列 TTL IC 何者不是開路集極(open-collector)閘?(A)SN7400(B)SN7401(C)SN7403(D)SN7405。
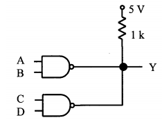
55. 如下圖所示電路,若 IC 採用開集極閘,則輸出為何?
(A)AB+CD (B)
(C)
(D)
。
56. 一個二進位數為 110001,則其 1'S 補數及 2'S 補數相加後的結果為何?(A)011101(B)011100(C)001110(D)001111。
57. 下列何種輸入電壓 SN7400 無法判別其邏輯狀態?(A)0.2V~0.7V(B)1.0V~1.5V(C)3V~5V(D)4.75V~5.25V。
58. 5 位元之 D/A 轉換器,若輸入 10100 時輸出為 80mV,當輸出為 40mV 時,輸入為何?(A)00101(B)01000(C)010 10(D)01110。
59. 下列何者是用來表示 D/A 轉換器輸出電壓最小變化量?(A)準確度(B)線性度(C)精密度(D)解析度。
60. 對於 TTL IC 而言,下列哪一個輸出級與條件,可得到最大的驅動能力?(A)圖騰式低電位輸出(B)圖騰式高電 位輸出(C)開路集極式高電位輸出(D)三態式於高阻抗模式。
61. 下列哪一個邏輯運算子,無法滿足結合律的條件?(A)AND(B)OR(C)NOR(D)XNOR。
62. 三變數的函數 f=Σ(0,1,4,7)可以用下列哪一個函數來代替?(A)Π(0,1,4,7)(B)Π(2,3,5,6)(C)Π(0,2,4,6) (D)Π(1,4,6,7)。
63. 在 TTL 的輸出級電路裡,適合將輸出端並接形成線接及閘(wired-AND)的是下列哪一種結構?(A)推挽式(B) 圖騰式(C)三態式(D)開路集極式。 40
64. 可以使用差動信號輸入以提升雜訊免疫力,並減低溫度或元件特性影響的是下列哪一種邏輯家族?(A)ECL (B)RTL(C)TTL(D)CMOS。
65. 在不使用其他邏輯閘的條件下,需要幾個 2×4 的解碼器,才恰好完成一個 4×16 的解碼器?(A)3(B)4(C)5(D)6。
66. 在算術邏輯單元(ALU)中,選擇不同運算來源的是下列哪一種電路?(A)編碼器(B)多工器(C)解碼器(D)解多 工器。
67. 為了解決多組中斷同時產生的困擾,需以下列哪一種電路,來選擇優先處理的中斷事件?(A)解多工器(B)解 碼器(C)多工器(D)優先權編碼器。
68. 以 4 顆 2716 EPROM 組成等效於一顆 2764 EPROM 的記憶體電路時,需外加下列哪一種電路才能正常工作? (A)解碼器(B)編碼器(C)多工器(D)加法器。
69. 下列哪一個邏輯閘不能完成反相器的功能?(A)XOR(B)NOR(C)XNOR(D)OR。
70. 對於模數 4 的標準環形計數器而言,在計數過程中,不應出現下列哪一個數值?(A)0000(B)0001(C)0010(D)0100。
71. 下列各種數碼中,哪一種屬於加權碼?(A)ASCII(B)Big5(C)BCD(D)格雷碼。
72. 兩個八位元二進制數有號數 11100110 與 11111101 相乘,負數以 2 補數方式呈現,其結果為:(A)01001110(B)1 0110010(C)11001010(D)00001110。
73. 將十六進制數 57 與 40 做 XOR 運算,其結果為:(A)57(B)37(C)17(D)47。
74. 如下圖電路所示, Q
B
Q
A
不含瞬間狀態的計數順序為何?(A)00→00→00→00→00(B)00→01→00→01→00(C)0 0→01→10→11→00(D)00→01→10→00→01。
75. 如下圖所示電路,下列哪一個名稱比較適合?(A)D 型閂鎖(latch)(B)比較器(C)多工器(D)解碼器。
76. 如下圖所示電路,其輸出函數與下列何者相同?
(A)XNOR(B)XOR(C)NOR(D)NAND。
77. 如下圖所示電路,其輸出函數 Y 與下列何者相同?(A)AND(B)OR(C)NAND(D)NOR。
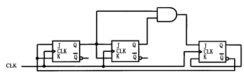
78. 如下圖所示電路是哪一種同步計數器?(A)模數 8(B)模數 7(C)模數 6(D)模數 5。
79. 有兩個二進制數 0110 與 1101 做運算所得到的結果為 1011,試問這兩者所做的運算為下列何者?(A)加法(B) 減法(C)互斥或運算(D)互斥反或運算。
80. 格雷碼 1011 轉換為二進制碼後之結果為:(A)0110(B)1010(C)1101(D)1111。
81. 十進位 14.25 化成二進位時,應為下列何者?(A)1101.11(B)1011.01(C)1110.01(D)1110.10。
82. 10110110 轉換成二進位,等於下列何者?(A)11001010(B)11101101(C)11011011(D)10110110。
83. BCD 碼 100101110001 轉換成十進位,等於下列何者?(A)204(B)315(C)917(D)971。
84. 二進位 0110010 之 2 的補數為下列何者?(A)1001101(B)1001110(C)1001111(D)1001100。
85. 十進位 55 與 88 相加後,再取其和之 2 的補數,其結果為下列何者(以十六進位表示)?(A)DD(B)71(C)31(D)8 F。
86. 十進位 1925.125 之八進位數為下列何者?(A)3605.1(B)2605.1(C)4531.1(D)2712.2。
87.
化簡後結果為下列何者?(A)0(B)
(C)
(D)1。
88. X=
可化簡為下列何者?(A)
(B)
(C)
(D)A。
89. 邏輯函數 F=
可表示為下列何者?(A)A+B+C(B)(A+B)⊕C(C)
(A+B+C)(D)A ⊕B⊕C。
90. 如下圖開關電路,斷路視為"0",短路視為"1",則由 X 到 Y 的布林函數為下列何者?
(A)B(A+B)(B)A+B(C)A+ AB(D)A‧B。
91. 如下圖所示,邏輯電路輸出 F 為下列何者?(A)A+B(B)A‧B(C)
(D)A⊕B。
92. 如下圖所示之電路,其輸出端 C 應為下列何者?(A)A+B(B)AB(C)
(D)
。
93. 如下圖所示,下列何種情況會使輸出 Z=1?
(A)A>B(B)A=B(C)A<B(D)A≠B。
94. F(A,B,C,D)=Σ(0,3,4,7,9,11,13,14,15),下列選項何者為正確?(A)
=Σ(1,2,5,6,8,10,12)(B)
=Π(1,2,5,6,8,10,12)(C)F =Π(1,2,5,6,8,10,12)(D)
=Π(0,3,4,7,9,11,13,14,15)。
95. 邏輯函數 F=
之簡化的積之和為下列何者?(A)F=
(B)F=
(C)F=
(D)F=
。
96. 如欲化簡 X=
,則 X 之表示式應為下列何者?(A)BC⊕AD(B)BC⊕A
(C)
(D)
⊕CD。
97. 共陰七段顯示器,若 abcdefg=0110011,則會顯示為下列何者?(A)3(B)4(C)5(D)6。
98. 共陽極的七段顯示器,如在 a、b、d、e、g 接腳上加上低電位,則將顯示為下列何者?(A)0(B)2(C)5(D)9。
99. 如下圖所示為何種邏輯電路?
(A)AND(B)OR(C)NAND(D)NOR。
100. 如下圖所示為半減器結構,A 與 B 分別為何種邏輯閘?(A)A=XOR,B=AND(B)A=XNOR,B=AND(C)A=AND, B=XOR(D)A=AND,B=XNOR。
申論題 (0)
相關試卷
114年 - 11500 儀表電子 乙級 工作項目 10:裝配與測試知識 1-35(2025/11/04 更新)#133310
114年 · #133310
114年 - 11500 儀表電子 乙級 工作項目 09:儀表電學 101-147(2025/11/04 更新)#133309
114年 · #133309
114年 - 11500 儀表電子 乙級 工作項目 09:儀表電學 51-100(2025/11/04 更新)#133308
114年 · #133308
114年 - 11500 儀表電子 乙級 工作項目 09:儀表電學 1-50(2025/11/04 更新)#133307
114年 · #133307
114年 - 11500 儀表電子 乙級 工作項目 08:微電腦概論與應用 51-74(2025/11/04 更新)#133306
114年 · #133306
114年 - 11500 儀表電子 乙級 工作項目 08:微電腦概論與應用 1-50(2025/11/04 更新)#133305
114年 · #133305
114年 - 11500 儀表電子 乙級 工作項目 07:數位系統 101-150(2025/11/04 更新)#133304
114年 · #133304
114年 - 11500 儀表電子 乙級 工作項目 07:數位系統 51-100(2025/11/04 更新)#133303
114年 · #133303
114年 - 11500 儀表電子 乙級 工作項目 07:數位系統 1-50(2025/11/04 更新)#133302
114年 · #133302
114年 - 11500 儀表電子 乙級 工作項目 06:電子學 151-181(2025/11/04 更新)#133301
114年 · #133301