阿摩線上測驗
登入
首頁
>
技檢◆儀表電子-乙級
> 105年 - 11500 儀表電子 乙級 工作項目 10:檢修知識#38855
105年 - 11500 儀表電子 乙級 工作項目 10:檢修知識#38855
科目:
技檢◆儀表電子-乙級 |
年份:
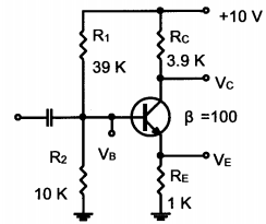
105年 |
選擇題數:
35 |
申論題數:
0
試卷資訊
所屬科目:
技檢◆儀表電子-乙級
選擇題 (35)
1. 如下圖所示之電路發生故障,用三用電表測量得知 V
O
為+12V,V
E
為 0 時,其可能故障原因為何﹖
(A)R
1
開路 (B)R
2
開路(C)R
C
短路(D)R
E
短路。
2. 若七段 LED 顯示器的其中一段已燒毀,而無法使其發亮,經測試顯示數字 4、5 都正常則那一段不亮﹖(A)a 段(B)e 段(C)f 段(D)g 段。
3. 下列何種儀表最適用於檢修矽控整流器(SCR)的觸發電路﹖(A)邏輯測試棒(B)數位電壓表(C)儲存示波器(D)三用 電表。
4. 具有良好接地的電子設備,若以電壓表測量它的金屬機殼對電源中線(neutral)的電壓應為何?(A)220V(B)110V (C)25V(D)0V。
5. 若 CE 放大器之射極旁路電容器 C 開路故障,則將產生下列何種現象﹖(A)工作點 Q 偏移(B)電壓增益減少(C) 輸入阻抗變小(D)電路將產生振盪。
6. 7447 輸出所推動的 LED 七段顯示器,若都只顯示“8”,則其可能的原因為何﹖(A)遮沒輸入腳 BI 腳接地(B) 漣波遮沒輸入腳 RBI 接地(C)顯示器測試腳 LT 接地(D)漣波遮沒輸出腳 RBO 接地。
7. 若用指針式三用電表來判別印刷電路板上之電晶體是否有短路時,三用電表的歐姆檔應轉至何檔較適當﹖(A) R×10K(B)R×1K(C)R×100(D)R×1。
8. 下列的檢修過程中,何者為不正確的方法﹖(A)直流電壓之量測為最基本的故障檢修步驟(B)若通信裝置沒輸出 信號時,可採用信號追蹤法來檢修(C)可直接在電路板下,用三用電表之 R×10K 檔量測電阻器(D)主動元件故障 時,需再量測週邊元件是否正常,以確定真正故障所在。
9. 電源關閉後,要等待數秒鐘後再開,下列何者為其正確理由﹖(A)除去靜電(B)使電路恢復穩定狀態(C)讓開關休 息(D)不要過熱。
10. 如下圖電路所示,若測得 V
B
=2.7V、V
E
=2V,則下列何者為可能的故障原因?
(A)R
E
開路(B)R
1
開路(C)R
2
開路 (D)R
2
短路。
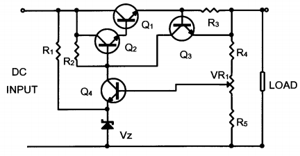
11. 如下圖電路所示,以下敘述何者為錯誤﹖
(A)Q
1
的作用為增大負載容量(B)VR
1
向上移動時,輸出電壓上升 (C)Q
3
、R
3
為一保護電路(D)為一串聯型穩壓電路。
12. 如下圖電路所示,若測得 V
B
=2V、V
E
=0V、V
C
=10V,則下列何者為可能的故障原因﹖(A)電晶體 BE 接面 開路(B)R
C
短路(C)R
E
開路(D)電晶體 BC 接面開路。
13. 使用 CMOS 之數位 IC 時,下列何者為錯誤的保護或使用狀況?(A)穿尼龍衣時盡量避免接觸 IC(B)未使用時應 置放於導電泡棉上(C)裝配時未使用到的接腳浮接(D)銲接時烙鐵以不超過 30W 為宜。
14. 如下圖電路所示,若 LED 為常亮不滅,可能出現故障的原因為下列何種?(A)A 點開路(B)B 點對 Vcc 短路(C)C 點對 Vcc 短路(D)D 點開路。
15. 對靜電敏感之電子設備進行檢修時,下列敘述何者為錯誤?(A)待修及檢修設備均應保持接地狀態(B)工作台面 須有防靜電桌面(C)需在恆溫工作場所(D)人員需佩戴靜電環。
16. 若電源供應器以電壓源模式供給待修電路時,發現電源供應器由 CV(定電壓)模式跳到 CC(定電流)模式, 此時應進行的動作為何?(A)關掉電源供應器,以電表量測待修電路是否短路(B)持續觀察,是否有發燙元件(C) 提高輸出電流(D)量測電壓下降到幾伏特。
17. 若要量測電路中之純交流信號,可在測試點與探棒或測試導線間做何種處理?(A)串一個電感器(B)串一個電容 器(C)串一個電阻器(D)對地並一個電容器。
18. 更換電解電容器時,不需要考慮下列何者?(A)工作電壓(B)極性(C)需先放電(D)包裝顏色。
19. 下列何種儀器最適合用於數位串列信號的測試?(A)計數器(B)儲存示波器(C)邏輯測試棒(D)三用電表。
20. 下列有關電源穩壓電路輸出端之敘述,何者為錯誤?(A)會並聯大電容來做低頻濾波(B)會串聯電感來做雜訊抑 制(C)會並聯小電容來做高頻雜訊抑制(D)會串聯電阻來做雜訊抑制。
21. 關於邏輯探測棒,下列敘述何者錯誤?(A)可測 High 電位(B)可測 Low 電位(C)可測電壓大小(D)可測 Pulse。
22. 邏輯探測棒可用來測量下列何值?(A)波型(B)電流(C)電壓(D)高電位或低電位。
23. 依工作法則,螺絲若不易拆下應如何處理?(A)加少許潤滑油後再拆(B)用尖嘴鉗取下(C)用電動起子(D)用鋸子拆 除。
24. 三用電表測量鎢絲電燈泡時,若電阻無限大,則表示此一燈泡如何?(A)故障(B)瓦特數很小(C)額定電流很小(D) 瓦特數很大。
25. 三用電表測量鎢絲燈泡是否燒毀,應使用何種檔位量測?(A)ACV 檔(B)DCV 檔(C)DCmA 檔(D)歐姆檔。
26. 三用電表面板上有一鏡面是為了避免何種狀況發生?(A)視覺誤差(B)系統誤差(C)儀器誤差(D)殘餘誤差。
27. 三用電表量測 LED 發亮時,量測結果下列何者正確?(A)數位式電錶紅棒為 LED 陰極(B)數位式電錶黑棒為正 電壓(C)指針式電錶紅棒為 LED 陽極(D)指針式電錶黑棒正電壓。
複選題
複選題:
28. CMOS IC 比 TTL IC 具有較佳的特性中,包括下列哪些?(A)低消耗功率(B)工作電壓範圍寬廣(C)高輸入阻抗(D) 頻率響應快速。
複選題
29. 有關四線式電阻測量方法的敘述下列哪些是正確的?(A)較適合用於高電阻值的測量(B)外側兩條為電流端子 (C)是屬於一種電橋測量方法(D)主要目的是為了降低接觸電阻的影響。
複選題
30. 欲檢修單晶片 8051 輸出埠 Port A 的資料匯流排訊號時,下列哪些設備可用於觀測各腳位的訊號?(A)儲存式 數位示波器(B)邏輯分析儀(C)邏輯探棒筆(D)頻譜分析儀。
複選題
31. 下列有關邏輯分析儀的敘述哪些是正確的?(A)適合檢修並列通訊介面(B)輸入通道至少都有8個以上(C)測量時 待測系統要先關機才能量測(D)可用來測量微處理機指令的執行過程。
複選題
32. 下列有關指針式三用電表的敘述哪些是正確的?(A)使用 ACV 檔量測交流信號時讀值表示電壓的平均值(B)若 要辨別電晶體的 C、B、E 接腳需將電表切換至歐姆檔(C)當電池沒電時全部檔位皆不能測量(D)要判斷二極體 的極性要使用歐姆檔。
複選題
33. 下列有關儀表檢修的敘述哪些是正確的?(A)電路板上最易遭受人體靜電損壞的 IC 為 TTL IC(B)檢修電路板前 應配戴防靜電手環(C)大電力儀表的檢修在排除故障前應穿好絕緣鞋和其他防護用品(D)使用邏輯筆、示波器檢 測信號時,可以讓探針同時接觸兩個測量引腳。
複選題
34. 下列有關電子儀表的檢修原則的敘述哪些是正確的?(A)先由電源部分開始查起(B)先從繁雜的電路開始著 手,再進行簡易的電路檢修(C)先由儀表外邊的連線、插接元件等部分檢查起,再拆卸檢查內部元件(D)先進行 送電後對儀表的動態檢查著手,再進行不送電的靜態檢查。
複選題
35. 下列有關儀器或儀表的檢修原則的敘述哪些是正確的?(A)可以先使用三用電表的歐姆檔進行不送電的測量 (B)檢測電源中的濾波電容時可利用測試棒來代替導線先將電解質電容器的正負極短路放電(C)不可帶電插拔 各種控制板和插頭(D)檢修時也可以先上下左右敲一敲,也許就會恢復正常。
申論題 (0)
相關試卷
114年 - 11500 儀表電子 乙級 工作項目 10:裝配與測試知識 1-35(2025/11/04 更新)#133310
114年 · #133310
114年 - 11500 儀表電子 乙級 工作項目 09:儀表電學 101-147(2025/11/04 更新)#133309
114年 · #133309
114年 - 11500 儀表電子 乙級 工作項目 09:儀表電學 51-100(2025/11/04 更新)#133308
114年 · #133308
114年 - 11500 儀表電子 乙級 工作項目 09:儀表電學 1-50(2025/11/04 更新)#133307
114年 · #133307
114年 - 11500 儀表電子 乙級 工作項目 08:微電腦概論與應用 51-74(2025/11/04 更新)#133306
114年 · #133306
114年 - 11500 儀表電子 乙級 工作項目 08:微電腦概論與應用 1-50(2025/11/04 更新)#133305
114年 · #133305
114年 - 11500 儀表電子 乙級 工作項目 07:數位系統 101-150(2025/11/04 更新)#133304
114年 · #133304
114年 - 11500 儀表電子 乙級 工作項目 07:數位系統 51-100(2025/11/04 更新)#133303
114年 · #133303
114年 - 11500 儀表電子 乙級 工作項目 07:數位系統 1-50(2025/11/04 更新)#133302
114年 · #133302
114年 - 11500 儀表電子 乙級 工作項目 06:電子學 151-181(2025/11/04 更新)#133301
114年 · #133301