阿摩線上測驗
登入
首頁
>
技檢◆配電線路裝修-甲級
> 107年 - 107-3 全國技術士技能檢定學科_甲級:04000配電線路裝修#95086
107年 - 107-3 全國技術士技能檢定學科_甲級:04000配電線路裝修#95086
科目:
技檢◆配電線路裝修-甲級 |
年份:
107年 |
選擇題數:
80 |
申論題數:
0
試卷資訊
所屬科目:
技檢◆配電線路裝修-甲級
選擇題 (80)
1. 3 條 1/C25kV500MCM 交連 PE 電纜,使用拉線眼組拖拉於直線管路,該電纜允許之最大張力約為 (A)6400 公斤(B)8400 公斤(C)5400 公斤(D)7400 公斤。
2. 拖拉 3 條 1/C25kV500MCM 交連 PE 電纜,計算其磨擦力時,校正常數 K 等於(A)1.3(B)1.5(C)1.2(D)1. 0。
3. 依據「輸配電設備裝置規則」,架設 1∮2W 6.6kV 單相高壓線路時,與房屋之水平間隔應在(A)2. 5(B)2(C)1.2(D)1.5 公尺以上。
4. 配電線路之一次、二次線路共用中性線者,該中性線平均每(A)400 公尺(B)600 公尺(C)300 公尺(D)50 0 公尺 應有一處接地。
5. 一用戶將單相二線式供電改成單相三線式供電,其線路電壓降減為原來之(A)1/4(B)1/3(C)2/3(D)1/2。
6. 用戶供電可靠度要求較高之商業及辦公大樓地區,為避免用戶有瞬間停電現象,配電系統型態宜 採用(A)常開環路型(B)放射型(C)一次選擇型(D)重點網路型。
7. 運轉電壓為 22.8kV 之線路,其電纜之維護試驗,採用直流電壓為(A)55kV(B)45kV(C)80kV(D)60kV。
8. 依據台灣電力公司技術手冊「地下配電線路設計」,電纜穿設應按管路排列方式(A)由下而上,面 向電源由右而左,並注意合理之彎曲度(B)由下而上,由內而外(C)由下而上,面向電源由左而右(D) 由下而上,由外而內。
9. 高壓電纜遮蔽層之接地應(A)僅限於直線接頭處(B)不限處所(C)在終端及直線接頭處(D)僅限於終端 處。
10. 純電容性之負載(A)電流超前電壓相位 90°(B)電壓超前電流相位 90°(C)電流與電壓同相(D)電壓與電流 相差 30°。
11. 施作各種電纜接頭時,需使用砂布在電纜外皮磨粗,該砂布之磨粗方向應與電纜成(A)45°(B)30°(C)9 0°(D)平行。
12. 下列何者非為職業病預防之危害因子?(A)遺傳性疾病(B)化學性危害(C)人因工程危害(D)物理性危 害。
13. 下列何者不是變壓器的試驗項目之一(A)衝擊電壓試驗(B)溫升試驗(C)開路試驗(D)衝擊電流試驗。
14. 我國移動污染源空氣污染防制費的徵收機制為何?(A)依車輛里程數計費(B)依牌照徵收(C)隨油品銷 售徵收(D)依照排氣量徵收。
15. 某公司員工因執行業務,擅自以重製之方法侵害他人之著作財產權,若被害人提起告訴,下列對 於處罰對象的敘述,何者正確?(A)僅處罰雇用該名員工的公司(B)員工只要在從事侵犯他人著作財 產權之行為前請示雇主並獲同意,便可以不受處罰(C)僅處罰侵犯他人著作財產權之員工(D)該名員 工及其雇主皆須受罰。
16. 單相二線式 110 伏特低壓線路之導線,其電阻為 0.3 歐姆、電抗為 0.4 歐姆,如負載電流為 100 安培,功率因數為 0.8,則線路壓降為(A)96(B)126(C)86(D)116 伏特。
17. 設變壓器二次滿載電壓為 220V,無載電壓為 240V,則變壓器滿載時之電壓調整率為(A)3%(B)12% (C)9%(D)6%。
18. 人孔內之高壓電纜直線接頭應放在(A)懸空處(B)孔底上(C)固定架上(D)低壓電纜上。
19. 以活線進行礙子注水清掃,須選用無鹽份及酸份之清水為之,其電阻值應在_____Ω/cm
3
以上。(A)1,300(B)1,500(C)1,00 0(D)1,700
20. 變壓器 V-V 結線,如結線正確時電壓為 220V,如將極性結錯時,則三相電壓分別為(A)220、220、 380V(B)220、110、380V(C)220、0、220V(D)110、220、0V。
21. 流行病學實證研究顯示,輪班、夜間及長時間工作與心肌梗塞、高血壓、睡眠障礙、憂鬱等的罹 病風險之相關性一般為何?(A)無(B)可正可負(C)正(D)負。
22. 小狗在道路或其他公共場所便溺時,應由何人負責清除?(A)土地所有權人(B)警察(C)清潔隊(D)主人。
23. 架空高壓配電線路跨越一般道路,其建設等級之選擇為(A)一級(B)三級(C)二級(D)特級。
24. 桿上變壓器之電壓分接頭為 6900V,測得二次電壓為 105V,若分接頭改為 6300V,則二次電壓變 為(A)118V(B)112V(C)115V(D)109V。
25. 功率因數為 0.8 之負載 100kVA 以 50kVAR 改善功率因數後之 kVA 為(A)80.6(B)90(C)100(D)110。
26. 變壓器的開路試驗係測量變壓器之(A)鐵損(B)衝擊電流(C)衝擊電壓(D)銅損。
27. 專利權又可區分為發明、新型與新式樣 3 種專利權,其中,發明專利權是否有保護期限?期限為 何?(A)有,20 年(B)無期限,只要申請後就永久歸申請人所有(C)有,5 年(D)有,50 年。
28. 活線作業時,工作者之手臂必須保持在作業活線的(A)下方(B)上方(C)平行位置(D)垂直位置 活動才 安全。
29. 台灣電力公司配電系統之直線線路,原則上約(A)35(B)20(C)30(D)25 檔線做一處四方支線。
30. 一變壓器供電三用戶,各用戶最高負載各為 50kW、40kW 及 30kW,而變壓器之最高負載為 90k W,則其參差因數為(A)1.33(B)1.50(C)2.25(D)1.80。
31. 下列哪些廢紙類不可以進行資源回收?(A)紙尿褲(B)雜誌(C)報紙(D)包裝紙。
32. 屋頂隔熱可有效降低空調用電,下列何項措施較不適當?(A)屋頂儲水隔熱(B)於適當位置設置太陽 能板發電同時加以隔熱(C)鋪設隔熱磚(D)屋頂綠化。
33. 清洗懸垂礙子作業以先清洗靠近電源側之礙子為原則,每只礙子(A)先洗上方、次洗左右方(B)先洗 下方、次洗上方(C)先洗下方、次洗左右方(D)先洗上方、次洗下方。
34. 有關專利權的敘述,何者正確?(A)專利有規定保護年限,當某商品、技術的專利保護年限屆滿, 任何人皆可運用該項專利(B)專利權可涵蓋保護抽象的概念性商品(C)我發明了某項商品,卻被他人 率先申請專利權,我仍可主張擁有這項商品的專利權(D)專利權為世界所共有,在本國申請專利之 商品進軍國外,不需向他國申請專利權。
35. 下列何者燈泡發光效率最高?(A)鹵素燈泡(B)省電燈泡(C)LED 燈泡(D)白熾燈泡。
36. 台灣電力公司電價表所指的夏月用電月份(電價比其他月份高)是為(A)5/1~8/31(B)6/1~9/30(C)7/1~10 /31(D)4/1~7/31。
37. 如果工作中擔任採購的任務,自己的親朋好友都會介紹自己產品,以提供你購買時,我應該(A)暗 中地幫忙親朋好友,不要被發現即可(B)既然是親朋好友,應該互相幫忙(C)建議親朋好友將產品折 扣,折扣部分歸於自己,就會採購(D)適時地婉拒,說明利益需要迴避的考量,請他們見諒。
38. 活線作業時用來掩蔽活線導線之護工具為(A)橡皮橫擔套(B)橡皮毯(C)橡皮肩套(D)橡皮線管。
39. 由低壓或高壓供電線引至用戶進屋點之線路稱為(A)供電線路(B)架空線路(C)進屋線(D)接戶線。
40. 為了節能及兼顧冰箱的保溫效果,下列何者是錯誤或不正確的做法?(A)冰箱內食物擺滿塞滿,效 益最高(B)冰箱內上下層間不要塞滿,以利冷藏對流(C)冰箱門的密封壓條如果鬆弛,無法緊密關門, 應儘速更新修復(D)食物存放位置紀錄清楚,一次拿齊食物,減少開門次數。
41. 配電線路負載之功率因數愈差,則該線路之阻抗(A)愈大(B)成平方減少(C)不變(D)愈小。
42. 架設 AWG#2 ACSR 高壓配電線路,轉彎 25 度時裝桿方式應按(A)直線裝置,使用單一裝腳礙子(B) 大角度轉彎裝置,使用兩單終端懸垂礙子(C)小角度轉彎裝置,使用雙抱裝腳礙子(D)中角度轉彎裝 置,使用雙終端懸垂礙子。
43. 配電線路兩端同高度時,桿距為 S 公尺、弛度為 D 公尺時,則導線實際長度為多少公尺(A)
(B)
(C)
(D)
。
44. 活線更換懸垂礙子之掩蔽,何者為優先(A)橫擔押(B)橫擔(C)懸垂礙子(D)高壓線。
45. 架設 477MCM 高壓配電線路,轉彎 12 度時裝桿方式應按(A)直線裝置,使用單一裝腳礙子(B)小角 度轉彎裝置,使用雙抱裝腳礙子(C)大角度轉彎裝置,使用兩單終端懸垂礙子(D)中角度轉彎裝置, 使用雙終端懸垂礙子。
46. 從事活線更換線路開關,其工作順序為(A)切開開關→掩蔽活線→接跳線夾(旁路)(B)掩蔽活線→ 解開跳線→接跳線夾(旁路)(C)接跳線夾(旁路)→掩蔽活線→拆裝開關(D)掩蔽活線→接跳線夾 (旁路)→拆裝開關。
47. R-L-C 串聯電路中,當發生共振時,電路之電流為(A)時大時小(B)零(C)最大(D)最小。
48. 某變電所一次母線之短路容量為 500MVA,主變壓器為 3 ψ,10MVA,內部阻抗為 7%,若二次 母線之線電壓為 11.4kV,則主變二次側之對稱三相短路電流為(A)2,000 安培(B)7,900 安培(C)10,000 安培(D)5,627 安培。
49. 220 伏特,400 瓦特之電燈泡接於 110 伏特電源時,其所耗電力為_____瓦特。(A)100(B)220(C)110(D)200
50. 於配電室敷設高壓電纜,其垂直者部分應以固定帶固定,兩固定帶之間隔應在_____公尺以下。(A)1.5(B)0.9(C)1.8(D)1. 2
51. 減輕皮膚燒傷程度之最重要步驟為何?(A)儘速用清水沖洗(B)在燒傷處塗抹麵粉(C)立即在燒傷處塗 抹油脂(D)立即刺破水泡。
52. 支持物所受與線路同一方向之負荷稱為(A)水平荷重(B)垂直荷重(C)縱面荷重(D)橫面荷重。
53. 電容器容量(KVAR)與電壓成(A)平方正比(B)正比(C)平方反比(D)反比。
54. 依據台灣電力公司技術手冊「地下配電線路設計」,地下配電線路在正常運轉時,主幹線最高負 載應保持在多少安培以下(A)300(B)600(C)150(D)450。
55. 若使用後的廢電池未經回收,直接廢棄所含重金屬物質曝露於環境中可能產生那些影響:A.地下 水污染、B. 對人體產生中毒等不良作用、C. 對生物產生重金屬累積及濃縮作用、D.造成優養化? (A)ACD(B)BCD(C)ABCD(D)ABC。
56. 單相三線式線路,當兩條相線電流均為 100 安培時,則中性線電流為(A)100 安培(B)0 安培(C)50 安 培(D)25 安培。
57. i= sin wt 與 i
2
= sin(wt-180°)兩電流之差以均方根值表示時應為(A)4 安培(B)6 安培(C)2 安培(D)8 安培。
58. 依勞動檢查法規定,勞動檢查機構於受理勞工申訴後,應儘速就其申訴內容派勞動檢查員實施檢 查,並應於幾日內將檢查結果通知申訴人?(A)30(B)14(C)20(D)60。
59. 若比流器之額定為 300/5A,欲使配電饋線過流電驛能在線路故障電流達 1,200 安培以上時瞬時跳 脫斷路器,則瞬時跳脫元件應標置於_____ 之電流分接頭。(A)60 安培(B)30 安培(C)10 安培(D)20 安培
60. 平衡三相負載之總功率等於其任一相電功率之_____倍。(A)1(B)3(C)√2 (D) √3
複選題
複選題:
61. 接線工作注意事項,下列敘述哪些正確?(A)接戶線張力處原則上不可有接頭,不得已時仍應使用 套管壓接(B)導線之接續,採用壓接為原則(C)不同材質之電線相連接,應在跳線或分歧點施行接續 為原則(D)不同材質之電線相連接,可於受張力處施行。
複選題
62. 依據台灣電力公司配電技術手冊「架空配電線路施工」,施作 3∮4W 11.4kV 配電線路中性線,其 接地電阻值下列敘述哪些符合規定?(A)屬第二種接地,接地電阻 50Ω(B)屬第二種接地,接地電阻 75Ω(C)屬特種接地,接地電阻 25Ω(D)屬特種接地,接地電阻 10Ω。
複選題
63. 接戶線之長度規定,下列敘述哪些正確?(A)單獨接戶線以 25 公尺為限(B)高壓接戶線之長度以 30 公尺為限,不得使用連接接戶線(C)連接接戶線之長度,自第一支持點起以 60 公尺為限,其中每一 架空線段不得超過 20 公尺(D)共同接戶線以 35 公尺為限。
複選題
64. 推行活線作業,增加工具的可靠性與便利性之主要目的為(A)可提高工作效率,縮短工作時間(B)加 強作業之安全(C)省略施工步驟(D)降低施工成本。
複選題
65. 3∮4W11.4kV 配電線路跨越 3∮4W11.4kV 配電線路時,其垂直間隔哪些符合規定?(A)1.2 公尺(B)0. 6 公尺(C)0.9 公尺(D)1.5 公尺。
複選題
66. 架空線路計算支持物荷重時,應包括(A)水平縱向荷重(B)垂直荷種(C)延線荷重(D)水平橫向荷重 等 組合荷重。
複選題
67. 下列哪些條件為活線作業所要求之工作姿勢?(A)背部儘量離開活線(B)面部向工作處所(C)兩腳彎曲 站立(D)兩手肘儘量離開活線使工作活動範圍縮小。
複選題
68. 高壓電纜搬運作業時可能使用之車輛有下列哪幾種?(A)昇空車(B)吊臂車(C)電纜滑車(D)電纜拖車。
複選題
69. 依據台灣電力公司技術手冊「地下配電線路維護」,低壓孔蓋漏電防範措施,下列敘述哪些正確? (A)既設線路未符合者應檢討改善線路或接頭裝置,若有困難者則至少離手孔蓋架底部 10 公分以 上,並在電纜及手孔蓋間,使用 FRP 絕緣積層板加強隔離(B)孔內電纜或接頭於施工後,應確實將 低壓電纜及接頭往下壓,以避免導線鼓起碰觸孔蓋破皮漏電(C)既設線路未符合者應檢討改善線路 或接頭裝置,若有困難者則至少離手孔蓋架底部 15 公分以上,並在電纜及手孔蓋間,使用 FRP 絕緣積層板加強隔離(D)新增設電纜接頭,應採用預張式或灌膠式接頭,不得採用綁紮式接頭。
複選題
70. 有關交流電,下列敘述哪些正確?(A)波峰因數(C.F)=有效值/平均值(B)波峰因數(C.F)=最大 值/有效值(C)頻率與週期互為倒數(D)電壓及電流大小及電壓極性、電流方向均隨時間改變。
複選題
71. 如下圖所示,L1=5H、L2=3H、M=1H,求電感 Lab=?
(A)L1 與 L2 互感為正(B)L1 與 L2 互感為 負(C)Lab=9H(D)Lab=10H。
複選題
72. 電纜故障類型可分下列哪情形?(A)開路故障(B)高阻抗故障(C)低阻抗 (或短路)故障(D)瞬間閃烙故 障。
複選題
73. 如下圖所示,計算等效電感 LTab 及 LTcd 電感為多少 H(亨利)?
(A)LTcd=8H(B)LTcd=12H(C)L Tab=12H(D)LTab=10H。
複選題
74. 配電線路為減少雷擊停電事故,可在線路上裝設(A)雷擊斷路器(B)避雷器(C)零相電驛(D)架空地線。
複選題
75. 下列敘述哪些正確?(A)電壓極性及大小均隨時間變化稱為交流電壓(B)電壓極性及大小均隨時間變 化稱為直流電壓(C)電壓極性及大小均不隨時間變化稱為直流電壓(D)電壓極性及大小均不隨時間變 化稱為交流電壓。
複選題
76. 高壓被覆線路密封型變壓器一次引下線施工作業須使用下列哪些壓縮鍵?(A)U34RT(B)U25RT(C)U D3(D)U27RT。
複選題
77. 依據「輸配電設備裝置規則」對架空線路建設等級之規定,下列敘述哪些正確?(A)特級線路適用 於高速公路及電化鐵路等處所(B)二級線路適用於空曠地區者(C)一級線路適用於沿道路興建及接近 民房之處所(D)一級線路適用於跨越道路及幹線鐵路等處所。
複選題
78. 桿上活線作業人員除應由熟練並領有配電活線作業檢定合格之技術員擔任外,現場領班應經常留 意作業人員之(A)是否細心處理(B)是否戴安全帽、橡皮手套及肩套(C)是否使用安全帶及補助繩(D)橡 皮工具掩蔽是否確實。
複選題
79. 活線作業桿下監督者應隨時注意桿上作業人員之事項,下列敘述哪些正確?(A)經常注意桿上作業 人員的工作情形(B)桿下人員可大聲呼叫或閒談(C)隨時採取臨機應變之準備(D)要桿上作業人員注意 時,應大聲叫喊。
複選題
80. 如下圖所示,電路已達穩態,則其中電流為多少 A 及電容器所儲存之能量為多少 J?
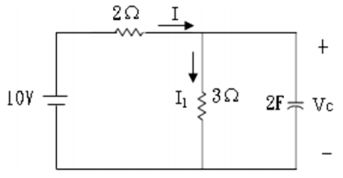
(A)I=2A(B)I =4A(C)Wc=36J(D)Wc=18J。
申論題 (0)
相關試卷
114年 - 04000 配電線路裝修 甲級 工作項目 05:活線作業 51-83(2025/10/23 更新)#132575
114年 · #132575
114年 - 04000 配電線路裝修 甲級 工作項目 05:活線作業 1-50(2025/10/23 更新)#132574
114年 · #132574
114年 - 04000 配電線路裝修 甲級 工作項目 04:配電設備 101-123(2025/10/23 更新)#132573
114年 · #132573
114年 - 04000 配電線路裝修 甲級 工作項目 04:配電設備 51-100(2025/10/23 更新)#132572
114年 · #132572
114年 - 04000 配電線路裝修 甲級 工作項目 04:配電設備 1-50(2025/10/23 更新)#132571
114年 · #132571
114年 - 04000 配電線路裝修 甲級 工作項目 03:地下配電施工與運轉維護 101-150(2025/10/23 更新)#132570
114年 · #132570
114年 - 04000 配電線路裝修 甲級 工作項目 03:地下配電施工與運轉維護 51-100(2025/10/23 更新)#132569
114年 · #132569
114年 - 04000 配電線路裝修 甲級 工作項目 03:地下配電施工與運轉維護 1-50(2025/10/23 更新)#132568
114年 · #132568
114年 - 04000 配電線路裝修 甲級 工作項目 02:架空外線施工與運轉維護 251-311(2025/10/23 更新)#132567
114年 · #132567
114年 - 04000 配電線路裝修 甲級 工作項目 02:架空外線施工與運轉維護 201-250(2025/10/23 更新)#132566
114年 · #132566