所屬科目:技檢◆工業電子-丙級
1. 如圖1-1所示電路,若OPA的電源為5V,求Vo = ?
(A)-10 V (B)3V (C)-7V (D)-5V
2. 如圖1-2,CLOCK輸入120 Hz方波,則QA輸出頻率與工作週期為?
(A)30Hz、25% (B)30Hz、50% (C)60Hz、25% (D)60Hz、50%
3. 圖1-3所示,電晶體β = 100,VBE ≈ 0V,VT = 25 mV,則輸入阻抗Zin之值約為何?
(A)75K (B)20K (C)4.5K (D)20Ω
4. 紅紅黑金紅的精密電阻值為 (A)22 Ω ± 0.2% (B)22.0 Ω ± 2% (C)220 Ω ± 0.2% (D)220.0 Ω ± 2%
5. 以三用電表量得AC 110V,其電壓之峰值為 (A)155 V (B)220 V (C)110 V (D)310 V
6. 利用運算放大器及RC相移電路來設計振盪器,下列敘述何者錯誤? (A)RC相移形成負回授特性 (B)迴路增益|βA| ≥ 1 (C)回授網路之相移為180度 (D)直流供電,產生交流信號輸出
7. 一理想三級串級放大器電路,第一級電壓增益為–100,第二級放大器電壓增益為20 dB,第三級放大器電壓增益為10dB。則此放大器之總電壓增益為何? (A)70dB (B)50dB (C)10dB (D)-10dB
8. 如圖1-4所示電路,若v(t) = 20√2 sin (5t)V,則電路總電流i(t)為何?
(A)2√2 sin(5t+45)A (B)2√2 sin(5t-45)A (C)2 sin(5t-45)A (D)2 sin(5t+45)A
9. 如圖1-5所示,若兩個反及閘皆為開集極輸出閘,其輸出F為
(A)(XYWZ)' (B)(XY)'+(WZ)' (C)(XY)'+(W'Z') (D)(XY)'·(WZ)'
10. 有關NPN電晶體共射極組態電路,直流工作點之設計,當輸入適當之弦波電壓信號測試時,則下列敘述何者錯誤? (A)工作點位置若接近飽和區時,會使得輸出電壓信號波形之正半週發生截波失真 (B)工作點位置在負載線之中間時,輸出電壓信號波形與輸入電壓信號波形反相 (C)工作點位置若接近截止區時,當輸入電壓信號波形為負半週時之輸出信號波形會失真 (D)理想之工作點位置通常設計於負載線之中間
二、填充題1. 如圖2-1所示電路,電晶體β = 100,VBE = 0.7V,VCE(Sat) = 0.2V。則集極電流 = ___________。
2. 如圖2-2所示電路,若VBE = 0.7V,β= 99,VT = 25mV,則電壓增益VO/Vi = ____________。
3. 如圖2-3所示電路,若R、XL、Xc1、Xc2之阻抗值皆為2Ω,則電路中電感抗XL兩端之電壓大小為何?___________
4. 如圖2-4所示之穩壓電路,Vi = 12 V,VZ = 3 V,在正常工作下輸出電壓Vo = _______。
5. 如圖2-5所示之電路,Rx可由電源獲得的最大功率Pmax為何?_____________
6. 如圖2-6所示之MOSFET電路,已知IDSS = 12 mA,夾止電壓(pinch-off voltage)VP = -2V,其工作點之ID = 3mA,則此放大器之小信號電壓增益Av = Vo/Vi的值為何?_____________
7. 請問圖2-7,假設T型正反器QA, QB, QC之初始值為000,進入6個CLK後的QA, QB, QC之值為?______________
8. 布林代數Y = f(A,B,C)其真值表如圖2-8,下列何者是圖2-8和之積(Product of Sum)的最簡式__________________
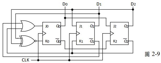
9. 如圖2-9電路圖中,若D2D1D0的初始狀態為001,且CLK適當觸發,電路經過4個時脈週期後,D2D1D0會呈現甚麼狀態?_________
10. 圖2-10所示為利用4對1多工器所設計的邏輯電路,其中,輸入信號為CBA,試求輸出F最簡化之布林函數F = ________________
三、計算與設計題 1. 請用1個OPA、一個可變電阻和若干個電阻,設計一直流準位調整電路,使滿足Vo = -(Vi + Voffset)。
2. 使GPIO輸出0V時馬達不運轉,輸出3.3V時馬達運轉。
3. 承上題,要使用此MCU的GPIO來控制馬達可以輸出三個轉速(高、中、低),請依序畫出對應 (a)高 (b)中 (c)低 三個轉速的三個不同工作週期的輸出波形。
4. 如圖3-1,請求輸出Vo與輸入V1~V5的關係 = ?
5. 如圖3-2,請求輸出Vo的 (a)頻率 (b)工作週期?