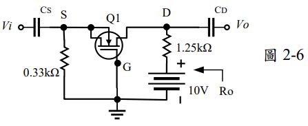
6. 如圖2-6所示之MOSFET電路,已知IDSS = 12 mA,夾止電壓(pinch-off voltage)VP = -2V,其工作點之ID = 3mA,則此放大器之小信號電壓增益Av = Vo/Vi的值為何?_____________