所屬科目:教甄◆控制科
2、如右圖所示 ,有三個帶電體 a、b、c, 其中 Qa = +4 × 10-6 庫侖,Qb = +2 × 106 庫侖,Qc = -6 × 10-6 庫侖。 試求 Qb帶電體所受之力及其方向_____________牛頓 , 方向向右 。
3、如右圖所示電路 ,已知 JFET 之 IDSS = 4mA,夾止電壓 IP = −4V,VGS = −2V,若 JFET 工作於飽和區,則 RS約為____________。
7、化簡布林代數 其結果最簡布林代數式為 ________________。
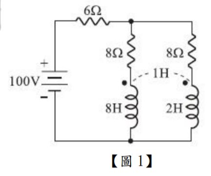
二、問答與計算題(共計 70 分) 1、如圖 1 所示,當電流到達穩定後,則兩線圈共計儲存之能量為多少? (5 分)
2、如圖 2 所示電路,若 R=10Ω,求總電阻 Rab 為多少?(5 分)
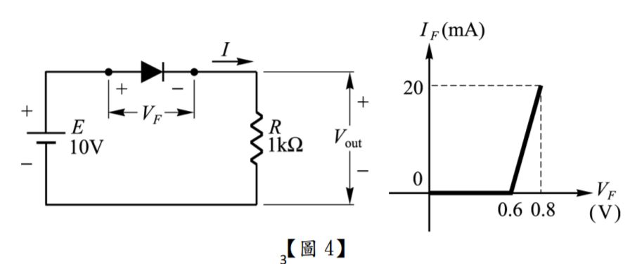
4、若圖 4 之電源 E 改為 20V,試求 VF =?(5 分)
5、如圖 5 所示之考畢子振盪器,若 C1=C2=200pF,L=100H,則振盪頻 率為多少?(5 分)
6、如圖 6 所示之電路,若運算放大器之最大輸出電壓 ±Vsat = ±10V,則滯 壓 VH為多少?(5 分)