所屬科目:教甄◆控制科
1. 如圖 1 所示,若 N1=1000 匝,N2=2000 匝,在 N1通入 10A 電流,產生漏磁通量=2×10-4Wb,交鏈磁通量=8×10-4Wb,則兩線間之互感量M=_________?(5 分)
2.如圖 2 所示之電路,試求節點電壓 V1=__________?(5 分)
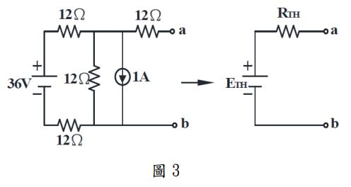
3.如圖3所示之電路,戴維寧等效電壓()為__________?(5分)
4.如圖4所示電路,若不考慮二極體的順向電阻且二極體的障壁電壓為0.75V, 試求二極體的電流ID為__________?
5.如圖 5 所示為一理想運算放大器,其飽和電壓為±15 V,若稽納(Zener)二極體之崩潰電壓為 5 V,則電流 I 為__________?
6.如圖 6 所示,Y 的布林代數式為__________ 。
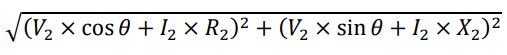
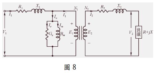
2. 如圖 8 所示為變壓器等效電路圖,依據圖中所標示資訊,請繪製出一、二次側向量圖,並試證明二次感應電壓E2 =
(1)如圖 9 所示,電阻可自電源側獲得最大功率,試求最大功率為多少瓦特?
(2)如圖 10 所示,當接於 v(t)=sin(1000t)v 之電源電壓時,若流經 i(t)=cos(1000t – 53.1°) A 電源電流,求電路之電阻 R 為?
(1)如圖 13 所示,試將 F=f(A,B,C,D)=(0,2,3,4,6,7,8,10,12,14) 利用卡諾圖化簡為最簡 SOP 型式為?
6. (1)80kVA 的變壓器在滿載且功率因數 0.8 時,產生最大效率為 96%, 試求鐵損為多少?
7. (1)三相同步發電機,定子側產生額定電壓所需的場電流為 10A, 產生額定電樞電流所需的場電流為 6A,試求同步阻抗標么值為多少?
(2)有一部三相感應電動機,滿載時的轉差率 S = 0.05 且轉子銅損為 100W,則滿載的轉子輸入功率為多少?