所屬科目:教甄◆控制科
3. 如圖(一)所示電路,試問下列節點電壓何者正確? (A) V1 = −16 V (B) V1 = +8 V (C) V2 = +16 V (D) V2 = −8 V
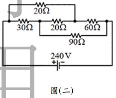
4. 如圖(二)所示電路,試問電路中 30 Ω 電阻器消耗多少功率? (A) 160 W (B) 140 W (C) 120 W (D) 100 W
5. 如圖(三)所示電路,試問網路中電流Io?為何? (A) 0.8 mA (B) 1.8 mA (C) 2.8 mA (D) 3.8 mA
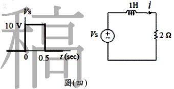
7. 如圖(四)電路,電感器在電源加入前無能量儲存,試問在時間 1 秒時電路電流為何? (A) 5 A (B) 3.16 A (C) 2.32 A (D) 1.16 A
9. 如圖(五)所示,在t = 0開關閉合之前電路已呈現穩定狀態,則在開關閉合瞬間流過6 Ω 電流為何? (A) 2.11 A (B) 3.22 A (C) 4.55 A (D) 5.33 A
14. 如圖(六) RLC 串並聯交流電路,試問 a, b 兩端電壓為何? (A) 60∠ − 53°V (B) 60∠53°V (C) 60∠ − 37°V (D) 60∠37°V
15. 如圖(七)所示,求負載 RL 值為多少時才能使此電路完成最大功率轉移? (A) 240Ω (B) 250Ω (C) 260Ω (D) 270Ω
16. 如圖(八)所示,在開關 S 接通之瞬間線路最大電流 I 為若干? (A) 5A (B) 6A (C) 7A (D) 8A
17. 如圖(九)所示,試求電路中之I1及I2的值為多少? (A) I1 = 2.5 , I2 = 5A (B) I1 = 5A , I2 = 2.5A (C) I1 = −2.5 , I2 = −5A (D) I1 = −5 A , I2 = −2.5A
18. 承上題 17.,試求電路中之V1及V2的值為多少? (A) (B) (C)(D)
19. 電流的波形如圖(十)所示,此電流流過2Ω的負載,請問流經負載端之平均功率為何? (A) 10W (B) 12W (C) 20W (D) 32W
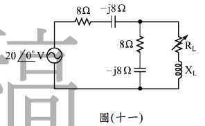
20. 如圖(十一)電路,調整負載阻抗值,使負載得到最大功率,此時負載所消耗之最大功率為多少瓦特? (A) 2.25W (B) 4.75W (C) 6.25W (D) 8.5W
21. 如圖(十二)理想二極體電路,輸入電壓工作週期為 50%,試問輸出電壓有效值為何? (A) 9.2 V (B) 8.2 V (C) 7.2 V (D) 6.2 V
22. 如圖(十三)所示電路,,電路有穩壓作用,則稽納二極體所需最大崩潰電流為何? (A) 72 mA (B) 62 mA (C) 55 mA (D) 45 mA
23. 如圖(十四)理想二極體倍壓電路,穩態下各電容電壓值,下列何者正確? (A)= 7.07 V (B) = 14.14 V (C) = 21.21 V (D) 以上皆非
25. 如圖(十五)輸入為正弦波之放大器,發現輸入正半週時輸出會有失真現象,若要降低此失真現象,應做下列何種調整? (A) 增加 R1 (B) 增加 R2 (C) 增加 (D) 降低
26. 如圖(十六)電晶體放大電路β= 89,基極交流小信號電阻為 2kΩ,則電流增益大約為多少? (A) -27.5 (B) -17.5 (C) -8.2 (D) -4.3
28. 如圖(十七)放大器,已知 MOSFET 臨界電壓Vt = 2V,傳導參數? = 2mA/V2, 則此放大器之交流信號電壓增益為何? (A) 60 (B) 40 (C) 20 (D) 15
29. 如圖(十八)MOSFET 放大器,其中,試問電壓增益為多少? (A) (B) (C) (D)
30. 如圖(十九)CMOS數位邏輯電路,輸出的布林式表示為 (A) (B) (C)Y= AB (D)Y= A + B
31. 如圖(二十)理想運算放大器電路,Vo = 5V1 − 6V2,則R1與R2應為何? (A)R1= 10 kΩ,R2= 4 kΩ (B)R1= 10 kΩ,R2= 6 kΩ (C)R1= 18 kΩ,R2= 6 kΩ (D)R1= 18 kΩ,R2= 4 kΩ
32. 如圖(二十一)施密特(Schmitt)電路,運算放大器輸出飽和電壓為±10V,已知輸出轉態下臨界電壓為 - 4V,則上臨界電壓為何? (A) 6 V (B) 5 V (C) 3 V (D) 2 V
33. 如圖(二十二)所示電路,若二極體的順向電阻為0.5KΩ,二極體的障壁電壓為 0.65V, 試求二極體的電流大小為何? (A) 0.68mA (B) 0.78mA (C) 0.8mA (D) 1mA
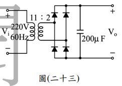
34. 如圖(二十三)所示,Vi為家用交流電源 220V、60Hz,則輸出電壓 Vo約為多少? (A) (B) (C) (D)
35. 一個有 8 位元 DAC 具有滿級輸出 2mA 與精確度±0.5% F.S. ,試問輸入 10000000 時的輸出範圍? (A) 954μA~974μA (B) 974μA~994μA (C) 994μA~1014μA (D) 1014μA~1034μA
36. 如圖(二十四)所示電路,若 N 通道增強型 MOSFET 的臨界電壓= 1V,導電參數 k = 0.25mA/V2, = 1mA,試求值? (A) 2V (B) 2.5V (C) 3V (D) 3.5V
37. 如圖(二十五)所示電路,及= −5V且= 0.8V,試求能驅使電晶體飽和的最小輸入電壓約為若干? (A) 1.2V (B) 2.4V (C) 3.6V (D) 4.8V
38. 如圖(二十六)所示為橋式整流濾波電路,於示波器上觀測其輸出漣波電壓波形如圖 (二十七),示波器置於 10mV/DIV,2ms/DIV,試求漣波百分率約為? (A) 0.018% (B) 0.020% (C) 0.048% (D) 0.068%
40. 如圖(二十八)之場效電晶體操作在飽和區,且電晶體之,則電壓增益為,若把場效電晶體的源極旁路電容器拆離電路,則電壓增益為,求與相差幾倍? (A) 2 (B) 4 (C) 6 (D) 8
41. 如圖(二十九)所示電路,電路參數為,試求電壓為若干? (A) 12.25V (B) 13.25V (C) 14.25V (D) 15.25V
42. 如圖(三十)所示,電路中運算放大器均為理想,試求V?為何? (A) (B) (C) (D)
43. 如圖(三十一)所示,某運算放大器的輸入電壓是 = 150μV 和 = 140μV,則當放大器的差動增益 = 4000 且CMRR = 40dB 時,試決定輸出電壓為若干? (A) 45.8mV (B) 50.6mV (C) 52.7mV (D) 55.8mV
44. 如圖(三十二)所示,使用指針式三用電表之1KΩ檔位量測 JFET 元件,黑棒接閘極(G), 紅棒接汲極(D)或是源極(S),則下列敘述何者正確? (A) 若為 N 通道元件時則指針會偏轉,若為 P 通道元件時則指針不偏轉 (B) 若為 N 通道元件時則指針不偏轉,若為 P 通道元件時則指針會偏轉 (C) 若為 N 通道元件時則指針會偏轉,若為 P 通道元件時則指針亦會偏轉 (D) 若為 N 通道元件時則指針不偏轉,若為 P 通道元件時則指針亦不偏轉
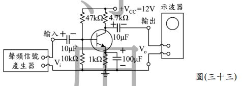
45. 如圖(三十三)電路中,已知電晶體工作在線性區,輸入訊號為 1kHz 正弦波,逐漸增加輸入訊號的振幅,在不失真條件下,由雙軌示波器顯示出 Vo 與 Vi 之相位關係如 何?又把電晶體的射極旁路電容器拆離電路,則電壓增益的變化如何? (A) Vo與 Vi 同相,電壓增益會變大 (B) Vo與 Vi 同相,電壓增益會變小 (C) Vo與 Vi 反相,電壓增益會變大 (D) Vo與 Vi 反相,電壓增益會變小
46. 一個 74ALS20 NAND 閘的資料載有以下各值,,決定單個 74ALS20 NAND 閘所能驅動其它74ALS20 NAND 閘的輸入個數? (A) 20 (B) 25 (C) 30 (D) 35
47. 下圖(三十四)所示控制電路若用布林代數(Boolean Algebra) 式表示,則 F 可寫成? (A) F=(AB+CD)+E (B) F=(A+B)(C+D)E (C) F=(AB+CD)E (D) F=(A+B)(C+D)+E
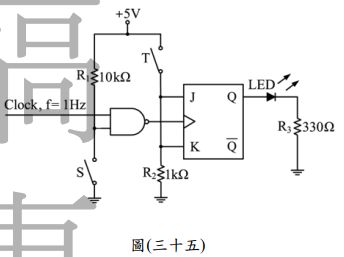
48. 如圖(三十五)所示電路,其中 ON 代表開關閉合,OFF 代表開關開路,若要讓 LED 產生明滅閃爍之顯示,則開關 S 及 T 之設定為何? (A) S 為 ON、T 為 ON (B) S 為 ON、T 為 OFF (C) S 為 OFF、T 為 ON (D) S 為 OFF、T 為 OFF
49. 一網路之狀態方程式為,當k值為多少時系統不具可控制性? (A) 0.3 (B) 0.4 (C) 0.8 (D) 1
50. 頻率響應波德圖之振幅特性如圖(三十六)所示,試求系統的轉移函數 H(s)? (A) (B) (C) (D)