所屬科目:高中技藝◆電腦修護
1.一10 V電源加於色碼為棕、黑、紅與銀的電阻時,流經此電阻的電流為? (A) 10A (B) 1A (C) 10mA (D) 100 mA
2.F(A,B,C,D)=Σm(5,6,7)+D(1,2,4)之最簡布林代數式為? (A)A (B)B (C)C (D)AB+AC
3.以下何種資料結構具有先進後出的特性? (A) queue (B) stack (C) dequeue (D) heap
4.下列何者是互聯網(IOT)英文全名? (A) Intranet of Things (B) Intranet of Targets (C) Internet of Targets (D) Internet of Things
5.BCD碼00100101相對應的二進位碼為下列何者? (A) 10011000 (B) 11011011 (C) 11011010 (D) 00011001
6.下列哪一種元件,不屬於Passive Component? (A) Capacitor (B) Resistor (C) Transistor (D) Inductor
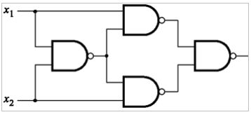
7.下圖可以達成何種邏輯閘功能? (A) AND (B) OR (C) XOR (D) NOR
8.關於C語言的敘述,下列何者錯誤? (A)大小寫沒有區分 (B)兩個敘述之間可以任意空格或換行沒有影響 (C)使用的變數一定要先宣告 (D)每個敘述以分號;做為結束
9.連接網際網路時,路由器(Router)用以決定封包傳輸路徑,因此路由器工作於OSI通訊協定的 (A)資料連結層(Data Link Layer) (B)網路層(Network Layer) (C)傳輸層(Transport Layer) (D)會談層(Session Layer)
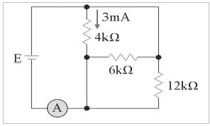
10.圖中,電流表之讀數為何? (A) 3mA (B) 6mA (C) 12mA (D) 24mA
11.目前流行的App程式設計,其中App為下列哪個字的縮寫? (A) Apple (B) Appendix (C) Appreciate (D) Application
12.若F=A XNOR B,當A=10011011B,B=01100011B時,F之結果為何? (A) 01100011 (B) 10011011 (C) 01100100 (D) 10011100
13.雙極接面電晶體(BJT)當操作在截止區和飽和區時,電晶體就像執行何種功能? (A) 線性放大器 (B) 可變電容器 (C) 可變電阻 (D) 電子開關
14.有一顆1M(Mega)8位元的記憶體IC,今利用該種IC四顆,組成一資料排線(Data Bus)為32條線之記憶體,則其位址排線(Address Bus)至少需要幾條線? (A) 10條 (B) 20條 (C) 30條 (D) 32條
15.程式設計一般可使用下列哪種指令快速達到乘除2次方的效果? (A)乘法指令 (B)除法指令 (C) 左右移指令 (D) 跳躍指令
16.矽製雙極接面電晶體(BJT)中,基極-射極接面的順向偏壓的大約值是: (A) 0V (B) 0.3V (C) 0.5V (D) 0.6V
17.放大器中加入負回授之主要目的是 (A) 產生振盪 (B) 提高增益 (C) 增加穩定性 (D) 增加功率
18.下列何者是人工智慧(AI)英文全名? (A) Artificial Interpretation (B) Artificial Intelligence (C) Artificial Information (D) Artificial Insemination
19.若以網路OSI模型對應到TCP/IP模型,OSI的第6層相當於TCP/IP模型哪一層? (A) Presentation Layer (B) Application Layer (C) Transport Layer (D) Internet Layer
20.下列何者不是固態硬碟常用的介面規格? (A)HDMI (B)M.2 (C)SATA (D)PCIe
21.192.168.100.1/24其中「/24」代表什麼意思? (A)指192.168.100.1~192.168.100.24共24個IP (B)子網路遮罩中1的個數 (C)子網路遮罩中0的個數 (D)指192.168.100.1~192.168.100.254所有IP
22.兩部電腦使用UTP網路線連接而不透過 Hub/Switch 時,網路線兩端RJ45接頭應如何製作? (A) EIA/TIA568A---EIA/TIA568A (B) EIA/TIA568B---EIA/TIA568B (C) EIA/TIA568C---EIA/TIA568C (D) EIA/TIA568A --- EIA/TIA568B
23.發光二極體所發出光的顏色與下列何者有關? (A)二極體之材料 (B)電路中之電壓值 (C)電路中之電流值 (D)電路中之電感值
24.如下圖所示,下列何者正確? (A)當B=0時F=1 (B)當B=1時,F=0 (C)當B=0時,F= (D)當B=0時,F=A
25.下列哪一個IP位址與192.168.100.130/25在同一個網段? (A)192.168.100.100 (B)192.168.100.200 (C)192.168.100.250 (D)192.168.100.200
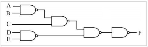
26.欲用最少數量的IC完成下圖所示電路,下列何者正確? (A) 3個7400 IC和1個7402 IC (B) 2個7400 IC (C) 1個7400 IC和2個7402 IC (D) 2個7402 IC
27.有四個負載10W、30W、40W及60W額定電壓皆為110V,試問四個負載中哪一個電阻值最大? (A) 10W (B) 30W (C) 40W (D) 60W
28.一個有6條輸入端的解碼器,輸出端最多有幾種不同組合? (A) 6 (B) 12 (C) 24 (D) 64
29.共陰極七段顯示器,abcdefg=0110011時,顯示器將顯示下列何者? (A)3 (B)4 (C)5 (D)6
30.下列何者為光纖的軸芯材料? (A)鋁 (B)玻璃纖維 (C)玻璃 (D)琥珀
31.下列何者不是虛擬機器(virtual machine)軟體? (A) virtual C# (B) VMware Workstation (C) VirtualBox (D) Hyper-V
32.欲製作一個可以開機的USB隨身碟,不宜選用下列哪一個軟體? (A) DB2 (B) Rufus (C) UNetbootin (D) Balena Etcher
33.下列何者是資料通訊傳輸速度單位? (A) Hz (B) bps (C) dpi (D) ppm
34.個人電腦主記憶體種類,通常使用下列何者? (A) 唯讀記憶體 (B) 虛擬記憶體 (C) 電子抹除式可複寫唯讀記憶體 (D) 隨機存取記憶體
35.使用指針三用電表之電阻檔來測量功能正常之二極體,假設二極體的順向電阻為R1、逆向電阻為R2,則下列何者正確? (A) 順向偏壓時,三用電表黑色探棒端為N極 (B) R1的值非常小,R2的值非常大 (C) R1的值非常大,R2的值非常小 (D) R1與R2的值都非常大
36.下列何者不是虛擬機軟體的優點? (A)節能減碳 (B)降低維護成本 (C)增加備援靈活度 (D)虛擬機無需擔心病毒入侵問題
37.下列記憶體存取速度何者為真? (A) Register > L1 Cache > L2 Cache > DRAM (B) L1 Cache > Register > L2 Cache > DRAM (C) DRAM > L2 Cache > L1 Cache > Register (D) L2 Cache > L1 Cache > Register > DRAM
38.下列何者非屬於輸入裝置? (A)Keyboard (B)Mouse (C) Bar Code Scanner (D) Printer
39.下列何者為全球資訊網之全名? (A) Uniform Resource Locator (B) World Wide Web (C) Wide Area Network (D) Wireless Application Protocol
40.下列何種設備主要的功能為將類比訊號轉換成數位訊號? (A) IP Switch (B) HUB (C) ADC轉換器 (D) Modem
41.CPU在處理中斷時,通常會使用哪種方式來暫存資料? (A) 串列 (B) 排序 (C) 堆疊 (D)序列
42.BIOS (Basic Input Output System)通常儲存於下列何種元件? (A) RAM (B) DRAM (C) Flash ROM (D) Hard Drive
43.下列何種無線通訊技術傳輸距離最短? (A) 4G LTE (B) WiFi (C) LAN (D) Bluetooth
44.乙太網路 (Ethernet) 的主要功能運用於下列何者用途? (A) 無線網路通訊 (B) 5G網路通訊 (C) 藍芽工程通訊 (D) 區域網路通訊
45.下列哪種記憶體在電源關閉時,暫存資料會消失? (A) 隨機存取記憶體 (RAM) (B) 唯讀記憶體 (ROM) (C) 電子抹除式可複寫唯讀記憶體 (EEPROM) (D) 可程式化唯讀記憶體 (PROM)
46.下列對於USB 3.0的敘述,何者有誤? (A)屬於單工運作模式 (B)屬於全雙工運作模式 (C)屬於半雙工運作模式 (D)屬於多工運作模式
47.可延伸超文本標示語言(XHTML)的主要用途,應用於下列何者? (A) OFFICE應用軟體的解析 (B) 網頁瀏覽器的解析 (C) 作業系統的解析 (D) 資料庫的解析
48.為觀察某微控制器之匯流排資訊,下列何種儀器設備最為適合採用? (A)示波器 (B)電表 (C)三用電表 (D) 邏輯分析儀
49.下列對於Linux的敘述,何者為真? (A) 是一種辦公室的應用軟體 (B) 是一種需要付費才可以使用的作業系統 (C) 是一種限制開放原始碼的作業系統 (D) 是一種自由和開放原始碼的作業系統
50.利用Modem 以9600bps的傳輸速率傳送3000個Big-5碼中文字,請問需要多少時間? (A) 5秒 (B) 10秒 (C) 15秒 (D) 20秒