所屬科目:高中技藝◆電腦修護
1.下列何者為互聯網(AIoT)英文全名? (A) Auto Intranet of Things (B) Auto Intranet of Targets (C) Auto Internet of Targets (D) Artificial Intelligence of Things
2.下列何者為人工智慧中,像人類一樣具有學習能力,可以稱為? (A) 語音學習 (B) 視覺學習 (C) 辨識學習 (D) 機器學習
3.下列何者為人工智慧中,不屬於深度學習的一種? (A) 卷積神經網路(CNN) (B) 遞歸神經網路(RNN) (C) 深度神經網路(DNN) (D) 作業神經網路
4.當我們輸入一個東西,想要得到另外一個東西,經過有效的計算之過程,可以稱為? (A) 大數據 (B) 人工智慧 (C) 計算法 (D) 演算法
5.下列何者不是大數據(Big Data)中,所要強調具備的能力? (A) 數量(Volume) (B) 速度(Velocity) (C) 種類(Variety) (D) 人工智慧(AI)
6.下列何者不是人工智慧所具備的等級分類? (A) 强人工智慧(AGI) (B) 弱人工智慧(ANI) (C) 超人工智慧(ASI) (D) 人工智慧(AI)
7.下列何者不是物聯網(Internet of Things)之有效的運用功能? (A) 健康醫療 (B) 工業運用 (C) 物流及倉儲 (D) 圖案辨識之技術
8.下列何者不是物聯網(Internet of Things)所能提供的功能? (A) 改善決策流程 (B) 改善人機之管理與交流 (C) 增強數據管理和分析 (D) 增加Office應用程式之能力
9.大數據分析之敘述,下列何者較為正確? (A) 可以百分之百的精準預測未來之資訊 (B) 大數據資料的量,通常不會超過100筆 (C) 大數據資料的種類,都常不會超過3種 (D) 依據收集到的資料,可以推估未來的趨勢或資訊
10.下列何者為「數位邏輯電路」英文全名? (A) Analogy Logic Circuit (B) Digital Logic Circuit (C) CMOS Digital Circuit (D) Mathematic Logic Circuit
11.下列何者為「微處理機」英文全名? (A) Microprocessor (B) Memory (C) Arithmetic/Logic (D) Input/Output
12.下列何者為「資訊科技」英文全名? (A) Information Education (B) Information Technology (C) Computers Education (D) Microprocessor Education
13.下列何者為「作業系統」英文全名? (A) International Standards Organization (B) Computer Operator (C) Operating System (D) Computer Technology
14.下列何者為「雲端運算」英文全名? (A) Cloud Download (B) Cloud Upload (C) Cloud Computing (D) Cloud Storage
15.有關程式語言的敘述下列何者不正確? (A) 高階語言佔用記憶體的空間遠低於低階語言 (B) 將目的程式碼連結為可執行碼是連結器的主要功能 (C) 高階語言的程式其可攜性高於低階語言的程式 (D) C語言是高階程式語言
16.在流程圖符號中,菱形圖形代表何種意義? (A) 判斷 (B) 輸入 (C) 輸出 (D) 處理
17.在C語言中,「//」代表下列何種格式? (A) 開始 (B) 註解 (C) 分隔 (D) 結束
18.假設在C語言程式的某個運算式中,有好幾個運算子,下列何者的優先權最高? (A) && (B) == (C) >> (D) ( )
19.有關於迴圈指令,下列敘述何者正確? (A) 「for」:執行程式的重複次數不確定時適用之 (B) 「while」:先執行後判斷重複程式時適用之 (C) 「do while」:先判斷後執行重複程式時適用之 (D) 「while」:執行程式的重複次數不確定時適用之
20.假設某程式使用C語言的敘述及其示意圖如下所示,則表格中的哪一格沒有指定初始值?C語言敘述:int c[2][3] = {0, 1, 2, 3, 4}; 示意圖:(A) C[0][0] (B) C[1][2] (C) C[1][0] (D) C[0][2]
21.如果執行下列C語言程式,則此重複執行的程式區塊會執行多少次? (A) 無窮次 (B) 2次 (C) 3次 (D) 4次
22.有關於邏輯移位運算(Logical Shift Operation),下列敘述何者正確? (A) 屬於無號數運算 (B) 屬於有號數運算 (C) 邏輯左移運算是將每個位元往左移動一個位置,最左邊的位元捨去,而最右邊的位元則填入1 (D) 邏輯右移運算是將每個位元往右移動一個位置,最左邊的位元不變動,而最右邊的位元則填入1
23.有關於1PB(Peta Byte)等於下列何者? (A) 1024TB (B) 1024GB (C) 1024MB (D) 1024KB
24.若原始無號數為10101010,經過旋轉運算(Rotate Operation)的右旋轉後,其值為下列何者? (A) 10101010 (B) 01010101 (C) 11010101 (D) 10101000
25.有關於堆疊(Stack)的敘述,下列何者正確? (A) 資料由尾端移入由前端移出 (B) 資料由前端移入由尾端移出 (C) 新增資料和刪除資料是在同一端操作 (D) 資料後進後出
26.有關於機械語言與高階語言相互比較的敘述下列何者正確? (A) 機械語言執行速度較慢 (B) 機械語言可讀性比較高 (C) 機械語言指令可以二進位數碼表示 (D) 機械語言需經由編譯器的轉換後才可以執行
27.下列真值表化簡後的方程式何者正確?其中⊕是互斥或閘(XOR),⊙是反互斥或閘(XNOR) (A) S=B⊙A⊙C,Carry=BA⊙C(B⊙A) (B) S=B+A+C,Carry=BA+C(BA) (C) S=B⊕A⊕C,Carry=BA+C(B⊕A) (D) S=B⊕AC,Carry=BAC(B⊕A)
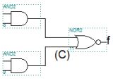
28.下列哪一個電路中,輸出方程式f與X電路的輸出方程式f相同? (A) (B) (C) (D)
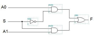
29.下列是何種元件的真值表? (A) 全加法器 (B) 半加法器 (C) 2 to 1多工器 (D) 1 to 2解多工器
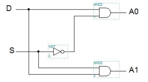
30.下圖電路的功能屬於(A) 2位元加法器 (B) 2位元減法器 (C) 2 to 1多工器 (D) 1 to 2解多工器
31.十進制(0.6875)轉換成二進制是多少? (A) 1.1011 (B) 0.1011 (C) 1101.1 (D) 1.011
32.十進制(153)轉換成八進制是多少? (A) 231 (B) 132 (C) 1224 (D) 4221
33.二進制1000轉換成格雷碼(Gray Code)為下列哪一個? (A) 0001 (B) 0111 (C) 0011 (D) 1100
34.下圖電路的功能屬於(A) 2位元加法器 (B) 2位元減法器 (C) 2 to 1多工器 (D) 1 to 2解多工器
35.有關於T型正反器,下列敘述何者不正確? (A) 將J-K正反器的J、K輸入端接在一起,即為T型正反器 (B) 將R-S正反器的R、S輸入端接在一起,即為T型正反器 (C) T為1時,每個Clock輸入,輸出端就會轉態 (D) T為0時,每個Clock輸入,輸出端仍與前一狀態相同
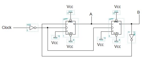
36.下圖電路的功能屬於 (A) 除以3同步計數器 (B) 除以3非同步計數器 (C) 除以5同步計數器 (D) 除以5非同步計數器
37.有關於微處理機的移位運算,下列何者不在其範圍? (A) 遞增 (B) 左移 (C) 循環左移 (D) 算術左移
38.操作指針型三用電錶準備測量電阻時,下列何者正確? (A) 將測試棒開路,調整0Ω調整鈕,使指針停留在∞的刻度 (B) 量測電阻兩端時,測試棒正負極性需選擇正確 (C) 將測試棒短路,調整0Ω調整鈕,使指針停留在0Ω的刻度 (D) 範圍選擇旋鈕撥在DCV檔的範圍內
39.下列敘述何者正確? (A) 橋式整流電路具有全波整流功能 (B) 漣波百分率的值愈大,則該濾波器的效果愈佳 (C) 濾波器的功能是輸入交流電壓,輸出脈動直流電壓 (D) 濾波器主要功能是增加輸入交流電壓的功率
40.下列何者不是電晶體電路的操作模式? (A) 飽和區 (B) 截止區 (C) 主動區 (D) 自由區
41.下列哪一個放大電路的輸入阻抗最小? (A) 共射極 (B) 共基極 (C) 共集極 (D) 共振極
42.下列哪一個放大電路的電流增益最大? (A) 共射極 (B) 共基極 (C) 共集極 (D) 共振極
43.有關Arduino的ATMEGA328P敘述,下列何者不正確? (A) 具備類比信號轉換為數位信號(ADC)的電路功能 (B) CPU時脈可達到16MHz (C) 工作電壓最高15V (D) 輸入電壓7-12V
44.下列何者不是微電腦依功能分類的匯流排? (A) 資料匯流排 (B) 位址匯流排 (C) 控制匯流排 (D) 虛擬匯流排
45.通用序列匯流排USB(Universal Serial Bus),若以接頭的外型為基準,則下列何者尚未適用? (A) Type-A (B) Type-B (C) Type-C (D) Type-D
46.下圖為USB何種接頭? (A) Type-A (B) Type-B (C) Type-C (D) Type-D
47.下圖為USB何種接頭? (A) Type-A (B) Type-B (C) Type-C (D) Type-D
48.下列何者敘述是ZIF(Zero Insertion Force)元件的優點? (A) 只需出力很少就能插拔積體電路 (B) 積體電路只能插拔一次 (C) 可以獨立量測所插拔積體電路功能 (D) 必需連接油壓或氣壓才能使用
49.USB 3.1 Gen2(SuperSpeedPlus)傳輸速度最高可達 (A) 480Mbit/s (B) 1Gbit/s (C) 10Gbit/s (D) 20Gbit/s
50.USB 3.1 Gen2輸出最大電流(Max Current)為 (A) 5A (B) 1A (C) 900mA (D) 500mA