所屬科目:【阿摩】未分類題庫
1. 以下何種邏輯閘可以組合成其他的邏輯閘,所以被稱為萬用閘? (A)AND (B)NAND (C)XOR (D)OR。
2. 下列何者不屬於非揮發記憶體(Non-Volatile Memory)? (A)Flash Memory (B)EPROM (C)ROM (D)RAM。
3. 有關 Dual Core 處理器架構,以下描述何者有誤? (A)一個處理器中有兩個執行單元 (B)可以同時執行兩個執行緒 (C)一個處理器模擬成 2 個邏輯處理器,以提升程式執行效能 (D)具有多工作業的能力。
4. 下列敘述何者有誤? (A)Domain Name 位址可對應 MAC 位址 (B)IPv4 位址有 32bits (C)IPv6 位址有 128bits (D)MAC 位址有 48bits。
5. 下列何者為標準 Class C 網路的子網路遮罩? (A)255.255.255.255 (B)255.255.255.0 (C)255.255.0.0 (D)255.0.0.0。
6. 當採用非對稱式加密法時,Alice 欲傳送機密資料給 Bob,要使用哪一把金鑰進行資料加密? (A)Bob 的公鑰 (B)Bob 的私鑰 (C)Alice 的公鑰 (D)Alice 的私鑰。
7. 比較下列四個密碼,何者最為安全? (A)A125B3745 (B)A125b3745 (C)A125#3745 (D)A125#37c5。
8. 下列有關電腦病毒的描述,何者有誤? (A)電腦病毒可以通過即時通訊軟體來傳播 (B)電腦中毒後,在關閉電源之後,病毒就不會留在 CPU 和 RAM 中 (C)純文字檔一 定不會受到病毒感染 (D)電腦蠕蟲(Worms)會自行繁衍與擴散。
9. 下列何者為內建於 CPU 中的 Cache Memory 之功能? (A)執行算術與邏輯運算 (B)暫 時存放資料,以提升電腦效能 (C)分析、指揮及控制各單元的運作 (D)負責將資料、 程式及命令的輸入。
10. 關於示波器面板的「CAL」(Calibration)敘述,以下何者錯誤? (A)輸出 1KHz 的方波 (B)此訊號可以用來校正被動式探棒 (C)此訊號可以用來校正示波器的垂直與水平 (D)配合此訊號適當地調整被動式探棒上的可變電容,才能得到正確的垂直量測值。
11. 下圖 IC 符號第 14 支接腳位置在 (A)A (B)B (C)C (D)D。
12. 我們在 Windows 作業系統的命令提示字元(CMD)環境下,只想要將 DHCP Server 配給電腦的 IP 釋放掉,要執行下列哪個指令? (A)ipconfig /renew (B)ipconfig /all (C)ipconfig /allcompartments (D)ipconfig /release。
13. 依據 EIA 568-B 標準定義,接在 RJ-45 接頭第 3 支腳上的雙絞線顏色為 (A)白橙 (B) 白綠 (C)白藍 (D)白棕。
14. 電阻之色碼依次為「綠黑紅」,以下敘述何者正確? (A)電阻值為 50Ω,誤差為±2% (B)電阻值為 50Ω,誤差為±20% (C)電阻值為 5KΩ,誤差為±2% (D)電阻值為 5K Ω,誤差為±20%。
15. 一筆 480GB 的資料,若使用 USB 2.0 傳輸,最快可以在多少秒內傳輸完,若無完全相 同的答案請選最接近者? (A)1000 (B)2000 (C)4000 (D)8000。
16. 請問將所有設備連接在 Switch 上的網路,屬於下列何種網路拓樸? (A)Bus (B)Ring (C)Star (D)Mesh。
17. 若示波器的 Time/Div 旋鈕,置於 25ms 位置,測量波形時,若一個週期的波形佔有 2 格,則此波形的頻率為多少? (A)20Hz (B)40Hz (C)50Hz (D)100Hz。
18. Microsoft Access 軟體是下列何種軟體? (A)資料庫軟體 (B)試算表軟體 (C)簡報軟體 (D)文書編輯軟體。
19. 在 Linux 作業系統的環境下執行 chmod 755,則檔案權限會變成 (A)rwxrwxrwx (B)rwxr-xr-x (C)r-xr-xr-x (D)rwx-w--w-。
20. 在 Linux 作業系統的環境下,檔案權限九個字元中不包含設定以下何類別使用者的使用權限? (A)owner (B)root (C)group (D)other。
21. 下列運算放大器的敘述中,何者有誤? (A)兩個輸入端的電壓均為零時,理論上運算 放大器的輸出等於零 (B)抵補歸零的目的為將誤差輸出電壓歸零 (C)輸入阻抗為 0 (D)放大電路的負回授可以增加輸入阻抗及頻寬。
22. 下列各種記憶體的速度由快至慢為 (A)L1 Cache Memory > L2 Cache Memory > DRAM > SSD (B)L2 Cache Memory > L1 Cache Memory > DRAM > SSD (C)L1 Cache Memory > L2 Cache Memory > SSD > DRAM (D)L2 Cache Memory > L1 Cache Memory > SSD > DRAM。
23. 電腦螢幕顯示的色彩是由 RGB 三色構成,若 R、G、B 三個值均為 255,在螢幕上所 看到的顏色為 (A)黑 (B)灰 (C)白 (D)棕。
24. 根據網路分級式定址,網路位址劃分為五個類別與其所用的位址範圍,請問 「140.113.17.154」是哪一等級的 IP? (A)Class A (B)Class B (C)Class C (D)Class D。
25. 對於網路 IP 位址 172.16.101.0/30,下列敘述何者有誤? (A)Network ID 有 30 bits (B)172.16.101.3 為 Broadcast (C)Subnet Mask 為 255.255.255.252 (D)Host ID 有 30 bits。
26. 下列哪 一 個 IP 不是私有 IP ? (A)172.17.113.154 (B)127.0.0.1 (C)192.168.1.23 (D)10.10.10.10。
27. 一片顯示卡以 4K(4096×2160)像素全彩(32 bits)顯示,其顯示記憶體(Video RAM)至少 需要多少才能支援此一解析度? (A)34560KB (B)8640KB (C)768KB (D)128KB。
28. 假設 x86 系統 CPU 的 Address Bus 有 32 條線,其記憶定址容量? (A)16GB (B)8GB (C)4GB (D)2GB。
29. 記憶體 IC 具有位址線 A0~A10 與資料線 D0~D7,請問其儲存空間是多少 bits? (A)1K (B)2K (C)8K (D)16K。
30. 以下何者不屬於 CPU 的匯流排? (A)Address Bus (B)Data Bus (C)I/O Bus (D)Control Bus。
31. 電腦的位元數是由何種匯流排來決定? (A)Address Bus (B)Data Bus (C)I/O Bus (D)Control Bus。
32. 某微處理機的時脈頻率為 1GHz,若執行一個指令平均花費 4 個時脈週期,請問此為處理機的執行效能為 (A)25MIPS (B)250MIPS (C)1GIPS (D)4GIPS。
33. 下列哪一個邏輯閘,在不考慮進位的條件下,具有 1 位元半加器相加的結果? (A)AND (B)OR (C)NOT (D)XOR。
34. 在 Windows 作業系統中,下列命令的敘述何者有誤? (A)ipconfig 可用來設定電腦的 IP 位址 (B)ping 可用來測試網路連線 (C)nslookup 可用來查詢一個網域對應的 IP 位 址 (D)tracert 可用來查詢網際網路主機路由。
35. 下列哪一種設備是決定封包在網路上傳輸最佳的路徑? (A)Bridge (B)Gateway (C)Repeater (D)Router。
36. 下列關於網路傳輸協定敘述,何者有誤? (A)TCP 提供可靠的傳輸 (B)UDP 提供可靠 的傳輸 (C)UDP 提供低延遲與即時性傳輸 (D)TCP 提供校驗與重發機制來檢測和修 復數據的錯誤。
37. 對於儲存一部伺服器中的重要資料,下列哪一種備份方式最不易丟失資料? (A)備份 資料存放在軍規等級的外接式硬碟 (B)將硬碟分割成兩個磁碟區,兩個磁碟區均存放 相同的資料 (C)向知名公司租借雲端空間儲存備份資料 (D)在伺服器旁安裝 NAS,並 設定好自動備份資料。
38. 關於資料備份的策略與原則,何者有誤? (A)每天定時備份至少一份資料 (B)原始與 備份資料存放在至少兩種不同的儲存設備上 (C)備份資料至少有一份儲存在地理位 置不同處 (D)備份資料可以存放在雲端空間。
39. 處理器內的程式計數器(PC)之用途為何? (A)儲存執行程式的指令數目 (B)儲存正在 執行的指令 (C)儲存程式迴圈執行的次數 (D)儲存下一個執行指令在記憶體的位址。
40. 下圖 J-K 正反器是屬於何種觸發的正反器? (A)Rising Edge Trigger (B)Falling Edge Trigger (C)High-Level Trigger (D)Low-Level Trigger。
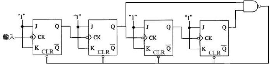
41. 下圖是 MOD-N 的 Ripple Counter,請問 N 的值為? (A)12 (B)11 (C)10 (D)9。
42. 下列 C 語言片段程式輸出結果為何? (A)2500 (B)2550 (C)5050 (D)100。
43. 下列 C 語言片段程式輸出結果為何?
(A)12 (B)11 (C)10 (D)9。
44. 下列 C 語言片段程式輸出結果為何? (A)i=11, j=4, num=-6 (B)i=11, j=4, num=-5 (C)i=11, j=4, num=0 (D)i=11, j=4, num=1。
45. 下列 C 語言片段程式輸出結果為何? (A)i=2, j=2 (B)i=2, j=1 (C)i=1, j=2 (D)i=1, j=1。
46. 下列 C 語言片段程式輸出結果為何? (A)1 (B)2 (C)3 (D)4。
47. 下列 C 語言片段程式執行後哪一個選項值與其他不同?(A)a[0] (B)*a (C)a (D)*ptr。
48. 下圖電容串、並聯圖,若每一個電容為 30μF,請問其等效電容 CT=? (A)45μF (B)20μF (C)10μF (D)60μF。
49. 下列卡諾圖之最簡輸出式=? (A)BD (B)NOT C (C)A+D (D)B+D。
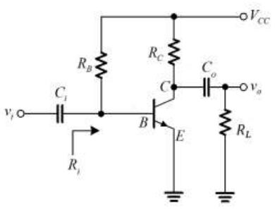
50. 下圖電路中,RB = 500?Ω、RL = 4.7?Ω、RC = 4.7?Ω、VCC = 10.7V、β = 100,工作在室溫下(VT = 26mV),請問小訊號電壓增益(AV)為以下何者,若無完全相同的答案請 選最接近者? (A)-220 (B)-100 (C)-50 (D)-180。