阿摩線上測驗
登入
首頁
>
技師◆工業配電
> 108年 - 108 專技高考_電機工程技師:工業配電#80876
108年 - 108 專技高考_電機工程技師:工業配電#80876
科目:
技師◆工業配電 |
年份:
108年 |
選擇題數:
0 |
申論題數:
12
試卷資訊
所屬科目:
技師◆工業配電
選擇題 (0)
申論題 (12)
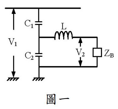
一、電容式比壓器用於高壓系統的電壓偵測,圖一為電容式比壓器等效電 路,試推導其比壓式。(20 分) 圖一
⑴系統阻抗圖。(6 分)
⑵電弧爐運轉時引起的電壓突降百分率。(6 分)
⑶若電壓突降百分率超過標準 1.5%,應在 11.4 kV 側加裝串聯電抗器, 其電抗值為多少 Ω/相?(8 分) 圖二 Ω 代號:01160 頁次:2-2
三、一低壓用戶以二台單相變壓器作 V-V 連接,提供三相四線式燈力併供配 電系統電力。V-V 連接變壓器自台電三相 11.4 kV 配電線路變壓成三相 220 V、單相 220 V 與單相 110 V 用電電壓。試繪出該變壓器及配電線路 之複線圖,並標示出電壓。(20 分)
⑴試畫出系統標么阻抗圖。(6 分)
⑵試以標么法求 F 點發生三相短路故障時之對稱故障電流。(6 分)
⑶若非對稱係數 K 值為 1.25,試求出非對稱故障電流。(8 分) 圖三
⑴減少的線路電流。
⑵減少的線路壓降。
⑶減少的線路電力損失。
⑷可增加的系統供電容量。