所屬科目:技師◆工業配電
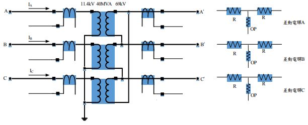
三、如圖所示為一 69 kV Δ 接/11.4 kV Y 接 40 MVA,低壓側相角領先高壓側 相角 30°,11.4 kV 側多繞組比流器規格 C400:3000/5,69 kV 側多繞組 比流器規格 C400:400/5。請利用如圖所示之三差動電驛,完成此三相變 壓器的差動保護接線圖,並計算兩側電驛的電流與電流比值。(20 分)