所屬科目:統測◆03電機與電子群電機類◆(二)電工機械、電子學實習、基本電學實習
20. 某同步發電機之電樞線圈,若分別採用、、 及 之短節距,則何者節距因數最 大? (A)(B) (C) (D)
22. 如圖 ( 一 ) 所示電路,稽納 ( Zener )二極體之額定功率為 200 mW,稽納電壓 VZ = 5 V,若 正常工作下Vo能保持為5V,則負載電阻RL的最大值為何? (A) 600Ω (B) 500Ω (C) 400Ω (D) 300Ω
24. 如圖(二)所示理想二極體電路,vi頻率為100Hz,則下列敘述何者正確? (A) v o最大值為3V (B) vo最小值為– 7V (C) vo頻率為50Hz (D) v o平均值為2V
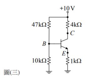
26. 如圖 ( 三 ) 所示電路,若電晶體之切入電壓 VBE = 0.7 V, V CE (sat )= 0.2 V,β = 99,則集極 電壓VCC約為何? (A) 8V (B) 7V (C) 6V (D) 5V
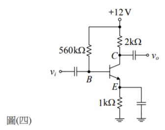
27. 如圖 ( 四 ) 所示電路,若電晶體之切入電壓 VBE = 0.7 V,熱電壓 VT = 26 mV,β = 100,則 電壓增益vo / vi約為何? (A) – 125 (B) – 132 (C) – 152 (D) – 165
28. 如圖 ( 五 ) 所示電路,若電晶體之切入電壓 VBE = 0.7 V,熱電壓 VT = 26 mV,β = 100,則 輸入阻抗Zi為何? (A) 1515Ω (B) 1212Ω (C) 992Ω (D) 811Ω
29. 如圖 ( 六 ) 所示電路, v i峰對峰值為 0.4 V,當開關 SW 打開時, v o峰對峰值為 4 V。已知 RL=RC2,當SW 閉合時,電壓增益vo / vi約為何? (A) 1 (B) 5 (C) 10 (D) 20
30. 如圖(七)所示電路,運算放大器之輸出正、負飽和電壓分別為+12V和–12V,Vi=1.5V, 則Vn為何? (A) – 1.5V(B) 0V (C) 1.2V (D) 1.5V
31. 如圖 ( 八 ) 所示運算放大器電路,已知 3 R1 = 2 R2,運算放大器飽和電壓為 ± Vsat ,則下列 何者為其輸出、輸入轉移特性曲線? (A) (B)(C)(D)
32. 如圖 ( 九 ) 所示電路,已知 FET 之順向互導 g m,若忽略汲源極間的交流等效電阻 r d,則 下列敘述何者錯誤? (A) 輸入阻抗Zi=RS (B) 輸出阻抗Zo=RD (C) vo與vi同相 (D) v o / vi=gm RD
34. 如圖 ( 十 ) 所示石英晶體等效電路,工作頻率為 f o,有關其串聯諧振頻率 f s 和並聯諧振 頻率fp之敘述,下列何者錯誤? (A) (B) 1 (C) fo<fs,石英晶體為電容性阻抗 (D) fs<fo<fp,石英晶體為電感性阻抗
35. 如圖 ( 十一 ) 所示振盪器電路方塊圖,已知放大電路之電壓增益 A = – 10,依據巴克豪生 準則,回授電路增益 β 應為何? (A) β=0.1∠0 ° (B) β=10∠0 ° (C) β=0.1∠180° (D) β=10∠180 °
38. 如圖(十二)所示電路,其中E=30V,Ib=2A,Ra=2Ω,流過電阻Ra之電流為何? (A) 0.8A (B) 1.6A (C) 2.4A (D) 2.8A
39. 如圖(十三)所示電路,若Rx可獲得最大功率Pmax,則Rx及Pmax各為何? (A) Rx=1Ω,Pmax=36W (B) Rx=3Ω,Pmax=12W (C) Rx=1Ω,Pmax=6W (D) Rx=3Ω,Pmax=6W
40. 某公制測微計的精密度標示為 0.01 mm,測量範圍標示為 0 ~ 25 mm,直刻度盤分為 50等分,測量某導線線徑時所顯示之測量值如圖( 十四) 所示,則此導線線徑之測量值為何? (A) 5.69mm (B) 7.56mm (C) 11.19mm (D) 19.11mm
41. 有關屋內配線之敘述,下列何者正確? (A) 符號 為電燈總配電盤 (B) 單相三線式分電盤中全部分路皆為220V (C) 高低壓用電設備非帶電金屬部分之接地稱為低電壓源系統接地 (D) PVC管中之A管適用於屋內配線導線管
42. 有關屋內配線之敘述,下列何者錯誤? (A) 漏電斷路器可作為預防感電事故 (B) 無熔絲開關之規格為3P,60AF,35AT,IC為5 kA,其額定啟斷容量為5 kA (C) 屋內配線設計圖中, 符號為出口燈 (D) 在瓦時計的鋁質圓盤上鑽小圓孔,其目的是為了減輕重量
44. 如圖 ( 十五 ) 所示電路, R1 = 5 k Ω,C1= 1000 μ F, E1 = 10 V,開關S1在時間為零時閉合 (導通),且開關導通前電容初始電壓為零。導通5秒時,電容端直流電壓表顯示約為何? ( e – 1 =0.368,e – 2 =0.135,e –3 =0.050,e –4 =0.018,e –5 =0.007) (A) 3.7V (B) 6.3V (C) 8.6V (D) 10V
45. 採用示波器量測純弦波信號,示波器的 VOLT / DIV 設定於 2 V / DIV,TIME / DIV 設定於 0.5 ms / DIV,探棒置於 × 10 ( 衰減 10 倍 ) 的位置,顯示信號的峰對峰值為 4 格刻度, 每週期時間為4格刻度;若此信號無直流成分,則信號的頻率及電壓有效值各為何? (A) 頻率為200Hz,電壓有效值為 10 V (B) 頻率為200Hz,電壓有效值為40V (C) 頻率為500Hz,電壓有效值為 20V (D) 頻率為500Hz,電壓有效值為 40 V
46. 如圖(十六)所示交流穩態電路,已知電源電壓ES有效值為100 V,頻率為60 Hz,若電阻 R1=15Ω 且端電壓有效值為60V,則電容器C1端電壓及電容抗各為何?(A) 電容器C1端電壓有效值為60V,電容抗為15Ω (B) 電容器C1端電壓有效值為60V,電容抗為20Ω (C) 電容器C1端電壓有效值為100V,電容抗為75Ω (D) 電容器C1端電壓有效值為80V,電容抗為20Ω
47. 採用兩個單相瓦特表量測三相三線式負載功率的方法,若兩個瓦特表的顯示皆為正值, 分別為800W及600W,則三相負載的總實功率為何? (A) 1400W (B) 800W (C) 400W (D) 200 W
49. 下列何者為電磁接觸器輔助接點的a接點符號? (A) (B) (C) (D)
50. 三相感應電動機的定子繞組標示如圖 ( 十七 ) 所示,三相電源的端點編號為 R、S、T,若 三相感應電動機 Y 接運轉時,連結線為 ( X、Y、 Z ) ,( R、U ) ,( S、V ) ,( T、W ) ,括號 內表示端點連結在一起;若三相感應電動機改成 Δ 接運轉,則下列結線何者正確? (A) (R、U、X),( S、V、Y),(T、W、Z) (B) (R、U、Y ),( S、V、X),(T、W、Z) (C) (R、U、Z),( S、V、Y),(T、W、X) (D) (R、U、Z),( S、V、X),(T、W、Y )