所屬科目:教甄◆資訊科
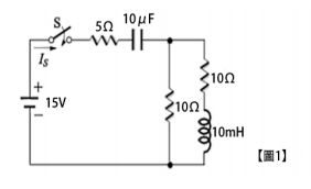
2:如【圖 1】所示電路之電感及電容均無儲能,則在開關 S 閉合瞬間,電源電流 IS應為 何? (A) 0A (B) 1A (C) 1.333A (D) 2A 。
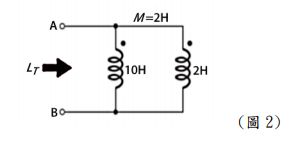
5: 如【圖 2】所示電路之 LT 電感量(A)2H (B)4H (C)5H (D)8H。
7: 如(圖 3)所示電路,求 ab 兩端的等效電阻 Rab=? (A)12Ω (B)9Ω (C)6Ω (D)3Ω。
9:有效值為 15 伏特之正弦電壓,其峰對峰值為 (A)15 V (B)30 V (C)15 V (D)30 V。
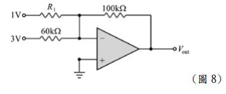
12:如(圖 4)所示之電路,若 ZD 為 10V 之稽納二極體,則稽納二極體的消耗功率為(A)5mW (B)10mW (C)15mW (D)20mW。
13:如(圖 5)所示,C2 的耐壓不得小於(A)220 V (B) 110 V (C)110V (D)220V 。
15:如(圖 6)所示的電晶體,其β=100,若此電晶體當開關使用,當輸入的電壓 Vi為 5V,LED 亮 時,輸出電壓 Vo的近似值為多少?(A)3V (B)0V (C)7V (D)12V 。
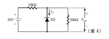
17:如(圖 7)所示之輸出電阻 Ro=?(A)1kΩ (B)4kΩ (C)5kΩ (D)50kΩ 。
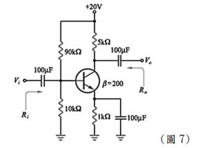
18:如(圖 8)所示之電路,若輸出電壓 Vout = -15V,則 R1 為多少?(A)10kΩ (B)20kΩ (C)40k Ω (D)80kΩ。
19:如(圖 9)所示之電路,若 R1 = 10kΩ,R2 = 20kΩ,遲滯電壓 VH = 8V,則運算放大器的飽 和電壓為多少?(A)±8V (B)±10V (C)±12V (D)±14V。
26:如(圖 10)所示之電路,A 和 B 為輸入,F 為輸出,則此電路為 (A)AND 閘 (B)NAND 閘 (C)NOR 閘 (D)OR 閘。
27:如(圖 11)中,方框為一未知邏輯閘,已知當 A =B=C =D=1 時,輸出為 0,當 A=1、B=0、 C=1、D=1 時,輸出為 1,則方框應為何種閘?(A)XOR (B)OR (C)NOR (D)AND。
28:如(圖 12)所示之組合邏輯電路等於 (A) (B) (C) (D) 。
29:布林代數 等於 (A)ABCD (B)A (C)B (D)C 。
30:邏輯函數 之最簡化的和項之積(product of sum)為 (A) (B) (C) (D) 。
31:如(圖 13)所示之卡諾圖,化簡後其輸出布林式 F 應為 (A) (B) (C) (D) 。
33:設計一個數位式計數顯示電路如(圖 14)所示,若選用共陽極 7 劃 LED 為顯示器時,則 LED 之 共接點應接什麼電位?解碼器的輸出是高態或低態動作? (A)COM 點接地,解碼器的輸出是低態動作 (B)COM 接高電位,解碼器的輸出是高態動作 (C)COM 接高電位,解碼器的輸出是低態動作 (D)COM 點接地,解碼器的輸出是高態動作。