所屬科目:電力系統與控制系統
第一題: 已知一中程輸電線等效電路如【圖一】所示,其送電端與受電端關係為 ,請求中程輸電線的A、B、C、D參數值。【25分】
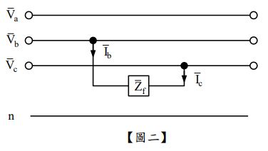
第二題: 如【圖二】所示,系統發生兩線碰觸故障,已知故障點系統零序阻抗=j0.1pu,正序阻抗=j0.1pu,負序阻抗=j0.1pu,接觸阻抗=j0.2pu,請求故障電流。【25分】