所屬科目:研究所、轉學考(插大)◆電子學
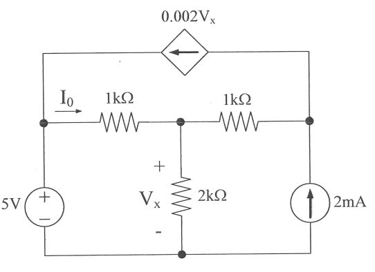
1.Find Io, for the cireuit shown below. (15%)
2) If the power supplies of the Op-Amp are ±15V, what is the allowable range of V1, for linear operation when V2=2V. (15%)
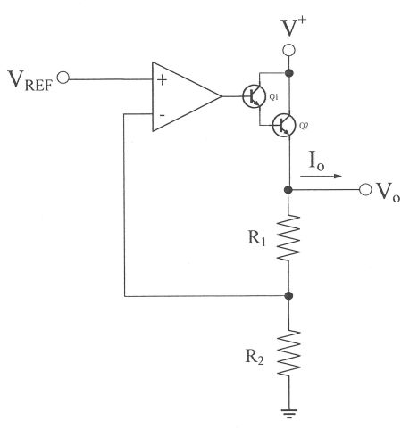
4. Assume the Op-Amp is ideal, Calculate Vo, in the following circuit for =1.2V, R1=680Ω and R2=200Ω. (15%)
5. For the cireuit shown below, calculate the time constant and the 3-dB bandwidth. (10%)
6. An amplifier is designed to provide a 12 V peak-to-peak swing output at no load condition. Assume the input signal is sinusoidal. The amplifier has output resistance Ro=0.4Ω. A load =4Ω is connected to the output of the amplifier, how much power will dissinate? (20%)