所屬科目:技檢◆儀表電子-乙級
4. 有一差動放大器, 時,其輸出電壓 Vo=81mV,但換成, 的輸入電壓時,其輸出電壓 Vo=41mV,由此可知差動放大器的 CMRR 值為若 干?(A)10 3(B)10 2(C)10 4(D)10 5。
10. 如下圖電路所示,輸入一方波電壓 Vi,則其輸出電壓 Vo 波形的上升時間 t r (rise time)為何?(A)2.2 RC(B)0.318RC(C)0.693RC(D)1.1RC。
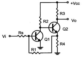
12. 如下圖電路所示屬於何種負回授型態?(A)電流-並聯負回授(B)電壓-串聯負回授(C)電壓-並聯負 回授(D)電流-串聯負回授。
22. 如下圖所示電容串並聯電路,求等效電容值 為多少?(A)10μF(B)15μF(C)12μF(D)18μF。
24. 如下圖電路所示,其輸入電阻和輸出電阻各約為何?(A)(B)kΩ(C)(D)
26. 如下圖電路所示,屬於何種負回授型態?(A)電壓並聯負回授(B)電壓串聯負回授(C)電流並聯負回授 (D)電流串聯負回授。
29. 對一個純矽半導體而言,下列敘述何者為真?(A)摻雜砷,將形成 P 型半導體(B)摻雜硼,將形成 N 型半導體(C)溫度上升,增加(D)。
43. 如下圖電路所示,若達穩態時之總電流 I 為何?(A)3A(B)4.25A(C)4A(D)2.4A。
57. RLC 串聯電路中 R=l0Ω、,跨接於 100V 之交流電源,若電源頻率連續提 高,則電路電流之變化為何?(A)連續變小(B)先變小,後變大(C)連續變大(D)先變大,後變小。
62. 關於半波整流電路的敘述,當峰值電流為 ,下列何者正確?(A)電流有效值為 0.707I m(B)電流平均值等於 /2(C)電流平均值等於 /π(D)電流有效值為 /2。
73. 如下圖所示,電路中之電容器的電容值均為 7μF,各端點間的等效電容值,下列哪些為正確?(A)(B)(C)(D)