所屬科目:教甄◆資訊科
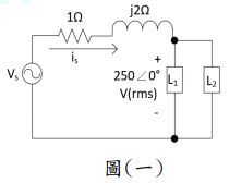
3. 如圖(一)所示之電路,負載 L1以 0.6 落後功率因數吸收 12kW 平均功率,負 載 L2 以 0.8 領先功率因數吸收 10kVA,請問總電流 is=? (A)20-j10 A (B)80-j40 A (C)20+j10 A (D)80+j40 A
5. 如圖(二)使用稽納二極體製作穩壓電路,稽納二極體在 20mA 時,Vz=12V、r2=10 Ω,VS 在 20V 至 25V 間變動,在 0mA 和 30mA 間變動,Izmin=5mA、Izmax=80mA, 下列何者正確? (A)R 值越小,穩壓越好 (B)R 最大值為 245Ω (C)R 最大值為 155Ω (D)若 R=160Ω,IL 最大變化可讓 VO 有 0.287V 之變化
9.如圖(三)所示電路,請問電流 I 為何?(A)5mA (B)2mA (C)3mA (D)8mA 。
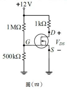
10.如圖(四)所示電路,MOSFET 之臨界電壓= 2 ,參數 K=1.5 ,求電約為何? (A)6V (B)7.2V (C)3V (D)12V 。
12.布林代數式 ,d 代表隨意項 (don’t care),求此最簡積項和(SOP)之布林代數式為何? (A) (B) (C) (D)
13.使用8位元表示的十六進制數值,經由2的補數(2’s Complements)運算後,其數值為何? (A) (B) (C) (D)
14.下列C語言程式碼執行後,變數Sum的值為何? (A)-5 (B)5 (C)-6 (D)6 。
15.下列 C 語言程式碼執行後,輸出為何? (A)https://www.kh.edu.tw (B)https://www.kh.edu (C)ps://www.kh.edu.tw (D)www.kh.edu.tw
二、 計算題 1. 如圖(五)為一穩壓電路,若 Q1、Q2電晶體之忽略不計), =0.7V, 則 =_____ V (5%)
2. 如圖(六)所示,開關 S 在閉合很久之後打開,請問打開瞬間電流 I 之值為 _______A (5%)
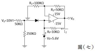
4. 如圖(七)之電路,若二極體導通電壓為 0.7V,請問 If=_____mA(5%)
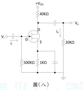
5. 圖(八)為一場效電晶體(JFET)共源極放大電路,轉移電導=2mA/V、輸出電阻=40kΩ,則放大電路之電流增益的為_______ A/A (5%)
6. 如圖(九)所示電路,若輸入脈波頻率為 240KHz,請問輸出端頻率為__________ Hz (5%)
7. 如圖(十)為一函式,請問執行 f(4)得到數值為________ (5%)
8.如圖(十一)所示電路,t = 0 秒前電容器的電壓值為零,若t = 0 秒時將開關 S 閉合,則電流i(t)之表示式為何?(5%)
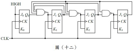
10.如圖(十二)所示電路,若 Q3Q2Q1Q0 的初始狀態為0000,在 CLK 適當觸發後, 試分析輸出序列(Q3Q2Q1Q0)轉成 10 進制後的模態數值變化。(5%)
11. 下列 C 語言程式碼執行後,a 的輸出值為何?(5%)