所屬科目:技檢◆配電線路裝修-甲級
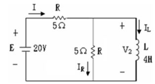
152. 如下圖所示,電路達穩定狀態後,下列何者正確?(A)I=4A (B)V2 =0V (C)IR=4A (D)IL=4A 。
153. 如下圖所示電路,當開關 S 閉合,電路達穩定狀態後(A)I=0.1m A (B)I 1=0.1mA (C)I2=0.1mA (D)VC=9V 。
154. 如下圖所示電路,當開關 S 閉合一段時間電路 達穩態後,則 (A)I1=1 mA (B)電感 VL 成開路 (C)I=1mA (D)電容 Vc 成開路 。
155. 如下圖所示,電路達穩態後,(A)I1 =3A (B)I2 =1A (C)I3=1.5A (D)L1 儲存電能為 2.25 焦耳 。
156. 一電路如下圖所示,電路已達穩態後,其電流 I 為多少 A 及電容器 Vc 所儲存之能量為多少 J(焦耳)? (A)I=2A (B)I= 4A (C)Vc=18J (D)Vc=36J 。
157. 一電路如下圖所示,其 LTab 及 LTcd 之等效電感 各為多少 H(亨利)?(A)LTab=10H (B)LTab=12H (C)LTcd=12H(D)LTcd=6H 。
165. 一Δ型負載電路如下圖,其總平均功率 PT 和虛功率 QT 分別為(A)PT=72 00 W (B)PT=9600 W (C)QT=7200 VAR (D)QT=9600 VAR 。
170. 一理想變壓器如下圖所示,二次側電壓 V2、一 次側電流 i 1,其中 N1、N2 為一次側及二次側之線圈匝數,則 V2 及 i 1 各為(A)V2=168V (B)V2=343V (C)i1 =0.07A (D)i1=0.143A 。