所屬科目:技檢◆配電線路裝修-甲級
60. 下圖係(A)LC 串聯電路 電流與頻率關係曲線圖 (B)LC 並聯電路電流與頻 率關係曲線圖 (C)RLC 串聯電路電流與頻率關係 曲線圖 (D)RLC 並聯電路電流與頻率關係曲線圖 。
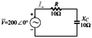
61. 一 RC 串聯電路,電源電壓 v=100 伏特、阻抗 R =10Ω、容抗 Xc=10Ω,則電源電流為多少安培 ( A )? (A)5A (B)(C) (D)。
62. 如下圖所示 RC 串聯電路,則(A)平均功 率 P=1000W (B)無效功率絕對值 Q=2000VAR (C) 電流均方根值 I=10A (D)功率因數 PF=0.5 。
63. 一 RL 串聯電路如下圖,R=10Ω,接入電源 v(t) =100 sin377t 後,電路電流 i=5A,則電抗 XL 為(A)10Ω (B)(C)(D)20Ω 。
64. 有一 RL 串聯電路如下圖,R=10Ω,接入電源 v (t)=100 sin377t,其中,電路電流 i=5A,則 阻抗 Z 為(A)20∠60°Ω (B)20∠45°Ω (C)20∠30°Ω (D)20∠3 7°Ω 。
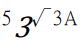
66. RL 並聯電路中,R=10Ω,XL =10Ω,電源電壓 V=100 伏特,則電源電流為 (A)5A (B)(C) (D)10A 。
67. 一 RC 並聯電路如下圖,保險絲容量為 10 安 培,可調電容器之電容量設定於 100μF 時, IC =2A,為確保保險絲不致熔斷,則電容量須設定 於何範圍內?(A)200μ F 以下 (B)300μF 以下 (C)400μF 以下 (D)500μF 以下 。
69. 一 RC 並聯電路,電源電壓 v=100 伏特、阻抗 R =10Ω、容抗 Xc=10Ω,則電源電流為多少安培 ( A )? (A)5A (B)(C) (D)。
70. 如下圖所示 RC 並聯電路,該電路之功率因數為(A)0.87 (B)0.80 (C)0.71 (D)0.50 。
74. 下圖電路中,J 為定電流電源,R1=3Ω,R2=6 Ω,R 為 6、9、12 及 15Ω四檔可調式變阻器, 當 R 調整至(A)6Ω (B)9Ω (C)12Ω (D)15Ω 時,其所消耗電力最大。
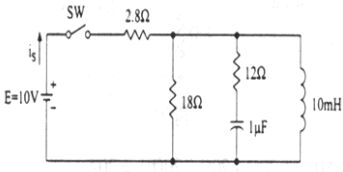
75. 如下電路圖,開關 SW 未投入前,電容電量為零庫侖、電感磁通量為零韋伯,當開關 SW 投入(ON)瞬間,流經 18Ω電阻之電流為(A)0.2A (B) 0.3A (C)0.4A (D)0.5A 。
76. 一電路如下圖,當開關 SW 閉合,電路穩定後,其電流 I 為(A)1.2A (B)2A (C)3A (D)4A 。
77. 一 RLC 串並聯電路如下圖,R=3Ω、XL=4Ω、 XC=2Ω、電流I L = 4.5∠0°A 安培,則電阻電流IR 為(A)2A (B)4A (C)6A (D)8A 。
78. 交流電路如下圖,v=1200∠0゜V、Z1=60+j0 Ω、Z2=45+j12Ω、Z3 =30-j24Ω,則Z1所吸收之功率為(A)72kW (B) 24kW (C)20kW (D)12kW 。
81. 有一 RLC 串聯電路,當線路形成共振現象時, 其共振頻率為 (A)(B)(C)(D)。
83. 一 RLC 串聯電路如下圖,當電源電壓為 10∠0 °、電源電流為 1∠0°時,電源頻率為(A)1/πHz (B)10/πHz (C)100/πHz (D)1000/πHz 。
86. 一 RLC 串聯電路如下圖,該電路總阻抗為(A)5∠53° Ω (B)5∠-53°Ω (C)5∠37°Ω (D)5∠-37°Ω 。
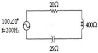
87. 一 RLC 串聯電路如下圖,當頻率為 200HZ 時, XC=-j25Ω、XL =j400Ω,當頻率諧振時,該電路電流為 (A)4A (B)0. 25A (C)0.22A (D)5A 。
89. 下圖係(A)LC 串聯電路電流與頻率關係曲線圖 (B)LC 並聯電路電流與頻率關係曲線圖 (C)RLC 串聯電路電流與頻 率關係曲線圖 (D)RLC 並聯電路電流與頻率關係曲線圖 。
90. 如下圖 RLC 串聯電路,當電路諧振時,電流 i (t)為(A)10sin (10t)A (B)sin (10t - 45°)A (C)sin (10t)A (D)( D )10sin (10t - 45°)A 。
91. 如下圖所示 RLC 串聯電路,當電流為最大值 時,C 值為 (A)20μF (B)10μF (C)5 0μF (D)1000μF 。
94. 如下圖 RLC 串聯電路,其視在功率為(A)1200VA (B)9 60VA (C)900VA (D)720VA 。
95. 如下圖所示 RLC 串聯電路,其消耗功率為(A)1200W (B)1600W (C)2000W (D)2400W 。
96. 如下圖所示電路,其阻抗為(A)50Ω電壓導前電流 (B)70Ω電壓導前電流 (C)50Ω電壓滯後電 流 (D)70Ω電壓滯後電流 。
97. 如下圖所示電路,若可變電阻器 R 由 30Ω起持續增加,電路之功率因數變化為(A)增大 (B)先增大後再 減小 (C)減小 (D)先減小後再增加 。
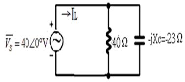
98. 如下圖 RLC 串聯電路,當電路諧振時,電感 L 為(A)100H (B)0.1H (C)10 H (D)1H 。
99. 下列電路圖中之電流 I 為(A)60A (B)40A (C)3 0A (D)20A 。