所屬科目:升資考/佐級晉員級◆電工原理概要
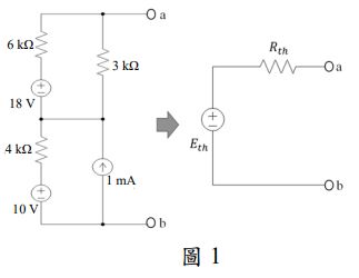
一、如圖1電路,利用戴維寧及諾頓電路定理,求及=?(20分)
(一)磁動勢=?
(二)磁阻=?
(一)馬達的額定轉矩=?Nm。
(三)在額定功率、額定轉速下變頻器之線對線電壓為200,功率因數為0.9落後,求馬達額定電流()=?A。
(一)電流,I1。
(二)輸出側所示之負載功率()及功率因數(PF)。