所屬科目:捷運◆機件(械)原理
1.齒輪、摩擦輪、鏈輪、皮帶輪等在機件的分類中屬於(A)活動機件(B)固定機件(C)連結機件(D)控制機件
2.有一螺旋機構如圖所示,下列敘述何者錯誤(A)此螺旋機構的原理可用於機構微調處(B)導程為11mm(C)若R=55mm,則機械利益=10π(D)此螺旋機構為一複式螺旋
3.有一平鍵尺寸大小如下圖所示,今裝於一軸徑D為50mm軸上傳動,其可傳送扭矩為100Nm,若最大容許壓應力為20MPa,求H=?(A)4mm(B)8mm(C)12mm(D)16mm
4.如圖所示,設機件數為N,對偶數為P,則下列何者正確(A)N=7(B)P=6(C)此為一拘束運動鏈(D)無法預測其運動軌跡
5.有一平皮帶輪機構傳動如下圖所示,若傳動時需考慮到兩輪的轉向,測試交叉帶繞法與開口帶繞法,試問兩種繞法帶長相差多少(A)?d/2C(B)?d/C(C)2?d/C(D)?d/4C
6.有一滾動軸承,其軸承號碼為6805,則其內徑大小為(A)20mm(B)05mm(C)80mm(D)25mm
7.V形帶輪上所使用的三角皮帶其夾角為(A)大於40°(B)34°(C)36°(D)40°
8.平皮帶傳動時,皮帶與皮帶輪之間的接觸角不得小於幾度(A)90°(B)120°(C)150°(D)180°
9.常用於吊掛重的鏈條為下列何者(A)平環鏈(B)滾子鏈(C)無聲鏈(D)塊狀鏈
10.有一彈簧如下圖所示,試問該彈簧之彈簧指數大小為(A)29/4(B)25/4(C)21/4(D)17/4
11.如圖所示,若輪A=20齒,轉速為400RPM(順時針),輪B=40齒,輪C=100齒,則輪C的轉速及轉向為何(A)40RPM,順時針旋轉(B)40RPM,逆時針旋轉(C)80RPM,順時針旋轉(D)80RPM,逆時針旋轉
12.漸開線齒輪的齒輪曲線由下列何者決定(A)基圓(B)節圓(C)齒頂圓(D)齒根圓
13.擺線齒輪傳動時,其壓力角的大小為何(A)一定值(B)在漸遠弧時為定值,漸近弧時則時時改變(C)在漸近弧時為定值,漸遠弧時則時時改變(D)時時改變
14.摩擦輪裝置中,製造輪子的使用材料應為(A)主動與從動輪材料應一致(B)主動輪應使用較軟的材料(C)從動輪應使用較軟的材料(D)直徑較大者材料較軟
15.下圖中之輪系,惰輪的個數有多少個(A)1(B)2(C)3(D)4
16.帶式制動器之緊邊張力為F1,鬆邊張力為F2,接觸角為θ,摩擦係數為μ,試問下列何者正確(A)(B)(C)(D)
17.下圖中為凸輪的時間-速度圖,請問ab段為何種運動狀態(A)等減速度運動(B)等速運動(C)簡諧運動(D)等加速度運動
18.僅能使運動中機件速度減緩,但無法使其完全停止是何種制動器(A)帶式制動器(B)內靴式制動器(C)塊狀制動器(D)渦電流式制動器
19.有一四連桿機構如下圖所示,下列述敘何者錯誤(A)此為蔡式直線運動機構(B)此四連桿機構為一絕對直線機構(C)(D)=4:5:2
20.以下對剛體(rigidbody)的定義何者正確?(A)物體內任兩點之間的距離永遠不會改變的物體(B)承受外力後,物體能變形,但不致被破壞(C)鋼質材質所製作的物體(D)應力與應變有固定比例之物體
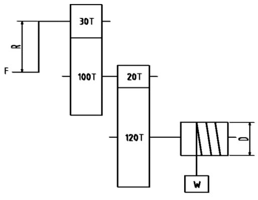
21.如圖為一起重機輪系,若圓筒D之直徑為300cm,手柄長為150cm,則手柄轉一圈時,圓筒所吊之重物W位移多少cm?(A)12π(B)14π(C)16π(D)18π
22.有一汽車差速機構,轉彎時若左輪轉速為20rpm,右輪轉速為40rpm,則大齒盤(行星臂)之轉速為多少rpm?(A)20(B)40(C)800(D)60
23.如圖為中國式絞盤滑車,若為30cm,為20cm,搖桿半徑R=10cm,輸入力量F=200N,則下列敘述何者正確?(A)機械利益M=0.25(B)若摩擦損失20%,則可提起重物960N(C)若無摩擦損失,則可提起重物800N(D)此機構為費力省時的機構
24.對於制動器(煞車)的敘述,下列何者錯誤?(A)電磁式制動器是將機械能轉變成電能而產生制動(B)液體制動器若須完全停止,需搭配其他形式之制動器(C)制動器在設計過程中,首重散熱(D)電磁式制動器是利用電磁的阻尼力產生制動效果
25.兩圓柱形摩擦輪輪A與輪B,其切線速度比為=1:4,兩軸轉速比=2:1,請問直徑比為多少?(A)8:1(B)1:8(C)2:1(D)1:2
26.如圖所示,若下輪為主動輪,且轉向由右向左看時為順時針方向旋轉,請問下列敘述何者正確?(A)上輪為左旋螺旋齒輪,下輪為右旋螺旋齒輪(B)適合高速度與重負荷傳動,若要使用止推軸承,上輪應安裝在右側(靠箭頭側)(C)此種齒輪接觸率比正齒輪高,唯獨傳動時會產生軸向負荷,須配合止推軸承使用(D)兩輪的螺旋角不須相同也可嚙合傳動
27.針對流體中間連接傳動的敘述,下列何者正確?(A)能夠傳送推力與拉力(B)只能傳送推力,不能傳送拉力(C)只能傳送拉力,不能傳送推力(D)不能傳送推力,也不能傳送拉力
28.使用兩個螺帽鎖緊時,較厚之螺帽應在?(A)上方(B)下方(C)上下均可(D)視負荷情況而定
29.有關鍵的敘述,下列何者錯誤?(A)方鍵之鍵寬與鍵高相等(B)鞍鍵的傳動依靠摩擦力(C)帶頭斜鍵用於不須拆卸之處(D)半圓鍵具有自動調心的作用
30.滅火器所使用的銷為?(A)定位銷(B)快釋銷(C)開口銷(D)U形銷
31.有關離合器的敘述,下列何者正確?(A)流體離合器是依靠離心力傳達動力(B)使用爪型離合器時,兩軸轉速可不必相同也可離合(C)錐形離合器的半錐角越小,則產生的摩擦力越小(D)圓盤離合器連接時,盤面的正壓力等於軸向推力
32.皮帶傳動所使用的皮帶輪,其中間部位常做成隆起之形狀,其主要目的為(A)增加皮帶輪之強度(B)防止皮帶脫落(C)減少皮帶之摩擦損耗(D)增加皮帶輪之轉速
33.針對鍊條的傳動,下列敘述何者錯誤?(A)與摩擦輪相比,鍊條的速比準確(B)可傳遞較大馬力(C)適合高轉速場合(D)用於兩軸距離較遠的動力傳動
34.下列哪種傳動模式適合輕負載高速度的場合?(A)摩擦輪(B)鏈輪(C)齒輪(D)皮帶輪
35.為避免鏈輪傳動時所產生的振動及噪音,下列作法何者可以有效改善弦線作用?(A)增加轉速,徹底給予潤滑(B)減少齒數,使用較長節距之鏈條(C)增加兩軸間之距離(D)利用拉緊輪增加張力,使鏈條鬆緊適中
36.一般稱之為「碟煞」的裝置指的是?(A)內靴式制動器(B)帶式制動器(C)塊狀制動器(D)圓盤式制動器
37.機械主軸若需傳遞極大動力且有時必須沿軸心做平移,為滿足此二種功能,須利用下列何種機件?(A)鞍形鍵(B)方鍵(C)栓槽鍵(D)斜鍵
38.聯軸器常用於兩端主軸之連接與動力傳遞,有關聯軸器的描述下列何者正確?(A)連接空間中不同軸線之兩軸,能使用虎克接頭,且成對使用時能消除兩端的速比差(B)不同軸線之兩軸,若要傳遞動力且不允許角度變化,可選用剛性聯軸器(C)歐丹聯軸器用於兩端角速度相等且兩軸平行,是一種剛性聯軸器(D)摩擦阻環聯軸器依靠分裂圓筒與轉軸間之摩擦力傳遞動力,可以用於震動較大之場合
39.今有軸承編號分別為「7212」與「7312」,則下列比較之敘述何者錯誤?(A)兩軸承之軸承種類相同(B)兩軸承之寬度級序相同(C)兩軸承之寬度尺度相同(D)兩軸承之內徑尺度相同
40.今有一拉伸彈簧下方掛了100N之重物,該彈簧經量測後伸長了20公分。若將此彈簧裁成4段並以並聯的方式改裝,再將原重物掛在彈簧下方,試問此時伸長量為何?(A)2.5cm(B)5cm(C)7.5cm(D)10cm